вконтакте

Контактный телефон: +7 (981) 121-46-93, +7 (800) 200-90-76 , Email: parts-katalog@yandex.ru, где купить

 
 

  Логин:

Пароль:

Регистрация

www.partskatalog.ru Все каталоги Запчасти Mercury Запчасти Suzuki Запчасти Tohatsu Запчасти Honda Контакты



УВАЖАЕМЫЕ КЛИЕНТЫ!
C 19 ДЕКАБРЯ 2025 ПО 02 МАРТА 2026 ГОДА ОТДЕЛ ЗАПЧАСТЕЙ И СЕРВИС РАБОТАТЬ НЕ БУДУТ
ПРОДАЖА ЛОДОЧНЫХ МОТОРОВ В ШТАТНОМ РЕЖИМЕ
ОБ ИЗМЕНЕНИЯХ В ГРАФИКЕ РАБОТЫ ЧИТАЙТЕ НА САЙТА



назад Раздел:   вперёд

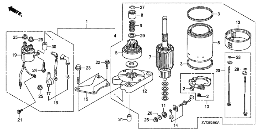
Модификация Вашего двигателя:   Honda BF30D4 SHW
Модели с серийным номером двигателя от BEAUJ-1000001 до BEAUJ-9999999
Модели с серийным номером рамы от BAUJ-1000001 до BAUJ-1099999

Вернуться к выбору узлов мотора

   Двигатель стартера
Starter Motor      


ДЕТАЛИРОВКА ДЛЯ МОДЕЛИ: HONDA BF30D4

Подвесной  мотор Honda BF30D4 - Starter Motor - Двигатель стартера

Время выполнения запроса 2.2048270702362 сек.

 
 

данный сайт носит информационный характер и не является публичной офертой

склад запчастей для водомоторной техники