вконтакте

Контактный телефон: +7 (981) 121-46-93, +7 (800) 200-90-76 , Email: parts-katalog@yandex.ru, где купить

 
 

  Логин:

Пароль:

Регистрация

www.partskatalog.ru Все каталоги Запчасти Mercury Запчасти Suzuki Запчасти Tohatsu Запчасти Honda Контакты



УВАЖАЕМЫЕ КЛИЕНТЫ!
C 19 ДЕКАБРЯ 2025 ПО 02 МАРТА 2026 ГОДА ОТДЕЛ ЗАПЧАСТЕЙ И СЕРВИС РАБОТАТЬ НЕ БУДУТ
ПРОДАЖА ЛОДОЧНЫХ МОТОРОВ В ШТАТНОМ РЕЖИМЕ
ОБ ИЗМЕНЕНИЯХ В ГРАФИКЕ РАБОТЫ ЧИТАЙТЕ НА САЙТА



назад Раздел:   вперёд

Модификация Вашего двигателя:   Honda BF25A2 SRSB
Модели с серийным номером двигателя от BAJE-1000001 до BAJE-1999999
Модели с серийным номером рамы от BAJS-3220001 до BAJS-3299999

Вернуться к выбору узлов мотора

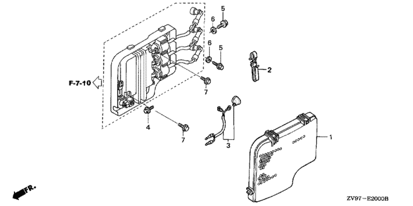
   Блок управления C.D.I. Крышка или колпачок
C.d.i. Unit Cover      


ДЕТАЛИРОВКА ДЛЯ МОДЕЛИ: HONDA BF25A2

Двигатель BF25A2 - C.d.i. Unit Cover
Номер на
рисунке
АртикулНаименованиеКол-во
на складе
Цена
130588-ZV5-003

Крышка модуля C.D.I. (Cover, c.d.i. unit)

под заказ5960 руб. 
130588-ZV5-013

(последний код) COVER, C.D.I. UNIT

под заказ5960 руб. 
232766-PE2-003

Струбцина середины кабеля (Clamp, center cord)

под заказ1410 руб. 
337204-ZV7-000

Провод переключателя (370 мм) (Cord, switch (370mm))

под заказпо запросу 
490013-ZV0-010

Фланцевый болт, 6x12 (Bolt, flange, 6x12)

под заказ350 руб. 
490013-ZW4-000

Фланцевый болт, 6x12 (ct200) (Bolt, flange, 6x12 (ct200))

под заказ490 руб. 
590121-ZV0-000

Фланцевый болт, 6x25 (Bolt, flange, 6x25)

под заказ380 руб. 
590121-ZV0-010

(последний код) BOLT, FLANGE, 6X25

под заказ380 руб. 
69410306200

Плоская шайба, 6 мм (Washer, plain, 6mm)

под заказ90 руб. 
690508-ZY3-000

Плоская шайба, 6 мм (Washer, plain, 6mm)

под заказ130 руб. 
337204-ZV7-010

Провод переключателя (385 мм) (Cord, switch (385mm))

под заказпо запросу 

Время выполнения запроса 0.68090200424194 сек.

 
 

данный сайт носит информационный характер и не является публичной офертой

склад запчастей для водомоторной техники