вконтакте

Контактный телефон: +7 (981) 121-46-93, +7 (800) 200-90-76 , Email: parts-katalog@yandex.ru, где купить

 
 

  Логин:

Пароль:

Регистрация

www.partskatalog.ru Все каталоги Запчасти Mercury Запчасти Suzuki Запчасти Tohatsu Запчасти Honda Контакты

назад Раздел:   вперёд

Модификация Вашего двигателя:   Honda BF25A2 LHSC
Модели с серийным номером двигателя от BAJE-2000001 до BAJE-9999999
Модели с серийным номером рамы от BAJS-3220001 до BAJS-3299999

Вернуться к выбору узлов мотора

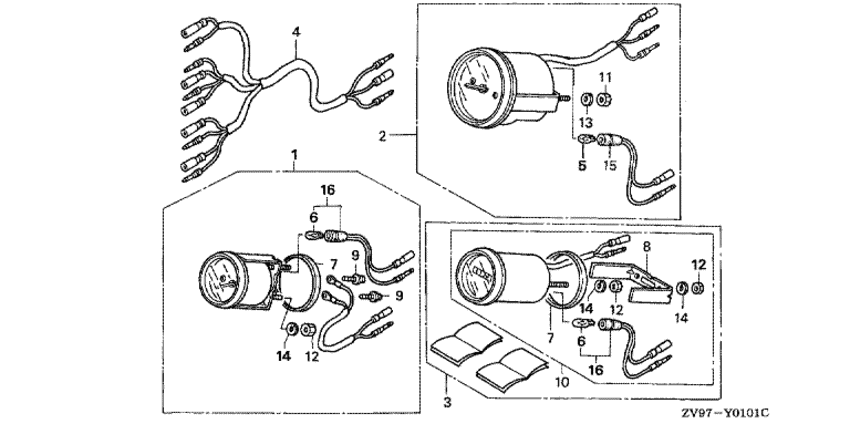
   Комплекты приборов
Meter Kit      


ДЕТАЛИРОВКА ДЛЯ МОДЕЛИ: HONDA BF25A2

Двигатель Хонда BF25A2 - Комплекты приборов

Время выполнения запроса 0.58161902427673 сек.

 
 

данный сайт носит информационный характер и не является публичной офертой

склад запчастей для водомоторной техники