Контактный телефон: +7 (981) 121-46-93, +7 (800) 200-90-76 , Email: parts-katalog@yandex.ru, где купить |
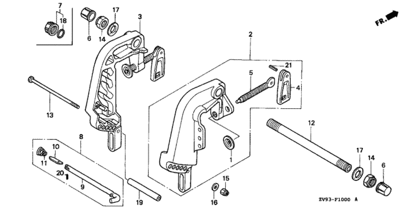
Модификация Вашего двигателя: Honda BF25AX LRSD Вернуться к выбору узлов мотора Кронштейн транца |
|||||||||||||||||||||||||||||||||||||||||||||||||||||||||||||||||||||||||||||||||||||||||||||||||||||||||||||||||||||||||||||||||||||||||||||||||||||||||||||||||||||||||||||||||||||
| Номер на рисунке | Артикул | Наименование | Кол-во на складе | Цена | |
| 1 | 50122-935-010 | Нажимная пластина (Plate, push) | 1 шт | 840 руб. | |
| 2 | 50300-ZV7-000ZA | Правый кормовой кронштейн *nh282mu * (Bracket comp., r. stern *nh282mu *) | под заказ | 49280 руб. | |
| 2 | 50300-ZV7-010ZA | Правый кормовой кронштейн *nh282mu * (Bracket comp., r. stern *nh282mu *) | под заказ | 47830 руб. | |
| 3 | 50310-ZV7-000ZA | Левый кормовой кронштейн *nh282mu * (Bracket comp., l. stern *nh282mu *) | под заказ | 49280 руб. | |
| 3 | 50310-ZW2-F30ZA | (последний код) BRACKET COMP., L. STERN * | под заказ | 46220 руб. | |
| 4 | 50323-ZV4-310ZB | Рукоятка зажима *nh282mu * (Grip, clamp *nh282mu *) | под заказ | 2730 руб. | |
| 5 | 50325-881-310 | Винт зажима (Screw, clamp) | под заказ | 2500 руб. | |
| 5 | 50325-881-505 | (последний код) SCREW/PLAT.SET | под заказ | 2500 руб. | |
| 6 | 50331-ZV5-000 | Колпачок болта опрокидывания (Cap, tilting bolt) | под заказ | 1010 руб. | |
| 7 | 50335-ZV5-000 | Колпачок в сборе (Cap assy.) | под заказ | 1760 руб. | |
| 8 | 50340-ZV7-000 | Регулировочная штанга, комплект (Rod comp., adjusting) | под заказ | 8530 руб. | |
| 8 | 50340-ZV7-010 | (последний код) ROD COMP., ADJUSTING | 6 шт | 8530 руб. | |
| 9 | 50341-ZV7-300 | Регулировочная штанга (Rod, adjusting) | под заказ | по запросу | |
| 10 | 50342-ZV5-300 | Стопор тяги (Stopper, rod) | под заказ | 1100 руб. | |
| 11 | 50343-ZV7-300 | Пружина регулировки тяги (Spring, adjusting rod) | под заказ | 430 руб. | |
| 12 | 50381-ZV5-000 | Вал наклона (Shaft, tilting) | под заказ | 19840 руб. | |
| 12 | 50381-ZZ5-000 | (последний код) SHAFT, TILTING | под заказ | 19840 руб. | |
| 13 | 90108-ZV7-000 | Болт под шестигранник., 8x163 (Bolt, hex., 8x163) | под заказ | 1400 руб. | |
| 14 | 90304-ZV5-003 | Гайка с замком (7 / 8-14unf) (Nut, self-lock (7/8-14unf)) | под заказ | 2950 руб. | |
| 14 | 90304-ZV5-013 | (последний код) NUT, SELF-LOCK (7/8-14UNF | под заказ | 2950 руб. | |
| 15 | 90305-ZV4-000 | Гайка с замком, 8 мм (Nut, self-lock, 8mm) | под заказ | 550 руб. | |
| 16 | 90507-ZV4-000 | Плоская шайба, 8 мм (Washer, plain, 8mm) | под заказ | 360 руб. | |
| 17 | 90517-ZV5-000 | Волнистая шайба, 22 мм (Washer, wave, 22mm) | под заказ | 1070 руб. | |
| 18 | 91352-ZV5-000 | Уплотнительное кольцо, 15.54x2.26 (O-ring, 15.54x2.26) | 3 шт | 290 руб. | |
| 19 | 91501-ZV7-000 | Промежуточный воротник (8 мм) (Collar, distance (8mm)) | под заказ | 5080 руб. | |
| 20 | 94305-25083 | Стопор пружины, 2.5x8 (Pin, spring, 2.5x8) | под заказ | 70 руб. | |
| 21 | 94305-40143 | Стопор пружины, 4x14 (Pin, spring, 4x14) | под заказ | 90 руб. | |
Время выполнения запроса 0.49591112136841 сек.
склад запчастей для водомоторной техники