Контактный телефон: +7 (981) 121-46-93, +7 (800) 200-90-76 , Email: parts-katalog@yandex.ru, где купить |
Модификация Вашего двигателя: Honda BF25D4 LRTK Вернуться к выбору узлов мотора Механизированный дифферент наклона |
|||||||||||||||||||||||||||||||||||||||||||||||||||||||||||||||||||||||||||||||||||||||||||||||||||||||||||||||||||||||||||||||||||||||||||||||||||||||||||||||||||||||||||||||||||||||||||||||||||||||||||||||||||||||||||||||||||||||||||||||||||||||||||||||||||||||||||||||||||||||||||||||||||||||||||||||||||||||||||||||||||||||||||||||||||||||||||||||||||||||||||||||||||||||||||||||||||||||||||||||||||
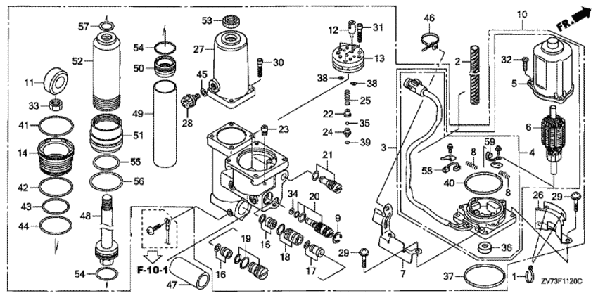
| Номер на рисунке | Артикул | Наименование | Кол-во на складе | Цена | |
| 1 | 35701-MG9-950 | Ремешок (чёрный 3.5x140) (Band (black 3.5x140)) | под заказ | 380 руб. | |
| 2 | 36104-ZV5-821 | Спиральная трубка (Tube, spiral) | под заказ | 1280 руб. | |
| 3 | 36120-ZW2-F12 | Мотор управления наклоном лодочного мотора (Motor assy., power tilt) | под заказ | 102760 руб. | |
| 4 | 36122-ZW2-F12 | Кронштейн в сборе (Bracket assy) | под заказ | 82640 руб. | |
| 5 | 36123-ZV5-822 | Обойма (Yoke comp.) | под заказ | 78750 руб. | |
| 5 | 36129-ZV5-822 | Обойма (Yoke comp.) | под заказ | 52700 руб. | |
| 6 | 36123-ZW4-H12 | Якорь (Armature comp.) | под заказ | 63690 руб. | |
| 7 | 36125-ZW2-F11 | Фиксатор провода (Clamper, cord) | под заказ | 1430 руб. | |
| 8 | 36136-ZV5-821 | Пружина двигателя (Spring, motor) | 2 шт | 840 руб. | |
| 9 | 53549-ZY1-871 | Внутреннее стопорное кольцо (16) (Circlip, internal (16)) | под заказ | 400 руб. | |
| 10 | 56000-ZW2-F12 | Система дифферента и наклона двигателя (Trim-tilt assy., power) | под заказ | 399560 руб. | |
| 10 | 56000-ZW2-F18 | (последний код) TRIM-TILT ASSY., POWER | под заказ | 402190 руб. | |
| 10 | 56000-ZW2-F13 | Система дифферента и наклона двигателя (Trim-tilt assy., power) | под заказ | 405550 руб. | |
| 10 | 56000-ZW2-F14 | Система дифферента и наклона двигателя (Trim-tilt assy., power) | под заказ | 411640 руб. | |
| 11 | 56113-ZW2-F11 | Металлический соеденитель (Metal, joint) | под заказ | 8860 руб. | |
| 12 | 56113-766-801 | Соединение привода (Joint, drive) | 1 шт | 2600 руб. | |
| 13 | 56114-ZW4-H11 | Помпа (Pump) | под заказ | 26880 руб. | |
| 14 | 56115-ZW4-H11 | Направляющая внешней трубки (Guide, outer tube) | под заказ | 18660 руб. | |
| 16 | 56140-ZW4-H11 | Клапан b (Valve comp. b) | под заказ | 22970 руб. | |
| 17 | 56150-ZW4-H11 | Золотник (Spool comp.) | под заказ | 4620 руб. | |
| 18 | 56161-ZY1-871 | Втулка (Sleeve comp.) | под заказ | 5130 руб. | |
| 19 | 56163-ZY1-871 | Заглушка (Plug comp.) | под заказ | 4550 руб. | |
| 20 | 56170-ZW4-H11 | Ручной клапан (Valve comp., manual) | под заказ | 22510 руб. | |
| 21 | 56180-ZW4-H11 | Клапан (Valve comp.) | под заказ | 13590 руб. | |
| 22 | 56182-ZW4-H11 | Направляющая пружина (Guide, spring) | под заказ | 2430 руб. | |
| 23 | 56190-ZW4-H11 | Установочный клапан (Valve, set) | под заказ | 5820 руб. | |
| 24 | 56191-ZW4-H11 | Седло клапана B (Seat b, valve) | под заказ | 3810 руб. | |
| 25 | 56192-ZW4-H11 | Пружина клапана (Spring, valve) | под заказ | 400 руб. | |
| 26 | 56517-ZW2-F11 | Установочная пластина (Plate, set) | под заказ | 1260 руб. | |
| 27 | 56851-ZW4-H11 | Масляный бак (Tank, oil) | под заказ | 2550 руб. | |
| 28 | 56860-ZW4-H11 | Крышка заливной горловины масла tank (Cap, oil tank) | под заказ | 1260 руб. | |
| 29 | 90001-ZV5-791 | Винт с шайбой (Screw-washer) | под заказ | 740 руб. | |
| 30 | 90111-ZW4-H11 | Болт с гнездом, 5x0.8 (Bolt, socket, 5x0.8) | под заказ | 1780 руб. | |
| 32 | 90134-ZV5-821 | Винт с чашечкой, 5x20 (Screw, pan, 5x20) | под заказ | 680 руб. | |
| 33 | 90302-ZW2-F11 | Гайка металлического соединения (Nut, joint metal) | под заказ | 1610 руб. | |
| 34 | 90402-ZV5-821 | Шайба уплотнения (Washer, seal) | под заказ | 1030 руб. | |
| 34 | 90402-V15-003 | (последний код) WASHER, SEAL | 2 шт | 1030 руб. | |
| 35 | 90921-ZW4-H11 | Стальной шарик (Ball, steel) | под заказ | 140 руб. | |
| 36 | 91203-ZV5-821 | Сальник (Oil seal) | под заказ | 5080 руб. | |
| 37 | 91302-ZV5-821 | Уплотнительное кольцо (O-ring) | 6 шт | 920 руб. | |
| 38 | 91304-ZV5-821 | Уплотнительное кольцо (O-ring) | под заказ | 610 руб. | |
| 39 | 91311-ZV5-822 | Уплотнительное кольцо (O-ring) | под заказ | 420 руб. | |
| 40 | 91318-ZV5-822 | Уплотнительное кольцо (O-ring) | под заказ | 1520 руб. | |
| 41 | 91351-ZW4-H11 | Уплотнительное кольцо (O-ring) | 1 шт | 960 руб. | |
| 42 | 91352-ZW4-H11 | Уплотнительное кольцо (O-ring) | под заказ | 960 руб. | |
| 43 | 91353-ZW4-H11 | Уплотнительное кольцо (O-ring) | под заказ | 920 руб. | |
| 44 | 91354-ZW4-H11 | Уплотнительное кольцо (O-ring) | под заказ | 920 руб. | |
| 45 | 91355-ZW4-H11 | Уплотнительное кольцо (O-ring) | под заказ | 1270 руб. | |
| 46 | 91541-S0A-003 | Зажим (Clip) | под заказ | 380 руб. | |
| 47 | 91599-ZW2-F10 | Промежуточный воротник (Collar, distance) | под заказ | 2290 руб. | |
| 48 | 56110-ZW2-F11 | Штанга поршня (Rod comp., piston) | под заказ | 18800 руб. | |
| 49 | 56123-ZW4-H11 | Цилиндр (Cylinder) | под заказ | 2500 руб. | |
| 50 | 56130-ZW4-H11 | Освободитель поршня (Piston, free) | под заказ | 10140 руб. | |
| 50 | 56130-ZW4-H12 | (последний код) PISTON, FREE | под заказ | 10140 руб. | |
| 51 | 56135-ZW4-H11 | Низ цилиндра наклона (Bottom, tilt cylinder) | под заказ | 6420 руб. | |
| 52 | 56511-ZW4-H11 | Наружная трубка (Tube, outer) | под заказ | 19620 руб. | |
| 53 | 91251-ZW4-H11 | Сальник (Seal, water) | 4 шт | 2760 руб. | |
| 54 | 91356-ZW4-H11 | Уплотнительное кольцо (O-ring) | под заказ | 1280 руб. | |
| 55 | 91357-ZW4-H11 | Уплотнительное кольцо (O-ring) | под заказ | 1490 руб. | |
| 56 | 91358-ZW4-H11 | Уплотнительное кольцо (O-ring) | 5 шт | 1960 руб. | |
| 57 | 91359-ZW4-H11 | Уплотнительное кольцо (O-ring) | под заказ | 650 руб. | |
| 58 | 30280-ZW4-H11 | Тормоз (прерыватель), в сборе (Breaker assy) | под заказ | 27020 руб. | |
| 59 | 31106-ZY3-003 | Щётка, в сборе (Brush assy.) | 1 шт | 6960 руб. | |
| 31 | 90115-ZV5-821 | Болт с гнездом (b) (Bolt, socket (b)) | под заказ | 2640 руб. | |
Время выполнения запроса 0.78461813926697 сек.
склад запчастей для водомоторной техники