вконтакте

Контактный телефон: +7 (981) 121-46-93, +7 (800) 200-90-76 , Email: parts-katalog@yandex.ru, где купить

 
 

  Логин:

Пароль:

Регистрация

www.partskatalog.ru Все каталоги Запчасти Mercury Запчасти Suzuki Запчасти Tohatsu Запчасти Honda Контакты



УВАЖАЕМЫЕ КЛИЕНТЫ!
C 19 ДЕКАБРЯ 2025 ПО 02 МАРТА 2026 ГОДА ОТДЕЛ ЗАПЧАСТЕЙ И СЕРВИС РАБОТАТЬ НЕ БУДУТ
ПРОДАЖА ЛОДОЧНЫХ МОТОРОВ В ШТАТНОМ РЕЖИМЕ
ОБ ИЗМЕНЕНИЯХ В ГРАФИКЕ РАБОТЫ ЧИТАЙТЕ НА САЙТА



назад Раздел:   вперёд

Модификация Вашего двигателя:   Honda BF25D4 LRTD
Модели с серийным номером двигателя от BEATJ-1000001 до BEATJ-
Модели с серийным номером рамы от BATJ-1000001 до BATJ-

Вернуться к выбору узлов мотора

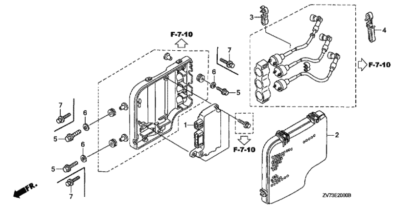
   Блок управления C.D.I.
C.d.i. Unit      


ДЕТАЛИРОВКА ДЛЯ МОДЕЛИ: HONDA BF25D4

Подвесной четырёх тактный лодочный двигатель BF25D4 - Блок управления C.D.I. / C.d.i. Unit
Номер на
рисунке
АртикулНаименованиеКол-во
на складе
Цена
130400-ZV7-F01

Блок управления C.D.I. (C.d.i. unit)

под заказпо запросу 
230588-ZV5-013

Крышка модуля C.D.I. (Cover, c.d.i. unit)

под заказ5960 руб. 
332765-PA1-730

Струбцина (Clamp)

под заказ1010 руб. 
432766-PE2-003

Струбцина середины кабеля (Clamp, center cord)

под заказ1410 руб. 
590121-ZV0-010

Фланцевый болт, 6x25 (Bolt, flange, 6x25)

под заказ380 руб. 
690508-ZY3-000

Плоская шайба, 6 мм (Washer, plain, 6mm)

под заказ130 руб. 
790003-ZW2-000

Болт с шайбой, 6x27 (ct200) (Bolt-washer, 6x27 (ct200))

под заказ570 руб. 

Время выполнения запроса 1.2323470115662 сек.

 
 

данный сайт носит информационный характер и не является публичной офертой

склад запчастей для водомоторной техники