вконтакте

Контактный телефон: +7 (981) 121-46-93, +7 (800) 200-90-76 , Email: parts-katalog@yandex.ru, где купить

 
 

  Логин:

Пароль:

Регистрация

www.partskatalog.ru Все каталоги Запчасти Mercury Запчасти Suzuki Запчасти Tohatsu Запчасти Honda Контакты

назад Раздел:   вперёд

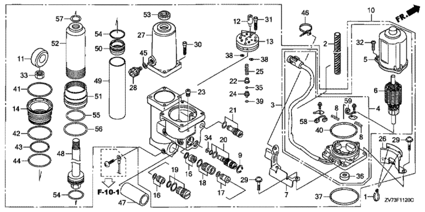
Модификация Вашего двигателя:   Honda BF25D4 LHE
Модели с серийным номером двигателя от BEATJ-1000001 до BEATJ-9999999
Модели с серийным номером рамы от BATJ-1000001 до BATJ-1099999

Вернуться к выбору узлов мотора

   Механизированный дифферент наклона
Power Trim Tilt      


ДЕТАЛИРОВКА ДЛЯ МОДЕЛИ: HONDA BF25D4

Подвесной  лодочный мотор BF25D4 - Power Trim Tilt

Время выполнения запроса 0.17630195617676 сек.

 
 

данный сайт носит информационный характер и не является публичной офертой

склад запчастей для водомоторной техники