вконтакте

Контактный телефон: +7 (981) 121-46-93, +7 (800) 200-90-76 , Email: parts-katalog@yandex.ru, где купить

 
 

  Логин:

Пароль:

Регистрация

www.partskatalog.ru Все каталоги Запчасти Mercury Запчасти Suzuki Запчасти Tohatsu Запчасти Honda Контакты

назад Раздел:   вперёд

Модификация Вашего двигателя:   Honda BF20D3 LRTK
Модели с серийным номером двигателя от BEAMJ-1000001 до BEAMJ-
Модели с серийным номером рамы от BAMJ-1000001 до BAMJ-

Вернуться к выбору узлов мотора

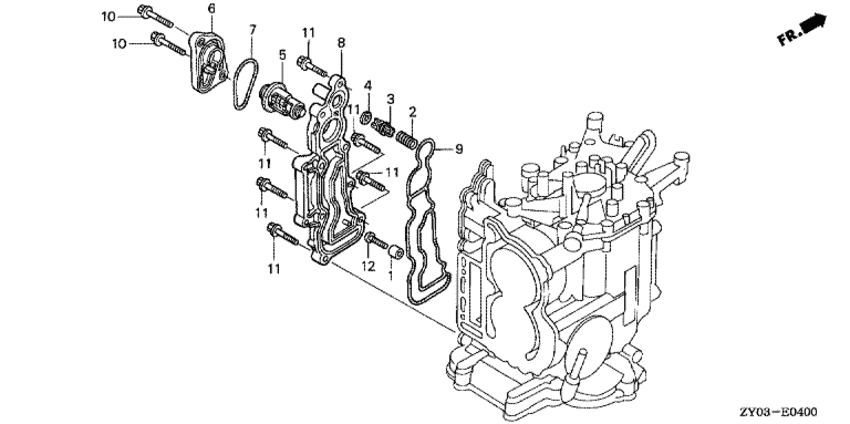
   Термостат
Thermostat      


ДЕТАЛИРОВКА ДЛЯ МОДЕЛИ: HONDA BF20D3

Подвесной лодочный  двигатель Honda BF20D3 - Термостат - Thermostat
Номер на
рисунке
АртикулНаименованиеКол-во
на складе
Цена
112155-ZV4-A00

Металлический анод (Metal, anode)

под заказ1370 руб. 
219279-ZW9-000

Пружина сливного клапана (Spring, flush valve)

под заказ380 руб. 
219279-ZW9-010

(последний код) SPRING, FLUSH VALVE

под заказ380 руб. 
319291-ZW9-000

Сливной клапан (Valve, flash)

1 шт1140 руб. 
419297-ZW9-000

Прокладка сливного клапана (Packing, flash valve)

под заказ400 руб. 
519300-ZW9-003

Термостат в сборе. (Thermostat assy.)

под заказ7770 руб. 
619315-ZW9-000

Крышка термостата (Cover, thermostat)

1 шт2550 руб. 
719317-ZW9-000

Уплотнительное кольцо крышки термостата (O-ring, thermostat cover)

3 шт940 руб. 
819361-ZW9-405ZA

Крышка водяной рубашки *nh8 * (Cover, water jacket *nh8 *)

под заказ12390 руб. 
819361-ZW9-405

Крышка водяной рубашки (Cover, water jacket)

под заказ12390 руб. 
919371-ZW9-000

Прокладка наружной крышки водяной рубашки (Packing, ex. water jacket cover)

2 шт1560 руб. 
1090002-ZW9-000

Фланцевый болт, 6x36 (ct200) (Bolt, flange, 6x36 (ct200))

под заказ530 руб. 
1090002-ZW9-010

(последний код) BOLT,FLANGE,6X36

под заказ670 руб. 
1190012-ZW9-000

Фланцевый болт, 6x22 (ct200) (Bolt, flange, 6x22 (ct200))

под заказ420 руб. 
1190012-ZW9-020

(последний код) BOLT, FLANGE, 6X22 (CT200

под заказ520 руб. 
1293500-050-204-J

Винт (Screw)

под заказ110 руб. 

Время выполнения запроса 0.33898997306824 сек.

 
 

данный сайт носит информационный характер и не является публичной офертой

склад запчастей для водомоторной техники