вконтакте

Контактный телефон: +7 (981) 121-46-93, +7 (800) 200-90-76 , Email: parts-katalog@yandex.ru, где купить

 
 

  Логин:

Пароль:

Регистрация

www.partskatalog.ru Все каталоги Запчасти Mercury Запчасти Suzuki Запчасти Tohatsu Запчасти Honda Контакты

назад Раздел:   вперёд

Модификация Вашего двигателя:   Honda BF20D3 LHGK
Модели с серийным номером двигателя от BEAMJ-1000001 до BEAMJ-
Модели с серийным номером рамы от BAMJ-1000001 до BAMJ-

Вернуться к выбору узлов мотора

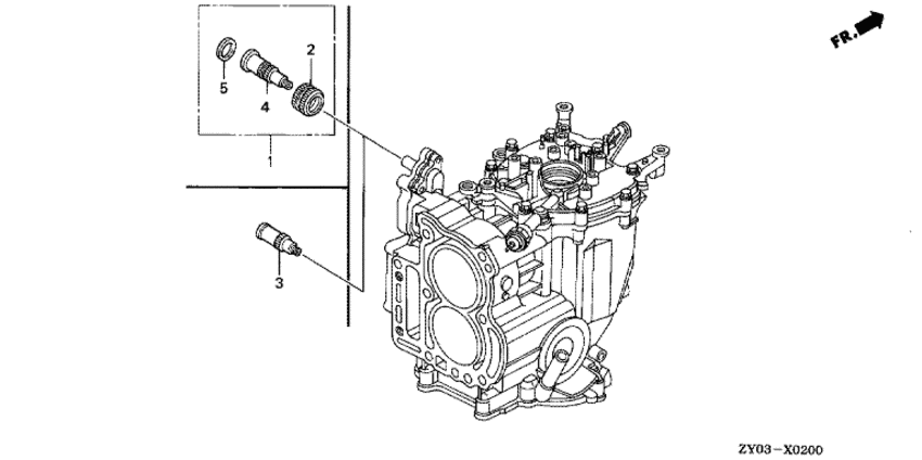
   Комплект соединений для водяных трубок
Water Hose Joint Kit      


ДЕТАЛИРОВКА ДЛЯ МОДЕЛИ: HONDA BF20D3

Подвесной лодочный четырёхтактный двигатель Honda BF20D3 - Комплект соединений для водяных трубок - Water Hose Joint Kit
Номер на
рисунке
АртикулНаименованиеКол-во
на складе
Цена
106190-ZV1-860

Комплект для подключения шланга с водой (Joint kit, water hose)

под заказ4280 руб. 
219270-881-812

Гайка, ввод воды (Nut, water mouth)

под заказ2440 руб. 
319271-ZV1-000

Соеденитель водяной трубки (Joint, water hose)

3 шт1830 руб. 
419271-ZV1-810

Соеденитель водяной трубки (Joint, water hose)

под заказ1560 руб. 
519272-881-810

Гнездо, ввод воды (Seat, water mouth)

под заказ440 руб. 

Время выполнения запроса 0.25508499145508 сек.

 
 

данный сайт носит информационный характер и не является публичной офертой

склад запчастей для водомоторной техники