вконтакте

Контактный телефон: +7 (981) 121-46-93, +7 (800) 200-90-76 , Email: parts-katalog@yandex.ru, где купить

 
 

  Логин:

Пароль:

Регистрация

www.partskatalog.ru Все каталоги Запчасти Mercury Запчасти Suzuki Запчасти Tohatsu Запчасти Honda Контакты



УВАЖАЕМЫЕ КЛИЕНТЫ!
C 19 ДЕКАБРЯ 2025 ПО 02 МАРТА 2026 ГОДА ОТДЕЛ ЗАПЧАСТЕЙ И СЕРВИС РАБОТАТЬ НЕ БУДУТ
ПРОДАЖА ЛОДОЧНЫХ МОТОРОВ В ШТАТНОМ РЕЖИМЕ
ОБ ИЗМЕНЕНИЯХ В ГРАФИКЕ РАБОТЫ ЧИТАЙТЕ НА САЙТА



назад Раздел:   вперёд

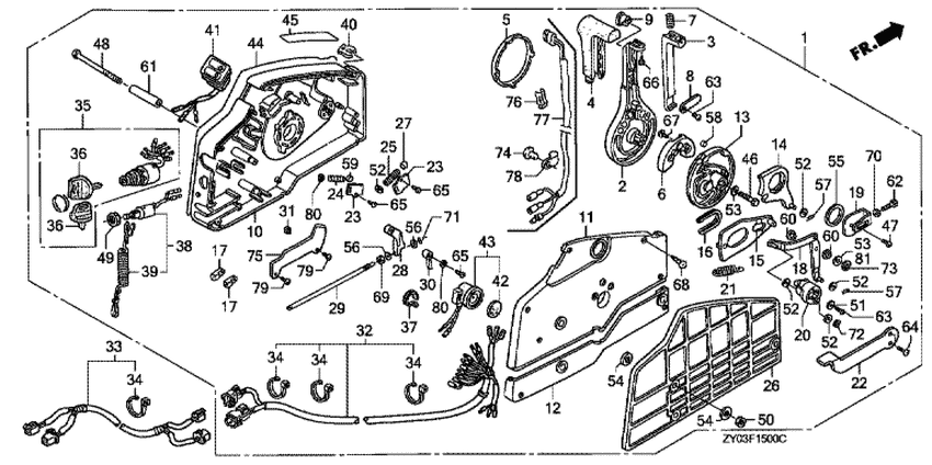
Модификация Вашего двигателя:   Honda BF20D3 SHU
Модели с серийным номером двигателя от BEAMJ-1000001 до BEAMJ-
Модели с серийным номером рамы от BAMJ-1000001 до BAMJ-

Вернуться к выбору узлов мотора

   Дистанционное управление
Remote Control      


ДЕТАЛИРОВКА ДЛЯ МОДЕЛИ: HONDA BF20D3

Подвесной четырёхтактный двигатель BF20D3 - Дистанционное управление - Remote Control

Время выполнения запроса 1.3321859836578 сек.

 
 

данный сайт носит информационный характер и не является публичной офертой

склад запчастей для водомоторной техники