вконтакте

Контактный телефон: +7 (981) 121-46-93, +7 (800) 200-90-76 , Email: parts-katalog@yandex.ru, где купить

 
 

  Логин:

Пароль:

Регистрация

www.partskatalog.ru Все каталоги Запчасти Mercury Запчасти Suzuki Запчасти Tohatsu Запчасти Honda Контакты



УВАЖАЕМЫЕ КЛИЕНТЫ!
C 19 ДЕКАБРЯ 2025 ПО 02 МАРТА 2026 ГОДА ОТДЕЛ ЗАПЧАСТЕЙ И СЕРВИС РАБОТАТЬ НЕ БУДУТ
ПРОДАЖА ЛОДОЧНЫХ МОТОРОВ В ШТАТНОМ РЕЖИМЕ
ОБ ИЗМЕНЕНИЯХ В ГРАФИКЕ РАБОТЫ ЧИТАЙТЕ НА САЙТА



назад Раздел:   вперёд

Модификация Вашего двигателя:   Honda BF20D3 LHSG
Модели с серийным номером двигателя от BEAMJ-1000001 до BEAMJ-9999999
Модели с серийным номером рамы от BAMJ-1000001 до BAMJ-1099999

Вернуться к выбору узлов мотора

   Блок цилиндра
Cylinder Block      


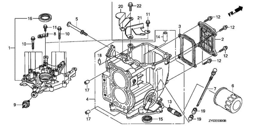
ДЕТАЛИРОВКА ДЛЯ МОДЕЛИ: HONDA BF20D3

Подвесной лодочный  двигатель BF20D3 - Блок цилиндра / Cylinder Block
Номер на
рисунке
АртикулНаименованиеКол-во
на складе
Цена
111300-ZY1-406

Крышка картера двигателя, в сборе (Cover assy., crankcase)

под заказ27620 руб. 
211340-ZY1-000

Боковая крышка картера двигателя (Cover comp., crankcase side)

под заказ4270 руб. 
311342-ZW9-000

Прокладка боковой крышки картера (Packing, crankcase side cover)

1 шт1840 руб. 
412000-ZY1-405ZA

Блок цилиндров в сборе (частично) *nh8 * (Block assy., cylinder *nh8 *)

под заказ169310 руб. 
512166-ZW9-000

Стопор сбоку двигателя (Stopper, engine side)

под заказ1110 руб. 
512166-ZW9-010

(последний код) STOPPER, ENGINE SIDE

под заказ1110 руб. 
615400-PFB-004

Картридж масляного фильтра (toyo roki) (Cartridge, oil filter (toyo roki))

под заказ1450 руб. 
615400-ZZ3-003

(последний код) CARTRIDGE, OIL FILTER (TO

145 шт2530 руб. 
6T-AT-07067

   (не оригинальный аналог) Масляный фильтр Arctic Cat / Kawasaki / Yamaha AT-07067 (Bronco)

под заказ990 руб.
6T-10-82240

   (не оригинальный аналог) Фильтр масляный 10-82240 (EMGO)

под заказ620 руб.
6T-55-1321

   (не оригинальный аналог) Масляный фильтр 55-1321 (WSM)

под заказ1230 руб.
6T-AT-MZ1439

   (не оригинальный аналог) Масляный фильтр Arctic Cat / Kawasaki / Yamaha AT-MZ1439 (MIZASHI)

под заказ530 руб.
6T-AT-MZ1424

   (не оригинальный аналог) Масляный фильтр Arctic Cat / Kawasaki / Yamaha AT-MZ1424 (MIZASHI)

под заказ600 руб.
615400-PFB-014

Картридж масляного фильтра (toyo roki) (Cartridge, oil filter (toyo roki))

1 шт2530 руб. 
6W67/1

   (не оригинальный аналог) Масляный фильтр W67/1

21 шт500 руб.
6W67/1

   (не оригинальный аналог) Масляный фильтр W67/1

21 шт500 руб.
715655-ZW9-000

Датчик уровня масла (Gauge comp., oil level)

2 шт2560 руб. 
832114-ZW9-730

Кронштейн зажима b (Bracket, clip b)

под заказ560 руб. 
832114-ZY1-730

Кронштейн зажима b (Bracket, clip b)

под заказпо запросу 
935490-ZW9-003

Выключатель при низком давлении масла (Switch assy., oil pressure)

под заказ6360 руб. 
1090004-ZW9-000

Фланцевый болт, 6x28 (Bolt, flange, 6x28)

под заказ480 руб. 
1190011-ZW9-000

Фланцевый болт, 6x14 (ct200) (Bolt, flange, 6x14 (ct200))

под заказ370 руб. 
1290012-ZW9-000

Фланцевый болт, 6x22 (ct200) (Bolt, flange, 6x22 (ct200))

под заказ420 руб. 
1290012-ZW9-020

(последний код) BOLT, FLANGE, 6X22 (CT200

под заказ520 руб. 
1390018-PN3-000

Крепление масляного фильтра (Holder, oil filter)

под заказ980 руб. 
1490705-PG2-000

Шпонка (Dowel pin)

под заказ660 руб. 
1591203-ZY1-003

Сальник, 28x45x8 (Oil seal, 28x45x8)

1 шт1580 руб. 
1691213-PL2-003

Сальник (Oil seal)

под заказ2560 руб. 
1794301-10120

Шпонка (Dowel pin)

под заказ270 руб. 
1894302-08140

Штифт b (Pin b)

под заказ240 руб. 
1995005-110-203-0

Трубка, 11x20 (95005-11001-30m) (Tube, 11x20 (95005-11001-30m))

под заказ190 руб. 

Время выполнения запроса 2.3788449764252 сек.

 
 

данный сайт носит информационный характер и не является публичной офертой

склад запчастей для водомоторной техники