вконтакте

Контактный телефон: +7 (981) 121-46-93, +7 (800) 200-90-76 , Email: parts-katalog@yandex.ru, где купить

 
 

  Логин:

Пароль:

Регистрация

www.partskatalog.ru Все каталоги Запчасти Mercury Запчасти Suzuki Запчасти Tohatsu Запчасти Honda Контакты



УВАЖАЕМЫЕ КЛИЕНТЫ!
C 19 ДЕКАБРЯ 2025 ПО 02 МАРТА 2026 ГОДА ОТДЕЛ ЗАПЧАСТЕЙ И СЕРВИС РАБОТАТЬ НЕ БУДУТ
ПРОДАЖА ЛОДОЧНЫХ МОТОРОВ В ШТАТНОМ РЕЖИМЕ
ОБ ИЗМЕНЕНИЯХ В ГРАФИКЕ РАБОТЫ ЧИТАЙТЕ НА САЙТА



назад Раздел:   вперёд

Модификация Вашего двигателя:   Honda BF20D3 LHC
Модели с серийным номером двигателя от BEAMJ-1000001 до BEAMJ-9999999
Модели с серийным номером рамы от BAMJ-1000001 до BAMJ-1099999

Вернуться к выбору узлов мотора

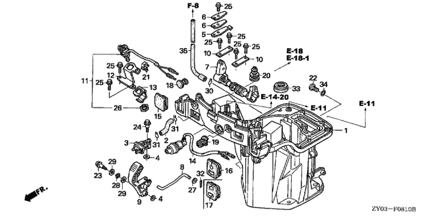
   Масляный картер / Переключающий вал (для моделей с румпелем)
Oil Case / Shift Shaft (handle Specification)      


ДЕТАЛИРОВКА ДЛЯ МОДЕЛИ: HONDA BF20D3

Подвесной fourstroke лодочный двигатель Honda BF20D3 - Масляный картер / Переключающий вал (для моделей с румпелем) - Oil Case / Shift Shaft (handle Specification)
Номер на
рисунке
АртикулНаименованиеКол-во
на складе
Цена
111321-ZY1-415ZA

Масляный кожух *nh282mu * (Case, oil *nh282mu *)

под заказ73390 руб. 
111321-ZY1-425ZA

(последний код) CASE, OIL *NH282MU *

под заказ73360 руб. 
216851-ZW9-000

Топливная трубка А (Tube a, fuel)

под заказ1180 руб. 
317710-ZW9-033

Топливный коннектор, в сборе (b) (Connector assy., fuel (b))

под заказ6760 руб. 
417936-921-000

Опорная шайба (Washer, pivot)

3 шт260 руб. 
524218-ZW9-000

Нажимная пружина (Spring, click)

2 шт1500 руб. 
624221-ZW9-010

Пружина с помощью при нажатии (Spring, click assist)

5 шт1740 руб. 
724611-ZW9-010

Переключающий вал (Shaft, shift)

1 шт2390 руб. 
824613-ZW9-000

Соеденительная тяга (Rod, link)

под заказ1490 руб. 
924614-ZW9-010

Рычаг переключателя (Lever, shift)

под заказ5400 руб. 
924614-ZW9-020

(последний код) LEVER, SHIFT

1 шт5400 руб. 
1024626-ZW9-010

Пластина переключающего вала (Plate, shift shaft)

под заказ460 руб. 
1437210-ZY1-003

Индикаторная лампа, в сборе (Lamp assy., indicator)

под заказ7000 руб. 
1540105-ZW9-010

Пыльник A масляного картера (Grommet a, oil case)

под заказ990 руб. 
1540105-ZW9-020

(последний код) GROMMET A, OIL CASE

5 шт990 руб. 
1640106-ZW9-630

Пыльник B масляного картера (Grommet b, oil case)

под заказ1400 руб. 
1940108-ZW9-000

Пыльник D масляного картера (Grommet d, oil case)

под заказ940 руб. 
2040109-ZW9-000

Пыльник E масляного картера (Grommet e, oil case)

1 шт990 руб. 
2290101-ZW9-003

Болт контроля уровня масла (Bolt, oil check)

под заказ790 руб. 
2390105-ZV1-000

Болт блокировки реверса (Bolt, reverse lock)

2 шт830 руб. 
2490112-ZY1-000

Специальный болт, 6x22 (ct200) (Bolt, special, 6x22 (ct200))

под заказ330 руб. 
2590113-ZW9-000

Фланцевый болт, 5x12 (ct200) (Bolt, flange, 5x12 (ct200))

под заказ270 руб. 
2590113-ZW9-020

(последний код) BOLT, FLANGE, 5X12 (CT200

под заказ270 руб. 
2790452-GK4-600

Плоская шайба, 5 мм (Washer, plain, 5mm)

под заказ250 руб. 
2890506-ZW9-000

Волнистая шайба, 10 мм (Washer, wave, 10mm)

под заказ230 руб. 
2990511-ZW9-000

Плоская шайба, 9 мм (Washer, plain, 9mm)

под заказ730 руб. 
3090603-ZV4-000

Зажим трубки (b10) (Clip, tube (b10))

под заказ270 руб. 
3190604-ZV0-000

Зажим трубки (b12) (Clip, tube (b12))

под заказ150 руб. 
3290759-ZV1-000

Стопорный шплинт, 2.0 (Pin, split, 2.0)

2 шт230 руб. 
3391202-ZY1-003

Сальник, 15x28x6 (Seal, water, 15x28x6)

под заказ2170 руб. 
3391202-ZY1-013

(последний код) SEAL, WATER, 15X28X6

1 шт2170 руб. 
3491301-216-000

Уплотнительное кольцо, 5.5x1.5 (O-ring, 5.5x1.5)

7 шт150 руб. 
3591402-ZW9-000

Трубка контроля воды (Tube, water check)

под заказ870 руб. 

Время выполнения запроса 1.5881690979004 сек.

 
 

данный сайт носит информационный характер и не является публичной офертой

склад запчастей для водомоторной техники