вконтакте

Контактный телефон: +7 (981) 121-46-93, +7 (800) 200-90-76 , Email: parts-katalog@yandex.ru, где купить

 
 

  Логин:

Пароль:

Регистрация

www.partskatalog.ru Все каталоги Запчасти Mercury Запчасти Suzuki Запчасти Tohatsu Запчасти Honda Контакты

назад Раздел:   вперёд

Модификация Вашего двигателя:   Honda BF20AX LHSD
Модели с серийным номером двигателя от BAHE-1000001 до BAHE-1999999
Модели с серийным номером рамы от BAHL-2000001 до BAHL-2099999

Вернуться к выбору узлов мотора

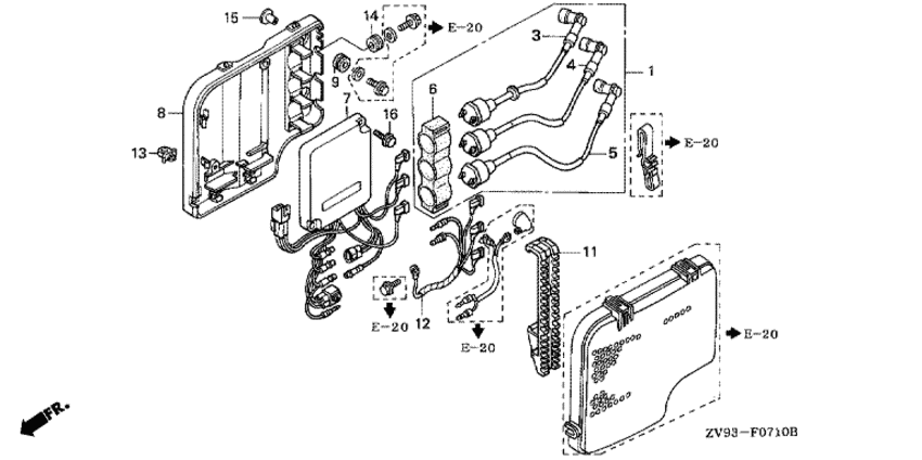
   Катушка зажигания / Блок управления C.D.I.
Ignition Coil / C.d.i. Unit      


ДЕТАЛИРОВКА ДЛЯ МОДЕЛИ: HONDA BF20AX

Подвесной  лодочный мотор HONDA BF20AX - Ignition Coil / C.d.i. Unit - Катушка зажигания / Блок управления C.D.I.
Номер на
рисунке
АртикулНаименованиеКол-во
на складе
Цена
130500-ZV7-003

Катушка зажигания, в сборе (Coil assy., ignition)

под заказ11040 руб. 
130500-ZW2-F01

(последний код) COIL ASSY., IGNITION

под заказ12910 руб. 
330511-ZV7-003

Катушка зажигания, комплект (1) (Coil comp., ignition (1))

под заказ4670 руб. 
430512-ZV7-003

Катушка зажигания, комплект (2) (Coil comp., ignition (2))

под заказ4670 руб. 
530513-ZV7-003

Катушка зажигания, комплект (3) (Coil comp., ignition (3))

под заказ4010 руб. 
530513-ZW2-F01

(последний код) COIL COMP., IGNITION (3)

под заказ4670 руб. 
630516-ZV5-003

Подвес катушки зажигания (Suspension, ignition coil)

1 шт1600 руб. 
730580-ZV7-003

Блок управления C.D.I. (C.d.i. unit)

под заказ103060 руб. 
830587-ZV5-003

Корпус модуля C.D.I. (Case, c.d.i. unit)

под заказ7560 руб. 
930598-ZV5-000

Пыльник корпуса модуля C.D.I. (b) (Grommet, c.d.i. unit case (b))

под заказ910 руб. 
1132106-ZV5-000

Кронштейн коннектора (a) (Bracket, connector (a))

под заказпо запросу 
1232610-ZV7-750

Провод ЗЕМЛЯ (Cord assy., earth)

под заказпо запросу 
1332805-413-000

Зажим кабеля мигающего светового сигнала (Clip, winker cord)

под заказ110 руб. 
1440102-ZV5-000

Пыльник под корпусом (Grommet, under case)

под заказ430 руб. 
1591553-ZV5-000

Воротниковая втулка корпуса модуля C.D.I. (Collar, c.d.i. unit case)

под заказ580 руб. 
1695701-0602002

Фланцевый болт, 6x20 (Bolt, flange, 6x20)

под заказ180 руб. 

Время выполнения запроса 0.76489496231079 сек.

 
 

данный сайт носит информационный характер и не является публичной офертой

склад запчастей для водомоторной техники