вконтакте

Контактный телефон: +7 (981) 121-46-93, +7 (800) 200-90-76 , Email: parts-katalog@yandex.ru, где купить

 
 

  Логин:

Пароль:

Регистрация

www.partskatalog.ru Все каталоги Запчасти Mercury Запчасти Suzuki Запчасти Tohatsu Запчасти Honda Контакты

назад Раздел:   вперёд

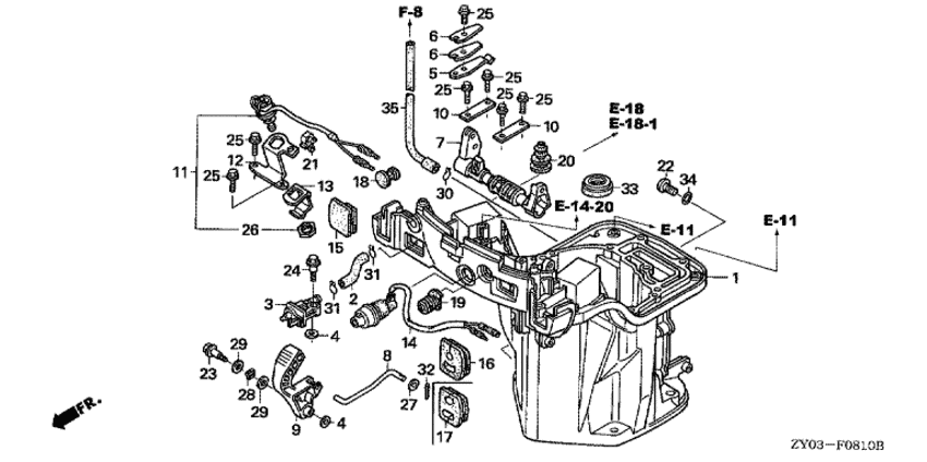
Модификация Вашего двигателя:   Honda BF15D3 XRTU
Модели с серийным номером двигателя от BEALJ-1000001 до BEALJ-
Модели с серийным номером рамы от BALJ-1000001 до BALJ-

Вернуться к выбору узлов мотора

   Масляный картер / Переключающий вал (для моделей с румпелем)
Oil Case / Shift Shaft (handle Specification)      


ДЕТАЛИРОВКА ДЛЯ МОДЕЛИ: HONDA BF15D3

Подвесной четырёх-тактный лодочный мотор BF15D3 - Масляный картер / Переключающий вал (для моделей с румпелем) / Oil Case / Shift Shaft (handle Specification)

Время выполнения запроса 0.24514889717102 сек.

 
 

данный сайт носит информационный характер и не является публичной офертой

склад запчастей для водомоторной техники