Контактный телефон: +7 (981) 121-46-93, +7 (800) 200-90-76 , Email: parts-katalog@yandex.ru, где купить |
Модификация Вашего двигателя: Honda BF15D3 LRTC Вернуться к выбору узлов мотора Двигатель стартера |
|||||||||||||||||||||||||||||||||||||||||||||||||||||||||||||||||||||||||||||||||||||||||||||||||||||||||||||||||||||||||||||||||||||||||||||||||||||||||||||||||||||||||||||||||||||||||||||||||||||||
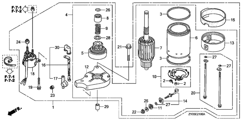
| Номер на рисунке | Артикул | Наименование | Кол-во на складе | Цена | |
| 1 | 31200-ZY1-802 | Электростартер, в сборе (Motor assy., starter) | под заказ | 146830 руб. | |
| 2 | 31204-KS5-901 | Пружина угольной щётки (Spring, carbon brush) | под заказ | 480 руб. | |
| 3 | 31207-KS5-901 | Кольцо (Ring) | под заказ | 660 руб. | |
| 4 | 31210-ZY1-801 | Двигатель электростартера, в сборе (Motor unit, starter) | под заказ | 112430 руб. | |
| 5 | 31214-ZV7-751 | Сцепление (Clutch comp.) | под заказ | 27640 руб. | |
| 6 | 31216-ZV4-811 | Обойма (Yoke comp.) | под заказ | 32940 руб. | |
| 7 | 31217-ZV4-812 | Ротор (Rotor comp) | под заказ | 59830 руб. | |
| 8 | 31221-ZV4-811 | Часть стопора (Piece, stopper) | под заказ | 2140 руб. | |
| 9 | 31223-ZV4-811 | Возвратная пружина (Spring, return) | под заказ | 1110 руб. | |
| 10 | 31231-ZV4-811 | Держатель щётки, комплект (Holder comp., brush) | под заказ | 9840 руб. | |
| 11 | 31233-ZV4-811 | Изолятор (Insulator) | под заказ | 1490 руб. | |
| 12 | 31235-ZW9-801 | Кронштейн, передний (Bracket comp., fr.) | под заказ | 23910 руб. | |
| 13 | 31236-ZV4-811 | Кронштейн, задний (Bracket, rr.) | под заказ | 14350 руб. | |
| 14 | 31238-ZV4-812 | Оконечное устройство (Terminal unit) | под заказ | 3180 руб. | |
| 15 | 31258-ZY1-000 | Подвес стартера (Suspension, starter) | под заказ | 2280 руб. | |
| 16 | 32402-ZY1-801 | Провод магнитного переключателя (Cord, magnet switch) | под заказ | 1890 руб. | |
| 17 | 32411-ZV4-811 | Колпачок оконечного устройства (Cover, starter terminal) | под заказ | 380 руб. | |
| 18 | 35850-ZY1-801 | Выключатель магнитного переключателя, в сборе (Switch assy., starter magnetic) | под заказ | 15370 руб. | |
| 19 | 90002-ZY1-000 | Фланцевый болт, 6x14 (Bolt, flange, 6x14) | под заказ | 330 руб. | |
| 20 | 90012-ZV4-812 | Комплект установочных болтов (Bolt set, setting) | под заказ | 1180 руб. | |
| 21 | 90022-ZW9-000 | Фланцевый болт, 8x45 (Bolt, flange, 8x45) | под заказ | 530 руб. | |
| 22 | 90203-ZV4-811 | Гайка с шайбой, 6 мм (Nut-washer, 6mm) | под заказ | 680 руб. | |
| 23 | 90203-ZY1-801 | Блокирующая гайка, 6 мм (Nut, lock, 6mm) | под заказ | 790 руб. | |
| 24 | 90204-ZY1-003 | Блокирующая гайка, 6 мм (Nut, lock, 6mm) | под заказ | 790 руб. | |
| 25 | 90405-ZV4-811 | Шайба, 6 мм (Washer, 6mm) | под заказ | 440 руб. | |
| 26 | 90602-ZV4-811 | Стопорное кольцо, 14 мм (Circlip, 14mm) | под заказ | 90 руб. | |
| 27 | 91320-MB0-000 | Уплотнительное кольцо (O-ring) | под заказ | 420 руб. | |
| 28 | 91401-ZV4-811 | Шайба (Washer) | под заказ | 550 руб. | |
| 29 | 94301-10120 | Шпонка (Dowel pin) | под заказ | 270 руб. | |
| 30 | 32412-ZY1-801 | Крышка клеммы магнитного переключателя (Cover, magnetic switch terminal) | под заказ | 950 руб. | |
Время выполнения запроса 0.87541913986206 сек.
склад запчастей для водомоторной техники