вконтакте

Контактный телефон: +7 (981) 121-46-93, +7 (800) 200-90-76 , Email: parts-katalog@yandex.ru, где купить

 
 

  Логин:

Пароль:

Регистрация

www.partskatalog.ru Все каталоги Запчасти Mercury Запчасти Suzuki Запчасти Tohatsu Запчасти Honda Контакты



УВАЖАЕМЫЕ КЛИЕНТЫ!
C 19 ДЕКАБРЯ 2025 ПО 02 МАРТА 2026 ГОДА ОТДЕЛ ЗАПЧАСТЕЙ И СЕРВИС РАБОТАТЬ НЕ БУДУТ
ПРОДАЖА ЛОДОЧНЫХ МОТОРОВ В ШТАТНОМ РЕЖИМЕ
ОБ ИЗМЕНЕНИЯХ В ГРАФИКЕ РАБОТЫ ЧИТАЙТЕ НА САЙТА



назад Раздел:   вперёд

Модификация Вашего двигателя:   Honda BF15D3 LRE
Модели с серийным номером двигателя от BEALJ-1000001 до BEALJ-9999999
Модели с серийным номером рамы от BALJ-1000001 до BALJ-1099999

Вернуться к выбору узлов мотора

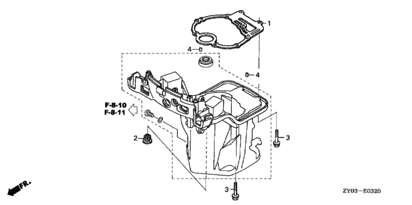
   Прокладка масляного насоса
Oil Pan Packing      


ДЕТАЛИРОВКА ДЛЯ МОДЕЛИ: HONDA BF15D3

Двигатель Honda BF15D3 - Прокладка масляного насоса - Oil Pan Packing
Номер на
рисунке
АртикулНаименованиеКол-во
на складе
Цена
111381-ZW9-003

Прокладка масляного поддона (Packing, oil pan)

4 шт2510 руб. 
219252-ZW9-000

Пыльник водяной трубки (Grommet, water tube)

под заказ870 руб. 
390008-ZW9-000

Фланцевый болт, 8x35 (Bolt, flange, 8x35)

под заказ900 руб. 
494301-06100

Шпонка (Dowel pin)

1 шт230 руб. 

Время выполнения запроса 7.4450998306274 сек.

 
 

данный сайт носит информационный характер и не является публичной офертой

склад запчастей для водомоторной техники