Контактный телефон: +7 (981) 121-46-93, +7 (800) 200-90-76 , Email: parts-katalog@yandex.ru, где купить |
Модификация Вашего двигателя: Honda BF15AH SCS Вернуться к выбору узлов мотора Поворотный корпус / Монтажная рама |
|||||||||||||||||||||||||||||||||||||||||||||||||||||||||||||||||||||||||||||||||||||||||||||||||||||||||||||||||||||||||||||||||||||||||||||||||||||||||||||||||||||||||||||||||||||||||||||||||||||||||||||||||||||||||||||||||||||||||||||||||||||||||||||||||||||||||||||||||||||||||||||||||
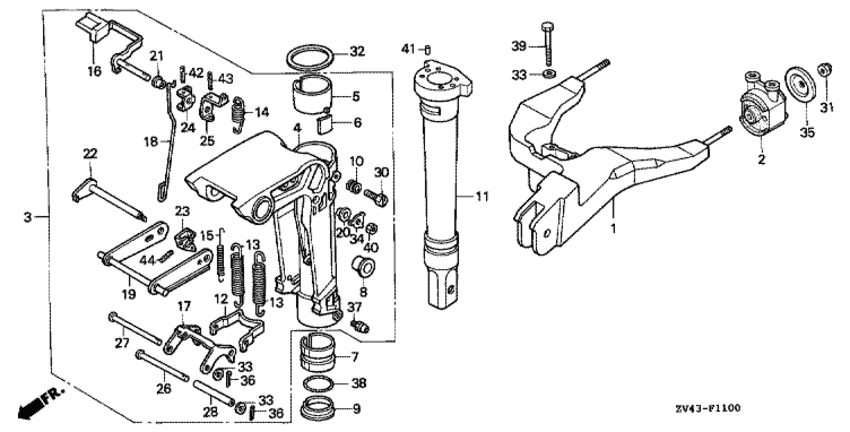
| Номер на рисунке | Артикул | Наименование | Кол-во на складе | Цена | |
| 1 | 50100-ZV4-000ZA | Монтажная рама *nh210mc * (Frame comp., mounting *nh210mc *) | под заказ | 28150 руб. | |
| 2 | 50151-ZV4-000ZA | Верхняя монтажная резинка *nh210mc * (Mount comp., upper rubber *nh210mc *) | под заказ | 6340 руб. | |
| 3 | 50200-ZV4-000ZA | Поворотный корпус, в сборе *nh210mc * (Case assy., swivel *nh210mc *) | под заказ | по запросу | |
| 4 | 50201-ZV4-000ZA | Поворотный корпус *nh210mc * (Case, swivel *nh210mc *) | под заказ | по запросу | |
| 5 | 50211-ZV4-000 | Гильза поворотного корпуса (Liner, swivel case) | под заказ | 1040 руб. | |
| 6 | 50212-ZV4-000 | Фрикционный блок (Block, friction) | под заказ | 870 руб. | |
| 7 | 50213-ZV4-000 | Втулка поворотного вала (Bush, swivel shaft) | под заказ | 970 руб. | |
| 8 | 50214-ZV4-003 | Втулка поворотного корпуса (Bush, swivel case) | 4 шт | 1010 руб. | |
| 9 | 50215-ZV4-000 | Воротник поворотного корпуса (Collar, swivel case) | под заказ | 630 руб. | |
| 10 | 50233-881-000 | Пружина регулировки трения (Spring, friction adjusting) | под заказ | 510 руб. | |
| 11 | 50417-ZV4-000ZA | Поворотный вал *nh210mc * (Shaft, swivel *nh210mc *) | под заказ | по запросу | |
| 12 | 50512-ZV4-000 | Зацеп блокировки реверса (Hook, reverse lock) | под заказ | по запросу | |
| 13 | 50514-ZV4-000 | Пружина блокировки задней передачи (Spring, reverse lock) | под заказ | 1790 руб. | |
| 14 | 50515-ZV4-300 | Пружина рычага наклона (Spring, tilt lever) | под заказ | 800 руб. | |
| 15 | 50516-ZV4-300 | Пружина тяги наклона (Spring, tilt link) | 2 шт | 760 руб. | |
| 16 | 50517-ZV4-000 | Рычаг наклона (Lever, tilt) | под заказ | по запросу | |
| 17 | 50518-ZV4-000 | Рычаг блокировки реверса (Arm, reverse lock) | под заказ | по запросу | |
| 18 | 50519-ZV4-300 | Тяга освобождения поворота двигателя (Rod, release swivel case) | под заказ | 1330 руб. | |
| 19 | 50520-ZV4-000 | Плечо наклона (Arm comp., tilt) | под заказ | 7880 руб. | |
| 19 | 50520-ZV4-010 | (последний код) ARM COMP., TILT | под заказ | 7880 руб. | |
| 20 | 50521-ZV1-000 | Втулка рычага наклона (Bush, tilt lever) | под заказ | 890 руб. | |
| 21 | 50522-ZV4-000 | Втулка рычага наклона (Bush, tilt lever) | 11 шт | 650 руб. | |
| 22 | 50525-ZV4-000 | Вал наклона двигателя (Shaft comp., tilt) | под заказ | 3900 руб. | |
| 22 | 50525-ZV4-010 | (последний код) SHAFT COMP., TILT | 1 шт | 3900 руб. | |
| 23 | 50526-ZV4-000 | Кронштейн вала наклона двигателя (Bracket, tilt shaft) | под заказ | 1320 руб. | |
| 24 | 50527-ZV4-000 | Кронштейн освобождающей тяги (Bracket, release rod) | под заказ | по запросу | |
| 25 | 50528-ZV4-000 | Кронштейн рычага наклона (Bracket, tilt lever) | под заказ | 970 руб. | |
| 26 | 50531-ZV4-000 | Вал блокировки задней передачи (a) (Shaft, reverse lock (a)) | под заказ | по запросу | |
| 27 | 50532-ZV4-000 | Вал блокировки задней передачи (b) (Shaft, reverse lock (b)) | под заказ | 1220 руб. | |
| 28 | 50533-ZV4-000 | Воротник блокировки реверса (Collar, reverse lock) | под заказ | по запросу | |
| 30 | 90109-ZV4-000 | Специальный болт, 8x20 (Bolt, special, 8x20) | под заказ | 500 руб. | |
| 31 | 90305-ZV4-000 | Гайка с замком, 8 мм (Nut, self-lock, 8mm) | под заказ | 550 руб. | |
| 32 | 90504-ZV4-000 | Упорная шайба, 51 мм (Washer, thrust, 51mm) | под заказ | 340 руб. | |
| 33 | 90504-921-010 | Плоская шайба, 6 мм (Washer, plain, 6mm) | 6 шт | 330 руб. | |
| 34 | 90505-ZV4-000 | Шайба с блокировкой (Washer, lock) | под заказ | 590 руб. | |
| 35 | 90513-ZV4-000 | Плоская шайба, 8 мм (Washer, plain, 8mm) | под заказ | по запросу | |
| 36 | 90759-ZV1-000 | Стопорный шплинт, 2.0 (Pin, split, 2.0) | 2 шт | 230 руб. | |
| 37 | 90901-ZV4-000 | Ниппель смазки (Nipple, grease) | под заказ | 320 руб. | |
| 38 | 91356-MG9-003 | Уплотнительное кольцо (O-ring) | под заказ | 520 руб. | |
| 39 | 92101-06045-4J | Болт под шестигранник., 6x45 (Bolt, hex., 6x45) | под заказ | 380 руб. | |
| 40 | 94002-064900S | Шестигранная гайка, 6 мм (Nut, hex., 6mm) | под заказ | 150 руб. | |
| 41 | 94303-06100 | Шпонка (Dowel pin) | под заказ | 230 руб. | |
| 42 | 94305-25223 | Стопор пружины, 2.5x22 (Pin, spring, 2.5x22) | под заказ | 350 руб. | |
| 43 | 94305-25253 | Стопор пружины, 2.5x25 (Pin, spring, 2.5x25) | под заказ | 230 руб. | |
| 44 | 94305-30253 | Стопор пружины, 3x25 (Pin, spring, 3x25) | под заказ | 90 руб. | |
Время выполнения запроса 5.5979700088501 сек.
склад запчастей для водомоторной техники