вконтакте

Контактный телефон: +7 (981) 121-46-93, +7 (800) 200-90-76 , Email: parts-katalog@yandex.ru, где купить

 
 

  Логин:

Пароль:

Регистрация

www.partskatalog.ru Все каталоги Запчасти Mercury Запчасти Suzuki Запчасти Tohatsu Запчасти Honda Контакты



УВАЖАЕМЫЕ КЛИЕНТЫ!
C 19 ДЕКАБРЯ 2025 ПО 02 МАРТА 2026 ГОДА ОТДЕЛ ЗАПЧАСТЕЙ И СЕРВИС РАБОТАТЬ НЕ БУДУТ
ПРОДАЖА ЛОДОЧНЫХ МОТОРОВ В ШТАТНОМ РЕЖИМЕ
ОБ ИЗМЕНЕНИЯХ В ГРАФИКЕ РАБОТЫ ЧИТАЙТЕ НА САЙТА



назад Раздел:   вперёд

Модификация Вашего двигателя:   Honda BFP10B2 LRG; Power Thrust
Модели с серийным номером двигателя от BEABJ-1000001 до BEABJ-1999999
Модели с серийным номером рамы от BADJ-1100001 до BADJ-9999999

Вернуться к выбору узлов мотора

   Соединение выхлопного шланга
Water Hose Joint      


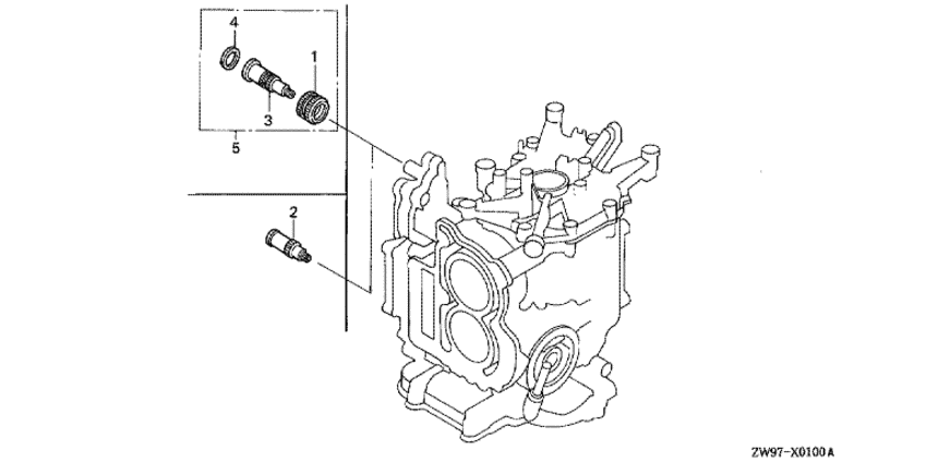
ДЕТАЛИРОВКА ДЛЯ МОДЕЛИ: HONDA BFP10B2

Подвесной четырёх тактный двигатель BFP10B2 - Water Hose Joint - Соединение выхлопного шланга
Номер на
рисунке
АртикулНаименованиеКол-во
на складе
Цена
119270-881-812

Гайка, ввод воды (Nut, water mouth)

под заказ2440 руб. 
219271-ZV1-000

Соеденитель водяной трубки (Joint, water hose)

3 шт1830 руб. 
319271-ZV1-810

Соеденитель водяной трубки (Joint, water hose)

под заказ1560 руб. 
419272-881-810

Гнездо, ввод воды (Seat, water mouth)

под заказ440 руб. 
506190-ZV1-860

Комплект для подключения шланга с водой (Joint kit, water hose)

под заказ4280 руб. 

Время выполнения запроса 0.58280611038208 сек.

 
 

данный сайт носит информационный характер и не является публичной офертой

склад запчастей для водомоторной техники