Контактный телефон: +7 (981) 121-46-93, +7 (800) 200-90-76 , Email: parts-katalog@yandex.ru, где купить |
Модификация Вашего двигателя: Honda BF10B2 SG Вернуться к выбору узлов мотора Комплект зарядной катушки |
|||||||||||||||||||||||||||||||||||||||||||||||||||||||||||||||||||||||||||||||||||||||||||||||||||||||||||||||||||||||||||||||||||||||||||||||||||||||||||||||||||||||||||||||||||||||||||
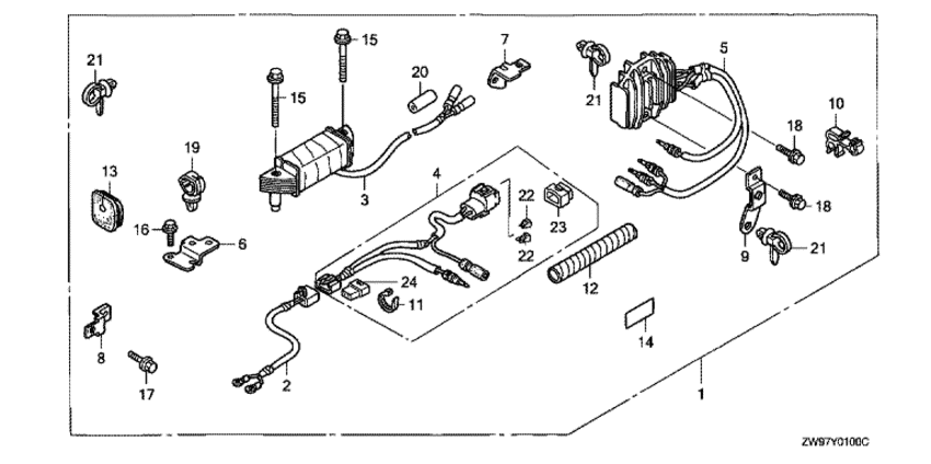
| Номер на рисунке | Артикул | Наименование | Кол-во на складе | Цена | |
| 1 | 06316-ZW9-000 | Комплект катушки, charge (6a) (Coil kit, charge (6a)) | под заказ | 38410 руб. | |
| 1 | 06316-ZW9-010 | (последний код) KIT,CHARGE COIL(6 | под заказ | 38410 руб. | |
| 2 | 31575-ZW9-000 | Кабель заряда аккумуляторной батареи (Cord assy., battery charge) | под заказ | 8340 руб. | |
| 3 | 31630-ZW9-901 | Зарядная катушка (6a) (Coil assy., charge (6a)) | под заказ | 9960 руб. | |
| 3 | 31630-ZW9-902 | Зарядная катушка (6a) (Coil assy., charge (6a)) | под заказ | 9960 руб. | |
| 4 | 31650-ZW9-000 | Зарядная розетка, в сборе (Receptacle assy., charge) | под заказ | 7360 руб. | |
| 5 | 31750-ZW9-003 | Выпрямитель-регулятор, в сборе (Rectifier assy., regulator) | под заказ | 20600 руб. | |
| 5 | 31750-ZW9-013 | (последний код) RECTIFIER ASSY., REGULATO | под заказ | 20600 руб. | |
| 6 | 32112-ZW9-000 | Кронштейн кабеля стартера (Bracket, starter cable) | под заказ | 910 руб. | |
| 7 | 32115-ZW9-000 | Кронштейн корпуса предохранителя (Bracket, fuse case) | под заказ | 720 руб. | |
| 8 | 32117-ZW9-000 | Кронштейн муфты d (Bracket, coupler d) | под заказ | 1340 руб. | |
| 9 | 32118-ZW9-730 | Кронштейн зажима e (Bracket, clip e) | под заказ | 820 руб. | |
| 10 | 32765-PD6-000 | Зажим распределителя шнура (Clamp, distributor cord) | под заказ | 460 руб. | |
| 11 | 32901-952-770 | Хомут кабеля (natural 2.4x92) (Tie, cable (natural 2.4x92)) | под заказ | 40 руб. | |
| 12 | 36104-ZW9-003 | Спиральная трубка A (Tube, spiral a) | под заказ | 1320 руб. | |
| 13 | 40106-ZW9-630 | Пыльник B масляного картера (Grommet b, oil case) | под заказ | 1400 руб. | |
| 14 | 87512-ZV4-A21 | Маркировка - резервуар (6a) (Mark, receptacle (6a)) | 2 шт | 670 руб. | |
| 15 | 90006-ZW9-000 | Фланцевый болт, 6x52 (ct200) (Bolt, flange, 6x52 (ct200)) | под заказ | 590 руб. | |
| 16 | 90011-ZW9-000 | Фланцевый болт, 6x14 (ct200) (Bolt, flange, 6x14 (ct200)) | под заказ | 370 руб. | |
| 17 | 90102-ZW9-000 | Фланцевый болт, 6x12 (Bolt, flange, 6x12) | 5 шт | 460 руб. | |
| 18 | 90114-ZW9-000 | Фланцевый болт, 6x26 (ct200) (Bolt, flange, 6x26 (ct200)) | под заказ | 420 руб. | |
| 18 | 90114-ZW9-020 | (последний код) BOLT, FLANGE, 6X26 (CT200 | под заказ | 490 руб. | |
| 19 | 90691-ZB7-003 | Зажим под жгут проводов (Clip, harness) | под заказ | 340 руб. | |
| 20 | 91404-ZW9-000 | Резиновая трубка, 11.5x14.5 (Tube, rubber, 11.5x14.5) | под заказ | 330 руб. | |
| 21 | 91540-S30-003 | Зажим (Clip) | под заказ | 610 руб. | |
| 22 | 98200-32000 | Предохранитель (Fuse) | под заказ | 70 руб. | |
| 23 | 38218-ZW9-003 | Крышка предохранителя (20a) (Cover assy., fuse (20a)) | под заказ | 1560 руб. | |
| 24 | 32521-ZW9-000 | Временный переходник (Coupler, dummy) | 2 шт | 910 руб. | |
Время выполнения запроса 1.6534521579742 сек.
склад запчастей для водомоторной техники