вконтакте

Контактный телефон: +7 (981) 121-46-93, +7 (800) 200-90-76 , Email: parts-katalog@yandex.ru, где купить

 
 

  Логин:

Пароль:

Регистрация

www.partskatalog.ru Все каталоги Запчасти Mercury Запчасти Suzuki Запчасти Tohatsu Запчасти Honda Контакты

назад Раздел:   вперёд

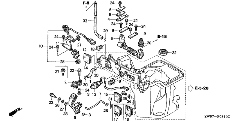
Модификация Вашего двигателя:   Honda BF10B2 LRG
Модели с серийным номером двигателя от BEABJ-1000001 до BEABJ-1999999
Модели с серийным номером рамы от BADJ-1100001 до BADJ-9999999

Вернуться к выбору узлов мотора

   Переключающий вал (для моделей с румпелем)
Shift Shaft (handle Specification)      


ДЕТАЛИРОВКА ДЛЯ МОДЕЛИ: HONDA BF10B2

Подвесной  лодочный двигатель Хонда BF10B2 - Переключающий вал (для моделей с румпелем) / Shift Shaft (handle Specification)

Время выполнения запроса 0.23756504058838 сек.

 
 

данный сайт носит информационный характер и не является публичной офертой

склад запчастей для водомоторной техники