вконтакте

Контактный телефон: +7 (981) 121-46-93, +7 (800) 200-90-76 , Email: parts-katalog@yandex.ru, где купить

 
 

  Логин:

Пароль:

Регистрация

www.partskatalog.ru Все каталоги Запчасти Mercury Запчасти Suzuki Запчасти Tohatsu Запчасти Honda Контакты



УВАЖАЕМЫЕ КЛИЕНТЫ!
C 19 ДЕКАБРЯ 2025 ПО 02 МАРТА 2026 ГОДА ОТДЕЛ ЗАПЧАСТЕЙ И СЕРВИС РАБОТАТЬ НЕ БУДУТ
ПРОДАЖА ЛОДОЧНЫХ МОТОРОВ В ШТАТНОМ РЕЖИМЕ
ОБ ИЗМЕНЕНИЯХ В ГРАФИКЕ РАБОТЫ ЧИТАЙТЕ НА САЙТА



назад Раздел:   вперёд

Модификация Вашего двигателя:   Honda BF10D2 SRD
Модели с серийным номером двигателя от BEABJ-1000001 до BEABJ-1999999
Модели с серийным номером рамы от BABJ-1100001 до BABJ-1199999

Вернуться к выбору узлов мотора

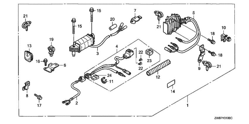
   Комплект зарядной катушки
Charge Coil Kit      


ДЕТАЛИРОВКА ДЛЯ МОДЕЛИ: HONDA BF10D2

Подвесной  лодочный двигатель BF10D2 - Charge Coil Kit - Комплект зарядной катушки

Время выполнения запроса 0.2170250415802 сек.

 
 

данный сайт носит информационный характер и не является публичной офертой

склад запчастей для водомоторной техники