Контактный телефон: +7 (981) 121-46-93, +7 (800) 200-90-76 , Email: parts-katalog@yandex.ru, где купить |
Модификация Вашего двигателя: Honda BF10D4 LRU Вернуться к выбору узлов мотора Поворотный корпус (2) |
|||||||||||||||||||||||||||||||||||||||||||||||||||||||||||||||||||||||||||||||||||||||||||||||||||||||||||||||||||||||||||||||||||||||||||||||||||||||||||||||||||||||||||||||||||||||||||||||||||||||||||||||||||||||||||||||||||||||||||||||||||||||||||||||||||||||||||||||||||||||||||||||||||||||||||||||||||
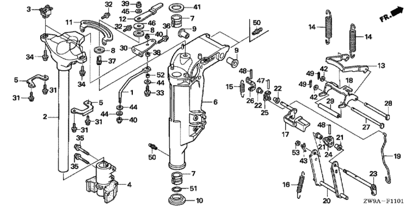
| Номер на рисунке | Артикул | Наименование | Кол-во на складе | Цена | |
| 1 | 17853-ZV5-000 | Рулевая тяга (Rod, steering) | 1 шт | 13720 руб. | |
| 2 | 50100-ZW9-630 | Монтажная рама (l) (Frame comp., mounting (l)) | под заказ | 37020 руб. | |
| 3 | 50150-ZY1-000 | Резинка, смонтированная сверху (Rubber comp., upper mounting) | под заказ | 4040 руб. | |
| 4 | 50152-ZW9-000 | Резинка, смонтированная снизу (Rubber comp., lower mounting) | под заказ | 13610 руб. | |
| 5 | 50153-ZW9-000 | Крышка верхней резинки (Cover, upper mounting rubber) | под заказ | 990 руб. | |
| 6 | 50201-ZW9-830ZA | Поворотный корпус (l) *nh282mu * (Case, swivel (l) *nh282mu *) | под заказ | 36680 руб. | |
| 6 | 50201-ZW9-831ZA | Поворотный корпус (l) *nh282mu * (Case, swivel (l) *nh282mu *) | под заказ | по запросу | |
| 6 | 50201-ZW9-832ZA | Поворотный корпус (l) *nh282mu * (Case, swivel (l) *nh282mu *) | под заказ | по запросу | |
| 7 | 50211-ZW9-000 | Гильза поворотного корпуса (Liner, swivel case) | 4 шт | 1280 руб. | |
| 9 | 50214-ZV5-003 | Втулка поворотного корпуса (Bush, swivel case) | 3 шт | 1210 руб. | |
| 10 | 50215-ZW9-000 | Воротник поворотного корпуса (Collar, swivel case) | под заказ | 760 руб. | |
| 13 | 50512-ZW9-010 | Зацеп блокировки реверса (Hook, reverse lock) | 1 шт | 3350 руб. | |
| 14 | 50514-ZW9-A30 | Пружина блокировки задней передачи (Spring, reverse lock) | под заказ | 4310 руб. | |
| 15 | 50515-ZW9-300 | Пружина рычага наклона (Spring, tilt lever) | 2 шт | 680 руб. | |
| 16 | 50516-ZV4-300 | Пружина тяги наклона (Spring, tilt link) | 2 шт | 760 руб. | |
| 17 | 50517-ZW9-A32 | Рычаг наклона (Lever comp., tilt) | под заказ | 11440 руб. | |
| 18 | 50518-ZW9-000 | Рычаг блокировки реверса (Arm, reverse lock) | 1 шт | 3930 руб. | |
| 19 | 50519-ZW9-A30 | Тяга освобождения поворота двигателя (Rod, release swivel case) | под заказ | 1420 руб. | |
| 20 | 50520-ZW9-A31 | Плечо наклона (Arm comp., tilt) | под заказ | 12460 руб. | |
| 21 | 50521-ZV1-000 | Втулка рычага наклона (Bush, tilt lever) | под заказ | 890 руб. | |
| 22 | 50522-ZV4-000 | Втулка рычага наклона (Bush, tilt lever) | 11 шт | 650 руб. | |
| 23 | 50525-ZV4-010 | Вал наклона двигателя (Shaft comp., tilt) | 1 шт | 3900 руб. | |
| 24 | 50526-ZV4-000 | Кронштейн вала наклона двигателя (Bracket, tilt shaft) | под заказ | 1320 руб. | |
| 25 | 50527-ZV4-010 | Кронштейн освобождающей тяги (Bracket, release rod) | под заказ | 960 руб. | |
| 26 | 50528-ZV4-010 | Кронштейн рычага наклона (Bracket, tilt lever) | 4 шт | 960 руб. | |
| 27 | 50531-ZV7-000 | Вал блокировки задней передачи (a) (Shaft, reverse lock (a)) | под заказ | 1660 руб. | |
| 28 | 50532-ZV4-000 | Вал блокировки задней передачи (b) (Shaft, reverse lock (b)) | под заказ | 1220 руб. | |
| 29 | 50533-ZW9-000 | Воротник блокировки реверса (Collar, reverse lock) | под заказ | 1640 руб. | |
| 30 | 53234-ZW9-830 | Пластина рулевого управления (Plate, steering) | 1 шт | 5030 руб. | |
| 31 | 90102-ZW9-000 | Фланцевый болт, 6x12 (Bolt, flange, 6x12) | 5 шт | 460 руб. | |
| 33 | 90105-ZV5-000 | Болт (3 / 8-24 unf) (Bolt (3/8-24 unf)) | под заказ | 980 руб. | |
| 34 | 90154-ZW9-000 | Фланцевый болт, 10x25 (Bolt, flange, 10x25) | под заказ | 680 руб. | |
| 35 | 90159-ZW9-000 | Фланцевый болт, 8x45 (Bolt, flange, 8x45) | под заказ | 730 руб. | |
| 36 | 90161-ZW9-830 | Фланцевый болт, 10x20 (Bolt, flange, 10x20) | 4 шт | 680 руб. | |
| 38 | 90302-ZV5-000 | Гайка, (3 / 8-24 unf) (Nut, (3/8-24 unf)) | под заказ | 2050 руб. | |
| 40 | 90307-ZV5-003 | Гайка с замком (3 / 8-24unf) (Nut, self-lock (3/8-24unf)) | под заказ | 860 руб. | |
| 41 | 90454-881-000 | Упорная шайба (Washer, thrust) | под заказ | 420 руб. | |
| 42 | 90504-921-010 | Плоская шайба, 6 мм (Washer, plain, 6mm) | 6 шт | 330 руб. | |
| 43 | 90505-ZV4-000 | Шайба с блокировкой (Washer, lock) | под заказ | 590 руб. | |
| 44 | 90514-ZV4-000 | Шайба, 10 мм (Washer, 10mm) | под заказ | 420 руб. | |
| 47 | 90751-ZV4-C21 | Стопор пружины, 3.0x22 (Pin, spring, 3.0x22) | 3 шт | 280 руб. | |
| 48 | 90752-ZV4-C21 | Стопор пружины, 3.0x25 (Pin, spring, 3.0x25) | 2 шт | 280 руб. | |
| 49 | 90759-ZV1-000 | Стопорный шплинт, 2.0 (Pin, split, 2.0) | 2 шт | 230 руб. | |
| 50 | 90951-ZV7-010 | Ниппель смазки (Nipple, grease) | 5 шт | 460 руб. | |
| 51 | 91361-VD6-003 | Уплотнительное кольцо, 34x2.4 (O-ring, 34x2.4) | под заказ | 360 руб. | |
| 52 | 91560-ZV5-000 | Воротник рулевой тяги (Collar, steering rod) | 1 шт | 490 руб. | |
| 53 | 94002-064900S | Шестигранная гайка, 6 мм (Nut, hex., 6mm) | под заказ | 150 руб. | |
| 2 | 50100-ZW9-631 | Монтажная рама (l) (Frame comp., mounting (l)) | под заказ | 37020 руб. | |
Время выполнения запроса 0.66238403320312 сек.
склад запчастей для водомоторной техники