вконтакте

Контактный телефон: +7 (981) 121-46-93, +7 (800) 200-90-76 , Email: parts-katalog@yandex.ru, где купить

 
 

  Логин:

Пароль:

Регистрация

www.partskatalog.ru Все каталоги Запчасти Mercury Запчасти Suzuki Запчасти Tohatsu Запчасти Honda Контакты



УВАЖАЕМЫЕ КЛИЕНТЫ!
C 19 ДЕКАБРЯ 2025 ПО 02 МАРТА 2026 ГОДА ОТДЕЛ ЗАПЧАСТЕЙ И СЕРВИС РАБОТАТЬ НЕ БУДУТ
ПРОДАЖА ЛОДОЧНЫХ МОТОРОВ В ШТАТНОМ РЕЖИМЕ
ОБ ИЗМЕНЕНИЯХ В ГРАФИКЕ РАБОТЫ ЧИТАЙТЕ НА САЙТА



назад Раздел:   вперёд

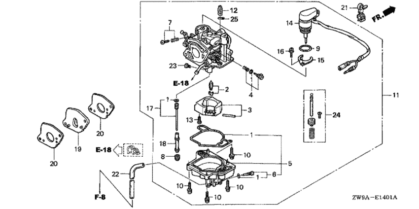
Модификация Вашего двигателя:   Honda BF10D4 SRK
Модели с серийным номером двигателя от BEABJ-2000001 до BEABJ-
Модели с серийным номером рамы от BABJ-1300001 до BABJ-1399999

Вернуться к выбору узлов мотора

   Карбюратор (авто)
Carburetor (auto)      


ДЕТАЛИРОВКА ДЛЯ МОДЕЛИ: HONDA BF10D4

Подвесной 4-тактный мотор Honda BF10D4 - Карбюратор (авто) / Carburetor (auto)
Номер на
рисунке
АртикулНаименованиеКол-во
на складе
Цена
116010-ZW9-003

Комплект прокладок (Gasket set)

3 шт1650 руб. 
216011-ZV4-005

Клапан поплавка, набор (Valve set, float)

1 шт6940 руб. 
316013-ZW9-003

Поплавок, набор (Float set)

под заказ4700 руб. 
416016-ZW9-721

Набор винтов (Screw set)

под заказ1820 руб. 
516023-ZW9-803

Поплавковая камера, набор (Chamber set, float)

под заказпо запросу 
616024-ZV4-650

Дренажный винт, комплект (Screw set, drain)

под заказ2400 руб. 
716028-ZV4-650

Набор винтов (Screw set)

под заказ1680 руб. 
816071-ZV4-005

Винт заглушки (Screw, plug)

3 шт970 руб. 
916077-KG8-901

Уплотнительное кольцо стартера (O-ring, bystarter)

1 шт610 руб. 
1016081-ZV4-650

Винт с шайбой (Screw-washer)

под заказ380 руб. 
1116100-ZW9-G11

Карбюратор в сборе. (bj14b a) (Carburetor assy. (bj14b a))

под заказ58720 руб. 
1216119-ZW9-013

Колпачок (Cap)

4 шт1400 руб. 
1316121-ZW9-003

Винт с чашечкой (Screw, pan)

под заказ170 руб. 
1416130-ZW9-801

ByСтартер в сборе., авто (Bystarter assy., auto)

под заказ10710 руб. 
1516131-ZW9-801

Установочная пластина (Plate, setting)

1 шт660 руб. 
1616132-ZW9-801

Винт с шайбой (Screw-washer)

1 шт270 руб. 
1716150-ZW9-G01

Форсунка, #42 (Jet set, #42)

под заказ5360 руб. 
1816166-ZW9-G01

Главная форсунка (Nozzle, main)

под заказ3940 руб. 
1916211-ZW9-700

Изолятор карбюратора (Insulator, carburetor)

3 шт1380 руб. 
2016221-ZW9-000

Прокладка карбюратора (Packing, carburetor)

5 шт520 руб. 
2191558-SM4-003

Зажим (Clip)

под заказ530 руб. 
2295003-070-203-1

Трубка (Tube)

под заказ110 руб. 
2399101-ZV5-1020

Главная форсунка, #102 (Jet, main, #102)

под заказ1080 руб. 
2416123-ZW9-013

Плунжер, акселератор помпы (комплект) (Plunger set, accelerator pump)

под заказ2910 руб. 
2516163-GHB-600

Зажим трубки (Clip, tube)

1 шт230 руб. 

Время выполнения запроса 1.1658229827881 сек.

 
 

данный сайт носит информационный характер и не является публичной офертой

склад запчастей для водомоторной техники