вконтакте

Контактный телефон: +7 (981) 121-46-93, +7 (800) 200-90-76 , Email: parts-katalog@yandex.ru, где купить

 
 

  Логин:

Пароль:

Регистрация

www.partskatalog.ru Все каталоги Запчасти Mercury Запчасти Suzuki Запчасти Tohatsu Запчасти Honda Контакты



УВАЖАЕМЫЕ КЛИЕНТЫ!
C 19 ДЕКАБРЯ 2025 ПО 02 МАРТА 2026 ГОДА ОТДЕЛ ЗАПЧАСТЕЙ И СЕРВИС РАБОТАТЬ НЕ БУДУТ
ПРОДАЖА ЛОДОЧНЫХ МОТОРОВ В ШТАТНОМ РЕЖИМЕ
ОБ ИЗМЕНЕНИЯХ В ГРАФИКЕ РАБОТЫ ЧИТАЙТЕ НА САЙТА



назад Раздел:   вперёд

Модификация Вашего двигателя:   Honda BFP10B1 XHG; Power Thrust
Модели с серийным номером двигателя от BEABJ-1000001 до BEABJ-9999999
Модели с серийным номером рамы от BADJ-1000001 до BADJ-1099999

Вернуться к выбору узлов мотора

   Кронштейн транца
Stern Bracket      


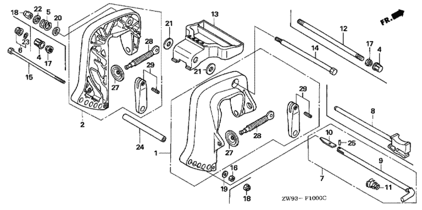
ДЕТАЛИРОВКА ДЛЯ МОДЕЛИ: HONDA BFP10B1

Двигатель BFP10B1 - Stern Bracket / Кронштейн транца
Номер на
рисунке
АртикулНаименованиеКол-во
на складе
Цена
150300-ZW9-831ZA

Правый кормовой кронштейн *nh282mu * (Bracket comp., r. stern *nh282mu *)

под заказ32650 руб. 
250310-ZW9-831ZA

Левый кормовой кронштейн *nh282mu * (Bracket comp., l. stern *nh282mu *)

под заказпо запросу 
450331-ZV5-000

Колпачок болта опрокидывания (Cap, tilting bolt)

под заказ1010 руб. 
750340-ZV7-000

Регулировочная штанга, комплект (Rod comp., adjusting)

под заказ8530 руб. 
750340-ZV7-010

(последний код) ROD COMP., ADJUSTING

6 шт8530 руб. 
950341-ZV7-300

Регулировочная штанга (Rod, adjusting)

под заказпо запросу 
1050342-ZV5-300

Стопор тяги (Stopper, rod)

под заказ1100 руб. 
1150343-ZV7-300

Пружина регулировки тяги (Spring, adjusting rod)

под заказ430 руб. 
1250381-ZV5-000

Вал наклона (Shaft, tilting)

под заказ19840 руб. 
1250381-ZZ5-000

(последний код) SHAFT, TILTING

под заказ19840 руб. 
1368111-ZW9-830

Ручка для дальней переноски (Handle, carrying remote)

под заказ5150 руб. 
1368111-ZW9-831

(последний код) HANDLE, CARRYING REMOTE

под заказ5150 руб. 
1590108-ZV7-000

Болт под шестигранник., 8x163 (Bolt, hex., 8x163)

под заказ1400 руб. 
1790304-ZV5-003

Гайка с замком (7 / 8-14unf) (Nut, self-lock (7/8-14unf))

под заказ2950 руб. 
1790304-ZV5-013

(последний код) NUT, SELF-LOCK (7/8-14UNF

под заказ2950 руб. 
1890305-ZV4-000

Гайка с замком, 8 мм (Nut, self-lock, 8mm)

под заказ550 руб. 
1990507-ZV4-000

Плоская шайба, 8 мм (Washer, plain, 8mm)

под заказ360 руб. 
2190517-ZV5-000

Волнистая шайба, 22 мм (Washer, wave, 22mm)

под заказ1070 руб. 
2491501-ZV7-000

Промежуточный воротник (8 мм) (Collar, distance (8mm))

под заказ5080 руб. 
2594305-25083

Стопор пружины, 2.5x8 (Pin, spring, 2.5x8)

под заказ70 руб. 
2750122-935-010

Нажимная пластина (Plate, push)

1 шт840 руб. 
2850325-ZW9-830

Винт зажима (Screw, clamp)

под заказ3210 руб. 
2904503-ZW9-000

Рукоятка зажима (Grip kit, clamp)

под заказ4850 руб. 

Время выполнения запроса 2.0466208457947 сек.

 
 

данный сайт носит информационный характер и не является публичной офертой

склад запчастей для водомоторной техники