вконтакте

Контактный телефон: +7 (981) 121-46-93, +7 (800) 200-90-76 , Email: parts-katalog@yandex.ru, где купить

 
 

  Логин:

Пароль:

Регистрация

www.partskatalog.ru Все каталоги Запчасти Mercury Запчасти Suzuki Запчасти Tohatsu Запчасти Honda Контакты



УВАЖАЕМЫЕ КЛИЕНТЫ!
C 19 ДЕКАБРЯ 2025 ПО 02 МАРТА 2026 ГОДА ОТДЕЛ ЗАПЧАСТЕЙ И СЕРВИС РАБОТАТЬ НЕ БУДУТ
ПРОДАЖА ЛОДОЧНЫХ МОТОРОВ В ШТАТНОМ РЕЖИМЕ
ОБ ИЗМЕНЕНИЯХ В ГРАФИКЕ РАБОТЫ ЧИТАЙТЕ НА САЙТА



назад Раздел:   вперёд

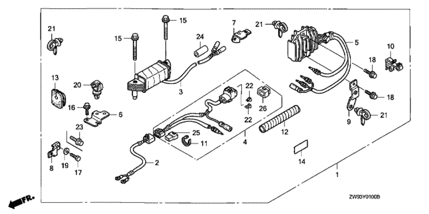
Модификация Вашего двигателя:   Honda BFP10D1 LRD; Power Thrust
Модели с серийным номером двигателя от BEABJ-1000001 до BEABJ-9999999
Модели с серийным номером рамы от BABJ-1000001 до BABJ-1099999

Вернуться к выбору узлов мотора

   Комплект зарядной катушки
Charge Coil Kit      


ДЕТАЛИРОВКА ДЛЯ МОДЕЛИ: HONDA BFP10D1

Подвесной четырёх-тактный лодочный мотор BFP10D1 - Комплект зарядной катушки - Charge Coil Kit

Время выполнения запроса 0.979975938797 сек.

 
 

данный сайт носит информационный характер и не является публичной офертой

склад запчастей для водомоторной техники