вконтакте

Контактный телефон: +7 (981) 121-46-93, +7 (800) 200-90-76 , Email: parts-katalog@yandex.ru, где купить

 
 

  Логин:

Пароль:

Регистрация

www.partskatalog.ru Все каталоги Запчасти Mercury Запчасти Suzuki Запчасти Tohatsu Запчасти Honda Контакты



УВАЖАЕМЫЕ КЛИЕНТЫ!
C 19 ДЕКАБРЯ 2025 ПО 02 МАРТА 2026 ГОДА ОТДЕЛ ЗАПЧАСТЕЙ И СЕРВИС РАБОТАТЬ НЕ БУДУТ
ПРОДАЖА ЛОДОЧНЫХ МОТОРОВ В ШТАТНОМ РЕЖИМЕ
ОБ ИЗМЕНЕНИЯХ В ГРАФИКЕ РАБОТЫ ЧИТАЙТЕ НА САЙТА



назад Раздел:   вперёд

Модификация Вашего двигателя:   Honda BFP10D1 XRE; Power Thrust
Модели с серийным номером двигателя от BEABJ-1000001 до BEABJ-9999999
Модели с серийным номером рамы от BABJ-1000001 до BABJ-1099999

Вернуться к выбору узлов мотора

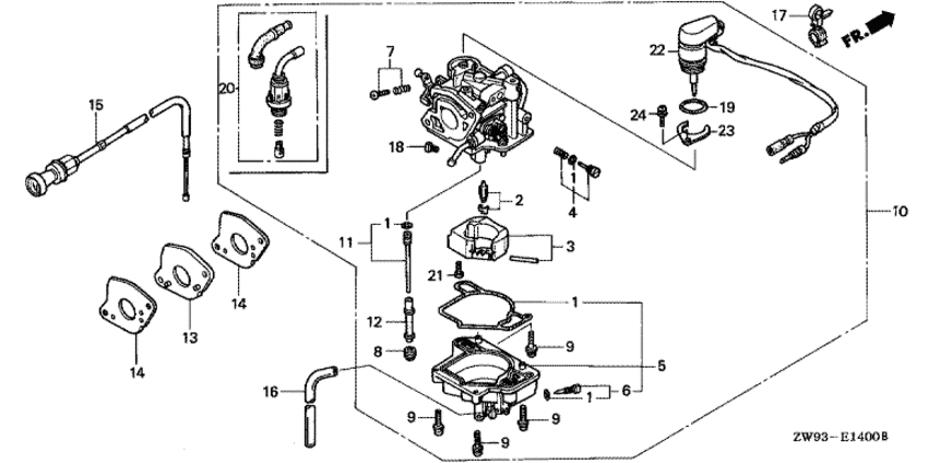
   Карбюратор
Carburetor      


ДЕТАЛИРОВКА ДЛЯ МОДЕЛИ: HONDA BFP10D1

Подвесной fourstroke мотор BFP10D1 - Карбюратор
Номер на
рисунке
АртикулНаименованиеКол-во
на складе
Цена
116010-ZV4-005

Комплект прокладок (Gasket set)

10 шт2170 руб. 
216011-ZV4-005

Клапан поплавка, набор (Valve set, float)

1 шт6940 руб. 
316013-ZW9-003

Поплавок, набор (Float set)

под заказ4700 руб. 
416016-ZW9-003

Набор винтов (Screw set)

под заказпо запросу 
516023-ZW9-003

Поплавковая камера, набор (Chamber set, float)

под заказпо запросу 
516023-ZW9-801

Поплавковая камера, набор (Chamber set, float)

под заказпо запросу 
616024-ZV4-650

Дренажный винт, комплект (Screw set, drain)

под заказ2400 руб. 
716028-ZV4-650

Набор винтов (Screw set)

под заказ1680 руб. 
816071-ZV4-005

Винт заглушки (Screw, plug)

3 шт970 руб. 
916081-ZV4-650

Винт с шайбой (Screw-washer)

под заказ380 руб. 
1016100-ZW9-801

Карбюратор в сборе. (bj01b a) (Carburetor assy. (bj01b a))

под заказпо запросу 
1016100-ZW9-802

Карбюратор в сборе. (bj01b b) (Carburetor assy. (bj01b b))

под заказпо запросу 
1116150-ZW9-003

Форсунка, #45 (Jet set, #45)

под заказ5360 руб. 
1216166-ZW9-003

Главная форсунка (Nozzle, main)

под заказ3940 руб. 
1316211-ZW9-700

Изолятор карбюратора (Insulator, carburetor)

3 шт1380 руб. 
1416221-ZW9-000

Прокладка карбюратора (Packing, carburetor)

5 шт520 руб. 
1695003-070-203-1

Трубка (Tube)

под заказ110 руб. 
1791558-SM4-003

Зажим (Clip)

под заказ530 руб. 
1899101-ZV5-1000

Главная форсунка, #100 (Jet, main, #100)

под заказ1080 руб. 
1899101-ZV5-1020

Главная форсунка, #102 (Jet, main, #102)

под заказ1080 руб. 
1899101-ZV5-1050

Главная форсунка, #105 (Jet, main, #105)

3 шт1080 руб. 
1916077-KG8-901

Уплотнительное кольцо стартера (O-ring, bystarter)

1 шт610 руб. 
2116121-ZW9-003

Винт с чашечкой (Screw, pan)

под заказ170 руб. 
2216130-ZW9-801

ByСтартер в сборе., авто (Bystarter assy., auto)

под заказ10710 руб. 
2316131-ZW9-801

Установочная пластина (Plate, setting)

1 шт660 руб. 
2416132-ZW9-801

Винт с шайбой (Screw-washer)

1 шт270 руб. 

Время выполнения запроса 2.0220520496368 сек.

 
 

данный сайт носит информационный характер и не является публичной офертой

склад запчастей для водомоторной техники