вконтакте

Контактный телефон: +7 (981) 121-46-93, +7 (800) 200-90-76 , Email: parts-katalog@yandex.ru, где купить

 
 

  Логин:

Пароль:

Регистрация

www.partskatalog.ru Все каталоги Запчасти Mercury Запчасти Suzuki Запчасти Tohatsu Запчасти Honda Контакты

назад Раздел:   вперёд

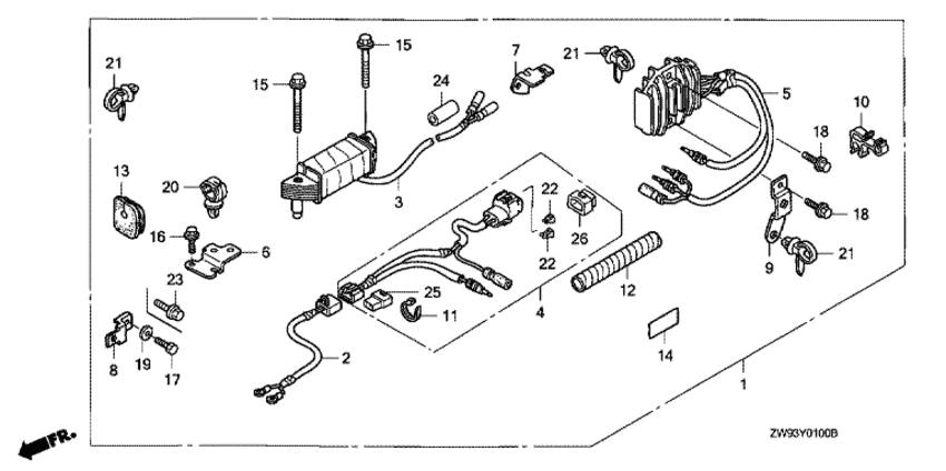
Модификация Вашего двигателя:   Honda BFP10D1 XHE; Power Thrust
Модели с серийным номером двигателя от BEABJ-1000001 до BEABJ-9999999
Модели с серийным номером рамы от BABJ-1000001 до BABJ-1099999

Вернуться к выбору узлов мотора

   Комплект зарядной катушки
Charge Coil Kit      


ДЕТАЛИРОВКА ДЛЯ МОДЕЛИ: HONDA BFP10D1

Подвесной четырёх тактный лодочный двигатель BFP10D1 - Комплект зарядной катушки

Время выполнения запроса 0.17407298088074 сек.

 
 

данный сайт носит информационный характер и не является публичной офертой

склад запчастей для водомоторной техники