вконтакте

Контактный телефон: +7 (981) 121-46-93, +7 (800) 200-90-76 , Email: parts-katalog@yandex.ru, где купить

 
 

  Логин:

Пароль:

Регистрация

www.partskatalog.ru Все каталоги Запчасти Mercury Запчасти Suzuki Запчасти Tohatsu Запчасти Honda Контакты



УВАЖАЕМЫЕ КЛИЕНТЫ!
C 19 ДЕКАБРЯ 2025 ПО 02 МАРТА 2026 ГОДА ОТДЕЛ ЗАПЧАСТЕЙ И СЕРВИС РАБОТАТЬ НЕ БУДУТ
ПРОДАЖА ЛОДОЧНЫХ МОТОРОВ В ШТАТНОМ РЕЖИМЕ
ОБ ИЗМЕНЕНИЯХ В ГРАФИКЕ РАБОТЫ ЧИТАЙТЕ НА САЙТА



назад Раздел:   вперёд

Модификация Вашего двигателя:   Honda BF10B1 LRG
Модели с серийным номером двигателя от BEABJ-1000001 до BEABJ-9999999
Модели с серийным номером рамы от BADJ-1000001 до BADJ-1099999

Вернуться к выбору узлов мотора

   Катушка зажигания
Ignition Coil      


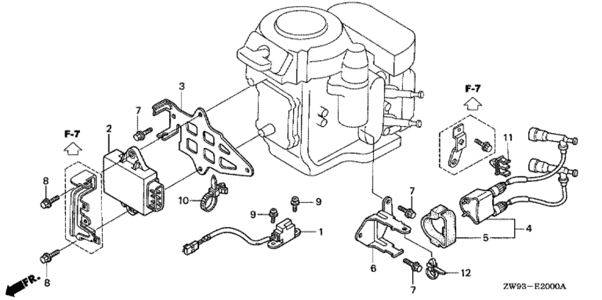
ДЕТАЛИРОВКА ДЛЯ МОДЕЛИ: HONDA BF10B1

Подвесной  лодочный мотор Honda BF10B1 - Катушка зажигания / Ignition Coil
Номер на
рисунке
АртикулНаименованиеКол-во
на складе
Цена
130310-ZW9-003

Импульсная катушка (Coil assy., pulser)

под заказ10650 руб. 
230400-ZW9-003

Блок управления C.D.I. (C.d.i. unit)

под заказ39480 руб. 
330401-ZW9-000

Пластина модуля c.d.i. (Plate, c.d.i.)

под заказ2400 руб. 
430500-ZW9-003

Катушка зажигания, в сборе (Coil assy., ignition)

под заказ16190 руб. 
404303-ZW9-000

(последний код) KIT,IGN COIL

под заказ17310 руб. 
530506-ML4-003

Подвес катушки зажигания (Suspension, ignition coil)

под заказпо запросу 
630515-ZW9-000

Кронштейн катушки зажигания (Bracket, ignition coil)

под заказпо запросу 
790011-ZW9-000

Фланцевый болт, 6x14 (ct200) (Bolt, flange, 6x14 (ct200))

под заказ370 руб. 
890016-ZW9-000

Фланцевый болт, 6x25 (Bolt, flange, 6x25)

под заказ420 руб. 
990018-ZW9-000

Винт с шайбой, 5x16 (Screw-washer, 5x16)

под заказ220 руб. 
1090672-SA0-003

Хомут (Strap)

под заказ870 руб. 
1190684-SB3-003

Зажим (Clip)

под заказ440 руб. 
1291540-S30-003

Зажим (Clip)

под заказ610 руб. 

Время выполнения запроса 0.8906991481781 сек.

 
 

данный сайт носит информационный характер и не является публичной офертой

склад запчастей для водомоторной техники