вконтакте

Контактный телефон: +7 (981) 121-46-93, +7 (800) 200-90-76 , Email: parts-katalog@yandex.ru, где купить

 
 

  Логин:

Пароль:

Регистрация

www.partskatalog.ru Все каталоги Запчасти Mercury Запчасти Suzuki Запчасти Tohatsu Запчасти Honda Контакты

назад Раздел:   вперёд

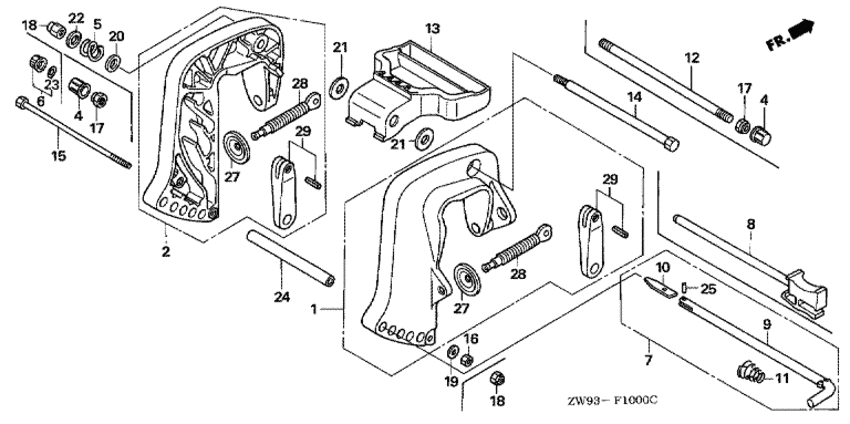
Модификация Вашего двигателя:   Honda BF10D1 SHSD
Модели с серийным номером двигателя от BEABJ-1000001 до BEABJ-9999999
Модели с серийным номером рамы от BABJ-1000001 до BABJ-1099999

Вернуться к выбору узлов мотора

   Кронштейн транца
Stern Bracket      


ДЕТАЛИРОВКА ДЛЯ МОДЕЛИ: HONDA BF10D1

Подвесной четырёх-тактный лодочный мотор BF10D1 - Кронштейн транца / Stern Bracket
Номер на
рисунке
АртикулНаименованиеКол-во
на складе
Цена
150300-ZW9-010ZA

Правый кормовой кронштейн *nh282mu * (Bracket comp., r. stern *nh282mu *)

под заказ33640 руб. 
250310-ZW9-010ZA

Левый кормовой кронштейн *nh282mu * (Bracket comp., l. stern *nh282mu *)

под заказ32650 руб. 
550333-921-003

Пружина наклона (Spring, tilt)

под заказ550 руб. 
850340-ZW9-000

Регулировочная штанга, комплект (Rod comp., adjusting)

под заказ4500 руб. 
850340-ZW9-010

(последний код) ROD COMP., ADJUSTING

1 шт4500 руб. 
1368111-ZW9-000

Ручка для переноски (Handle, carrying)

1 шт5150 руб. 
1368111-ZW9-010

(последний код) HANDLE, CARRYING

под заказ5150 руб. 
1490106-921-010

Болт опрокидывания (Bolt, tilting)

1 шт2630 руб. 
1592101-06160-4J

Болт под шестигранник., 6x160 (Bolt, hex., 6x160)

под заказ1060 руб. 
1690304-ZV4-000

Шестигранная гайка, 6 мм (Nut, hex., 6mm)

под заказ280 руб. 
1890305-ZV4-000

Гайка с замком, 8 мм (Nut, self-lock, 8mm)

под заказ550 руб. 
1990506-ZV4-000

Плоская шайба, 6 мм (Washer, plain, 6mm)

4 шт380 руб. 
2090511-921-000

Плоская шайба, 10 мм (Washer, plain, 10mm)

1 шт180 руб. 
2190513-921-000

Шайба, 10 мм (Washer, 10mm)

3 шт370 руб. 
2290514-921-000

Шайба, 8 мм (Washer, 8mm)

2 шт320 руб. 
2491501-ZV4-000

Промежуточный воротник (6 мм) (Collar, distance (6mm))

под заказ3350 руб. 
2750122-935-010

Нажимная пластина (Plate, push)

1 шт840 руб. 
2850325-ZW9-010

Винт зажима (Screw, clamp)

2 шт3250 руб. 
2904503-ZW9-000

Рукоятка зажима (Grip kit, clamp)

под заказ4850 руб. 

Время выполнения запроса 0.93406510353088 сек.

 
 

данный сайт носит информационный характер и не является публичной офертой

склад запчастей для водомоторной техники