вконтакте

Контактный телефон: +7 (981) 121-46-93, +7 (800) 200-90-76 , Email: parts-katalog@yandex.ru, где купить

 
 

  Логин:

Пароль:

Регистрация

www.partskatalog.ru Все каталоги Запчасти Mercury Запчасти Suzuki Запчасти Tohatsu Запчасти Honda Контакты



УВАЖАЕМЫЕ КЛИЕНТЫ!
C 19 ДЕКАБРЯ 2025 ПО 02 МАРТА 2026 ГОДА ОТДЕЛ ЗАПЧАСТЕЙ И СЕРВИС РАБОТАТЬ НЕ БУДУТ
ПРОДАЖА ЛОДОЧНЫХ МОТОРОВ В ШТАТНОМ РЕЖИМЕ
ОБ ИЗМЕНЕНИЯХ В ГРАФИКЕ РАБОТЫ ЧИТАЙТЕ НА САЙТА



назад Раздел:   вперёд

Модификация Вашего двигателя:   Honda BF8D3 SRC
Модели с серийным номером двигателя от BEAAJ-1000001 до BEAAJ-1999999
Модели с серийным номером рамы от BAAJ-1200001 до BAAJ-1299999

Вернуться к выбору узлов мотора

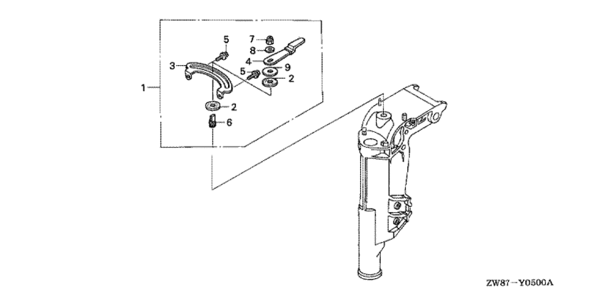
   Фрикционный рулевой набор
Steering Friction Kit      


ДЕТАЛИРОВКА ДЛЯ МОДЕЛИ: HONDA BF8D3

Подвесной  двигатель BF8D3 - Фрикционный рулевой набор
Номер на
рисунке
АртикулНаименованиеКол-во
на складе
Цена
106502-ZW9-000

SteeКольцо kit, friction (Steering kit, friction)

под заказпо запросу 
250212-ZW9-003

Фрикционный блок (Block comp., friction)

1 шт2070 руб. 
350218-ZW9-010

Пластина трения (Plate, friction)

4 шт1900 руб. 
450219-ZW9-010

Фрикционный рычаг (Lever, friction)

1 шт1810 руб. 
590103-ZW9-000

Фланцевый болт, 6x12 (Bolt, flange, 6x12)

под заказ430 руб. 
590103-ZW9-010

(последний код) BOLT, FLANGE, 6X12

5 шт430 руб. 
690162-ZW9-000

Болт под шпильку, 8x26 (Bolt, stud, 8x26)

под заказ1010 руб. 
790305-ZW9-000

Гайка с замком, 8 мм (Nut, self-lock, 8mm)

под заказ920 руб. 
890514-921-000

Шайба, 8 мм (Washer, 8mm)

2 шт320 руб. 
990517-ZW9-000

Нейлоновая шайба, 8 мм (Washer, nylon, 8mm)

под заказ280 руб. 

Время выполнения запроса 0.33540081977844 сек.

 
 

данный сайт носит информационный характер и не является публичной офертой

склад запчастей для водомоторной техники