вконтакте

Контактный телефон: +7 (981) 121-46-93, +7 (800) 200-90-76 , Email: parts-katalog@yandex.ru, где купить

 
 

  Логин:

Пароль:

Регистрация

www.partskatalog.ru Все каталоги Запчасти Mercury Запчасти Suzuki Запчасти Tohatsu Запчасти Honda Контакты



УВАЖАЕМЫЕ КЛИЕНТЫ!
C 19 ДЕКАБРЯ 2025 ПО 02 МАРТА 2026 ГОДА ОТДЕЛ ЗАПЧАСТЕЙ И СЕРВИС РАБОТАТЬ НЕ БУДУТ
ПРОДАЖА ЛОДОЧНЫХ МОТОРОВ В ШТАТНОМ РЕЖИМЕ
ОБ ИЗМЕНЕНИЯХ В ГРАФИКЕ РАБОТЫ ЧИТАЙТЕ НА САЙТА



назад Раздел:   вперёд

Модификация Вашего двигателя:   Honda BF8D4 LRU
Модели с серийным номером двигателя от BEAAJ-2000001 до BEAAJ-
Модели с серийным номером рамы от BAAJ-1300001 до BAAJ-

Вернуться к выбору узлов мотора

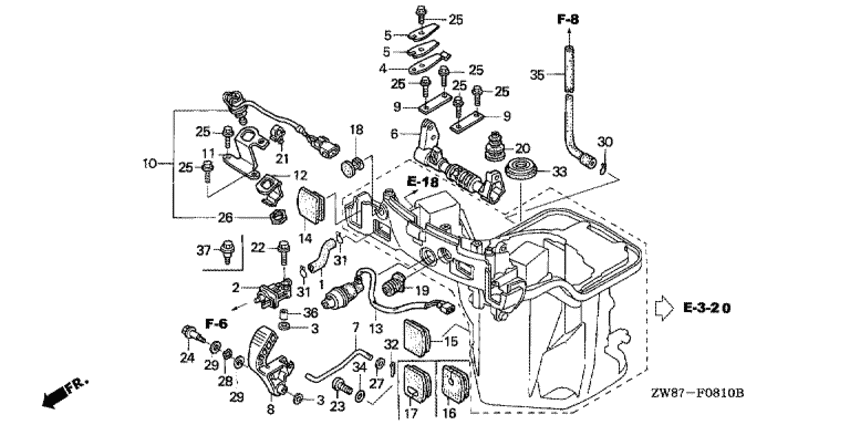
   Переключающий вал (для моделей с румпелем)
Shift Shaft (handle Specification)      


ДЕТАЛИРОВКА ДЛЯ МОДЕЛИ: HONDA BF8D4

Двигатель HONDA BF8D4 - Переключающий вал (для моделей с румпелем) - Shift Shaft (handle Specification)

Время выполнения запроса 0.21424984931946 сек.

 
 

данный сайт носит информационный характер и не является публичной офертой

склад запчастей для водомоторной техники