вконтакте

Контактный телефон: +7 (981) 121-46-93, +7 (800) 200-90-76 , Email: parts-katalog@yandex.ru, где купить

 
 

  Логин:

Пароль:

Регистрация

www.partskatalog.ru Все каталоги Запчасти Mercury Запчасти Suzuki Запчасти Tohatsu Запчасти Honda Контакты

назад Раздел:   вперёд

Модификация Вашего двигателя:   Honda BF8AM XD
Модели с серийным номером двигателя от BACE-1200001 до BACE-9999999
Модели с серийным номером рамы от BACU-1000001 до BACU-1299999

Вернуться к выбору узлов мотора

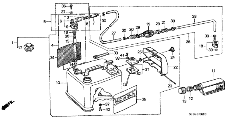
   Топливный бак / Вспомогательный бак (1)
Fuel Tank / Sub Tank (1)      


ДЕТАЛИРОВКА ДЛЯ МОДЕЛИ: HONDA BF8AM

Подвесной  мотор BF8AM - Топливный бак / Вспомогательный бак (1) - Fuel Tank / Sub Tank (1)

Время выполнения запроса 0.17590284347534 сек.

 
 

данный сайт носит информационный характер и не является публичной офертой

склад запчастей для водомоторной техники