вконтакте

Контактный телефон: +7 (981) 121-46-93, +7 (800) 200-90-76 , Email: parts-katalog@yandex.ru, где купить

 
 

  Логин:

Пароль:

Регистрация

www.partskatalog.ru Все каталоги Запчасти Mercury Запчасти Suzuki Запчасти Tohatsu Запчасти Honda Контакты



УВАЖАЕМЫЕ КЛИЕНТЫ!
C 19 ДЕКАБРЯ 2025 ПО 02 МАРТА 2026 ГОДА ОТДЕЛ ЗАПЧАСТЕЙ И СЕРВИС РАБОТАТЬ НЕ БУДУТ
ПРОДАЖА ЛОДОЧНЫХ МОТОРОВ В ШТАТНОМ РЕЖИМЕ
ОБ ИЗМЕНЕНИЯХ В ГРАФИКЕ РАБОТЫ ЧИТАЙТЕ НА САЙТА



назад Раздел:   вперёд

Модификация Вашего двигателя:   Honda BF8AH LC
Модели с серийным номером двигателя от BACE-1000001 до BACE-1099999
Модели с серийным номером рамы от BACL-1000001 до BACL-1099999

Вернуться к выбору узлов мотора

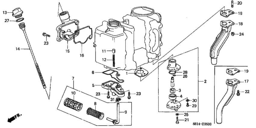
   Масляный насос / Масляный фильтр / Выхлопная труба
Oil Pump / Oil Filter / Exhaust Pipe      


ДЕТАЛИРОВКА ДЛЯ МОДЕЛИ: HONDA BF8AH

Двигатель BF8AH - Oil Pump / Oil Filter / Exhaust Pipe
Номер на
рисунке
АртикулНаименованиеКол-во
на складе
Цена
115112-881-000

Прокладка корпуса помпы (Packing, pump body)

под заказ230 руб. 
215200-881-003

Масляный насос, в сборе (Pump assy., oil)

под заказ20240 руб. 
315331-881-000

Ротор внутри масляного насоса (Rotor, oil pump inner)

под заказ2200 руб. 
415332-881-000

Наружный ротор масляного насоса (Rotor, oil pump outer)

под заказ2970 руб. 
515410-881-000

Фланец масляного фильтра (Flange comp., oil filter)

под заказ4360 руб. 
615412-881-000

Прокладка масляного фильтра (Packing, oil filter)

под заказ1030 руб. 
715420-881-000

Масляный фильтр, в сборе (Filter assy., oil)

под заказ2940 руб. 
815421-881-000

Фильтр comp., oil (Filter comp., oil)

под заказ3010 руб. 
915422-881-000

Масляная трубка (Tube, oil)

под заказпо запросу 
1015423-881-000

Крепление масляного фильтра (Holder, oil filter)

под заказпо запросу 
1115473-881-000

Контрольный клапан (Valve, check)

под заказ550 руб. 
1215474-881-000

Пружина контрольного клапана (Spring, check valve)

под заказ380 руб. 
1315611-921-000

Крышка заливной горловины масла (жёлтый) (Cap, oil (yellow))

под заказ1030 руб. 
1415612-921-000

Gauge, oil level (Gauge, oil level)

под заказ1840 руб. 
1515620-881-000

Корпус масляного фильтра (Body comp., oil filter)

под заказпо запросу 
1615622-881-000

Прокладка корпуса масляного фильтра (Packing, oil filler body)

под заказ900 руб. 
1818201-881-741

Pipe, ex. (Pipe, ex.)

под заказпо запросу 
1918211-881-000

Прокладка выхлопной трубы (Packing, ex. pipe)

под заказ510 руб. 
2090009-881-741

Болт под шпильку, 6x22 (Bolt, stud, 6x22)

под заказпо запросу 
2190108-881-000

Болт под шестигранник., 6x28 (Bolt, hex., 6x28)

под заказ460 руб. 
2390121-881-000

Фланцевый болт, 6x22 (Bolt, flange, 6x22)

под заказ250 руб. 
2490202-ZV0-000

Гайка с колпачком, 6 мм (Nut, cap, 6mm)

под заказ630 руб. 
2590478-700-000

Шайба a, 6 мм (Washer a, 6mm)

под заказ120 руб. 
2691301-027-000

Уплотнительное кольцо, 6.8x1.9 (O-ring, 6.8x1.9)

под заказ340 руб. 
2691306-PJ4-000

Уплотнительное кольцо (O-ring)

под заказ280 руб. 
2791301-805-000

Уплотнительное кольцо, 26x2.7 (O-ring, 26x2.7)

под заказ380 руб. 
2891315-935-003

Уплотнительное кольцо, 25x1.0 (O-ring, 25x1.0)

под заказпо запросу 
2993500-050-101-A

Винт (Screw)

под заказ90 руб. 
2993500-050-100-A

Винт (Screw)

под заказ90 руб. 
3094101-05000

Шайба (Washer)

под заказ90 руб. 
31 9500201120

Зажим трубки (a12) (Clip, tube (a12))

под заказпо запросу 

Время выполнения запроса 3.1438839435577 сек.

 
 

данный сайт носит информационный характер и не является публичной офертой

склад запчастей для водомоторной техники