Контактный телефон: +7 (981) 121-46-93, +7 (800) 200-90-76 , Email: parts-katalog@yandex.ru, где купить |
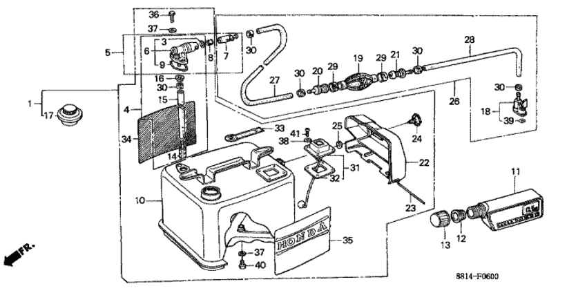
Модификация Вашего двигателя: Honda BF8AH SC Вернуться к выбору узлов мотора Топливный бак / Вспомогательный бак (1) |
|||||||||||||||||||||||||||||||||||||||||||||||||||||||||||||||||||||||||||||||||||||||||||||||||||||||||||||||||||||||||||||||||||||||||||||||||||||||||||||||||||||||||||||||||||||||||||||||||||||||||||||||||||||||||||||||||||||||||||||||||||||||||||||||||||||||||
| Номер на рисунке | Артикул | Наименование | Кол-во на складе | Цена | |
| 3 | 16075-935-006 | Уплотнительное кольцо (O-ring) | под заказ | 140 руб. | |
| 4 | 16900-881-710 | Топливный соеденитель А, комплект (Joint comp. a, fuel) | под заказ | по запросу | |
| 5 | 16950-881-711 | Соеденитель, согласование топлива (Joint, fuel consent) | под заказ | по запросу | |
| 6 | 16951-881-711 | Соеденитель A, согласование топлива (Joint a, fuel consent) | под заказ | 7200 руб. | |
| 7 | 16952-935-016 | Соеденитель B, согласование топлива (Joint b, fuel consent) | под заказ | 1740 руб. | |
| 8 | 16953-935-000 | Амортизатор топлива (Absorber, fuel) | под заказ | 550 руб. | |
| 9 | 16962-865-010 | Кольцо сальника (Ring, cock seal) | под заказ | по запросу | |
| 10 | 17500-881-020ZA | Топливный бак *r8 * (Tank comp., fuel *r8 *) | под заказ | по запросу | |
| 11 | 17570-921-000 | Масляный бак (Tank, oil) | под заказ | по запросу | |
| 12 | 17572-801-810 | Крышка бака inner (Cap, sub tank inner) | под заказ | по запросу | |
| 13 | 17573-801-810 | Крышка бака (Cap, sub tank) | под заказ | по запросу | |
| 14 | 17583-881-000 | Топливный фильтр (Filter, fuel) | под заказ | 1800 руб. | |
| 15 | 17611-935-000 | Трубка внутри (Tube, inner) | под заказ | по запросу | |
| 16 | 17612-881-000 | Сальник внутри (Seal, inner) | под заказ | по запросу | |
| 17 | 17620-881-717 | Крышка топливного фильтра (Cap comp., fuel filler) | под заказ | по запросу | |
| 17 | 17620-881-718 | Крышка топливного фильтра (Cap comp., fuel filler) | под заказ | по запросу | |
| 18 | 17650-921-003ZB | Коннектор топливного бака *nh1 * (Connector comp., fuel *nh1 *) | под заказ | 6730 руб. | |
| 18 | T-SF80212-7 | (не оригинальный аналог) Коннектор топливный SUNFINE тип Suzuki, Johnson, Evinrude, OMC, Honda, 9мм, 775641 | под заказ | 1240 руб. | |
| 19 | 17661-921-000 | Груша для подкачки топлива (Bulb, primer) | под заказ | 2990 руб. | |
| 19 | 17661-921-010 | (последний код) BULB, PRIMER | под заказ | 2990 руб. | |
| 20 | 17670-921-000 | Внутренний клапан (Valve comp., in.) | под заказ | 1750 руб. | |
| 21 | 17680-921-000 | Наружный клапан (Valve comp., outlet) | под заказ | по запросу | |
| 22 | 17690-881-000 | Коробка для инструмента (Box comp., tool) | под заказ | по запросу | |
| 24 | 17698-921-000 | Защёлка коробки для инструмента (Latch, tool box) | под заказ | по запросу | |
| 25 | 17699-921-000 | Стопор защёлки (Stopper, latch) | под заказ | по запросу | |
| 26 | 17700-881-000ZB | Топливная трубка *nh210mc * (Tube comp., fuel *nh210mc *) | под заказ | по запросу | |
| 27 | 17701-881-000 | Длинная топливная трубка (Tube, fuel long) | под заказ | 6430 руб. | |
| 28 | 17702-921-000 | Короткая топливная трубка (Tube, fuel short) | под заказ | 1180 руб. | |
| 29 | 17703-921-000 | Зажимной ремешек трубки, 20 мм (Band, tube clip, 20mm) | под заказ | 580 руб. | |
| 29 | 17703-921-010 | (последний код) BAND, TUBE CLIP, 20MM | под заказ | 580 руб. | |
| 30 | 17704-921-000 | Зажимной ремешек трубки, 11 мм (Band, tube clip, 11mm) | под заказ | по запросу | |
| 31 | 17800-881-023 | Измеритель уровня топлива (Meter assy., fuel) | под заказ | по запросу | |
| 32 | 17803-881-003 | Прокладка (Packing) | под заказ | по запросу | |
| 33 | 87571-881-710 | Маркировка: осторожно, топливный бак (Mark, tank caution) | под заказ | по запросу | |
| 34 | 87573-881-710 | Маркировка - бак (Mark, tank) | под заказ | по запросу | |
| 35 | 87574-881-670 | Маркировка - бак (french) (Mark, tank (french)) | под заказ | по запросу | |
| 36 | 90120-881-000 | Фланцевый болт, 6x16 (Bolt, flange, 6x16) | под заказ | по запросу | |
| 37 | 90445-700-000 | Прокладка из волокна, 6 мм (Packing, fiber, 6mm) | под заказ | по запросу | |
| 38 | 90540-881-000 | Прокладка из волокна, 5 мм (Packing, fiber, 5mm) | под заказ | по запросу | |
| 39 | 91353-921-310 | Уплотнительное кольцо, 5.5 мм (O-ring, 5.5mm) | под заказ | 210 руб. | |
| 41 | 93500-050-104-J | Винт с чашечкой, 5x10 (Screw, pan, 5x10) | под заказ | 150 руб. | |
Время выполнения запроса 0.75729894638062 сек.
склад запчастей для водомоторной техники