вконтакте

Контактный телефон: +7 (981) 121-46-93, +7 (800) 200-90-76 , Email: parts-katalog@yandex.ru, где купить

 
 

  Логин:

Пароль:

Регистрация

www.partskatalog.ru Все каталоги Запчасти Mercury Запчасти Suzuki Запчасти Tohatsu Запчасти Honda Контакты



УВАЖАЕМЫЕ КЛИЕНТЫ!
C 19 ДЕКАБРЯ 2025 ПО 02 МАРТА 2026 ГОДА ОТДЕЛ ЗАПЧАСТЕЙ И СЕРВИС РАБОТАТЬ НЕ БУДУТ
ПРОДАЖА ЛОДОЧНЫХ МОТОРОВ В ШТАТНОМ РЕЖИМЕ
ОБ ИЗМЕНЕНИЯХ В ГРАФИКЕ РАБОТЫ ЧИТАЙТЕ НА САЙТА



назад Раздел:   вперёд

Модификация Вашего двигателя:   Honda BFP8D2 XHSE; Power Thrust
Модели с серийным номером двигателя от BEAAJ-1000001 до BEAAJ-1999999
Модели с серийным номером рамы от BAAJ-1100001 до BAAJ-1199999

Вернуться к выбору узлов мотора

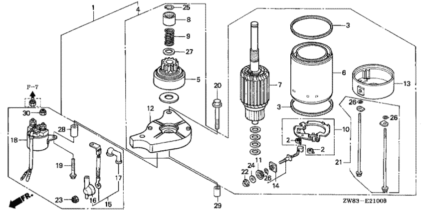
   Двигатель стартера
Starter Motor      


ДЕТАЛИРОВКА ДЛЯ МОДЕЛИ: HONDA BFP8D2

Подвесной  мотор Хонда BFP8D2 - Starter Motor / Двигатель стартера
Номер на
рисунке
АртикулНаименованиеКол-во
на складе
Цена
131200-ZW9-801

Электростартер, в сборе (Motor assy., starter)

под заказ123800 руб. 
131200-ZW9-802

Электростартер, в сборе (Motor assy., starter)

под заказ146830 руб. 
231204-KS5-901

Пружина угольной щётки (Spring, carbon brush)

под заказ480 руб. 
331207-KS5-901

Кольцо (Ring)

под заказ660 руб. 
431210-ZW9-801

Двигатель электростартера, в сборе (Motor unit, starter)

под заказ112430 руб. 
531214-ZV7-751

Сцепление (Clutch comp.)

под заказ27640 руб. 
631216-ZW9-801

Обойма (Yoke comp.)

под заказпо запросу 
731217-ZW9-801

Якорь (Armature comp.)

под заказпо запросу 
831221-ZV4-811

Часть стопора (Piece, stopper)

под заказ2140 руб. 
931223-ZV4-811

Возвратная пружина (Spring, return)

под заказ1110 руб. 
1031231-ZV4-811

Держатель щётки, комплект (Holder comp., brush)

под заказ9840 руб. 
1131233-ZV4-811

Изолятор (Insulator)

под заказ1490 руб. 
1231235-ZW9-801

Кронштейн, передний (Bracket comp., fr.)

под заказ23910 руб. 
1331236-ZV4-811

Кронштейн, задний (Bracket, rr.)

под заказ14350 руб. 
1431238-ZV4-812

Оконечное устройство (Terminal unit)

под заказ3180 руб. 
1532402-ZW9-800

Провод магнитного переключателя (Cord, magnet switch)

под заказпо запросу 
1532402-ZW9-801

Провод магнитного переключателя (Cord, magnet switch)

под заказпо запросу 
1632411-ZV4-811

Колпачок оконечного устройства (Cover, starter terminal)

под заказ380 руб. 
1732412-ZV4-811

Крышка клеммы магнитного переключателя (Cover, magnetic switch terminal)

под заказ380 руб. 
1835850-ZW9-801

Выключатель магнитного переключателя, в сборе (Switch assy., starter magnetic)

под заказпо запросу 
1835850-ZW9-802

Выключатель магнитного переключателя, в сборе (Switch assy., starter magnetic)

под заказпо запросу 
1990015-ZW9-000

Фланцевый болт, 6x18 (Bolt, flange, 6x18)

под заказпо запросу 
1990002-ZY1-000

Фланцевый болт, 6x14 (Bolt, flange, 6x14)

под заказ330 руб. 
2090022-ZW9-000

Фланцевый болт, 8x45 (Bolt, flange, 8x45)

под заказ530 руб. 
2190023-ZW9-801

Установочный болт (Bolt, setting)

под заказпо запросу 
2290203-ZV4-811

Гайка с шайбой, 6 мм (Nut-washer, 6mm)

под заказ680 руб. 
2390203-ZW9-801

Блокирующая гайка, 6 мм (Nut, lock, 6mm)

под заказпо запросу 
2390203-ZY1-801

Блокирующая гайка, 6 мм (Nut, lock, 6mm)

под заказ790 руб. 
2490405-ZV4-811

Шайба, 6 мм (Washer, 6mm)

под заказ440 руб. 
2590602-ZV4-811

Стопорное кольцо, 14 мм (Circlip, 14mm)

под заказ90 руб. 
2691320-MB0-000

Уплотнительное кольцо (O-ring)

под заказ420 руб. 
2791401-ZV4-811

Шайба (Washer)

под заказ550 руб. 
2891556-ZW9-000

Промежуточный воротник (Collar, distance)

под заказпо запросу 
2994301-10120

Шпонка (Dowel pin)

под заказ270 руб. 
3090204-ZY1-003

Блокирующая гайка, 6 мм (Nut, lock, 6mm)

под заказ790 руб. 

Время выполнения запроса 0.69318389892578 сек.

 
 

данный сайт носит информационный характер и не является публичной офертой

склад запчастей для водомоторной техники