вконтакте

Контактный телефон: +7 (981) 121-46-93, +7 (800) 200-90-76 , Email: parts-katalog@yandex.ru, где купить

 
 

  Логин:

Пароль:

Регистрация

www.partskatalog.ru Все каталоги Запчасти Mercury Запчасти Suzuki Запчасти Tohatsu Запчасти Honda Контакты

назад Раздел:   вперёд

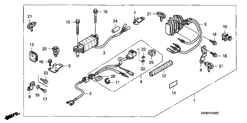
Модификация Вашего двигателя:   Honda BF8B2 SHSG
Модели с серийным номером двигателя от BEAAJ-1000001 до BEAAJ-1999999
Модели с серийным номером рамы от BACJ-1100001 до BACJ-9999999

Вернуться к выбору узлов мотора

   Комплект зарядной катушки
Charge Coil Kit      


ДЕТАЛИРОВКА ДЛЯ МОДЕЛИ: HONDA BF8B2

Подвесной четырёхтактный лодочный двигатель BF8B2 - Комплект зарядной катушки / Charge Coil Kit

Время выполнения запроса 0.15336990356445 сек.

 
 

данный сайт носит информационный характер и не является публичной офертой

склад запчастей для водомоторной техники