Контактный телефон: +7 (981) 121-46-93, +7 (800) 200-90-76 , Email: parts-katalog@yandex.ru, где купить |
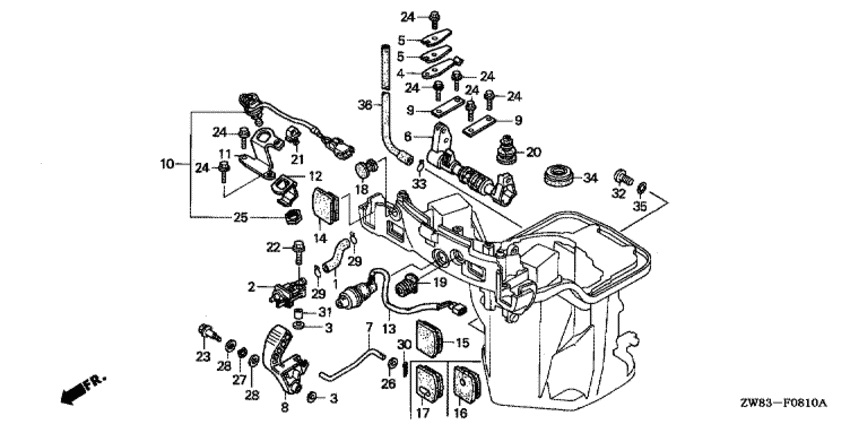
Модификация Вашего двигателя: Honda BF8D2 SHE Вернуться к выбору узлов мотора Переключающий вал (для моделей с румпелем) |
|||||||||||||||||||||||||||||||||||||||||||||||||||||||||||||||||||||||||||||||||||||||||||||||||||||||||||||||||||||||||||||||||||||||||||||||||||||||||||||||||||||||||||||||||||||||||||||||||||||||||||||||||||||||||||||||
| Номер на рисунке | Артикул | Наименование | Кол-во на складе | Цена | |
| 1 | 16851-ZW9-000 | Топливная трубка А (Tube a, fuel) | под заказ | 1180 руб. | |
| 2 | 17710-ZW9-023 | Топливный коннектор, в сборе (b) (Connector assy., fuel (b)) | под заказ | 8320 руб. | |
| 2 | 17710-ZW9-033 | (последний код) CONNECTOR ASSY., FUEL (B) | под заказ | 6760 руб. | |
| 3 | 17936-921-000 | Опорная шайба (Washer, pivot) | 3 шт | 260 руб. | |
| 4 | 24218-ZW9-000 | Нажимная пружина (Spring, click) | 2 шт | 1500 руб. | |
| 5 | 24221-ZW9-010 | Пружина с помощью при нажатии (Spring, click assist) | 5 шт | 1740 руб. | |
| 6 | 24611-ZW9-010 | Переключающий вал (Shaft, shift) | 1 шт | 2390 руб. | |
| 7 | 24613-ZW9-000 | Соеденительная тяга (Rod, link) | под заказ | 1490 руб. | |
| 8 | 24614-ZW9-010 | Рычаг переключателя (Lever, shift) | под заказ | 5400 руб. | |
| 8 | 24614-ZW9-020 | (последний код) LEVER, SHIFT | 1 шт | 5400 руб. | |
| 9 | 24626-ZW9-010 | Пластина переключающего вала (Plate, shift shaft) | под заказ | 460 руб. | |
| 13 | 37210-ZW9-003 | Индикаторная лампа, в сборе (Lamp assy., indicator) | 2 шт | 8090 руб. | |
| 14 | 40105-ZW9-010 | Пыльник A масляного картера (Grommet a, oil case) | под заказ | 990 руб. | |
| 14 | 40105-ZW9-020 | (последний код) GROMMET A, OIL CASE | 5 шт | 990 руб. | |
| 16 | 40106-ZW9-630 | Пыльник B масляного картера (Grommet b, oil case) | под заказ | 1400 руб. | |
| 19 | 40108-ZW9-000 | Пыльник D масляного картера (Grommet d, oil case) | под заказ | 940 руб. | |
| 20 | 40109-ZW9-000 | Пыльник E масляного картера (Grommet e, oil case) | 1 шт | 990 руб. | |
| 22 | 90012-ZW9-000 | Фланцевый болт, 6x22 (ct200) (Bolt, flange, 6x22 (ct200)) | под заказ | 420 руб. | |
| 22 | 90012-ZW9-020 | (последний код) BOLT, FLANGE, 6X22 (CT200 | под заказ | 520 руб. | |
| 23 | 90105-ZV1-000 | Болт блокировки реверса (Bolt, reverse lock) | 2 шт | 830 руб. | |
| 24 | 90113-ZW9-000 | Фланцевый болт, 5x12 (ct200) (Bolt, flange, 5x12 (ct200)) | под заказ | 270 руб. | |
| 24 | 90113-ZW9-020 | (последний код) BOLT, FLANGE, 5X12 (CT200 | под заказ | 270 руб. | |
| 26 | 90452-GK4-600 | Плоская шайба, 5 мм (Washer, plain, 5mm) | под заказ | 250 руб. | |
| 27 | 90506-ZW9-000 | Волнистая шайба, 10 мм (Washer, wave, 10mm) | под заказ | 230 руб. | |
| 28 | 90511-ZW9-000 | Плоская шайба, 9 мм (Washer, plain, 9mm) | под заказ | 730 руб. | |
| 29 | 90604-ZV0-000 | Зажим трубки (b12) (Clip, tube (b12)) | под заказ | 150 руб. | |
| 30 | 90759-ZV1-000 | Стопорный шплинт, 2.0 (Pin, split, 2.0) | 2 шт | 230 руб. | |
| 31 | 91551-ZV4-000 | Промежуточный воротник (6 мм) (Collar, distance (6mm)) | под заказ | 440 руб. | |
| 32 | 90101-ZW9-003 | Болт контроля уровня масла (Bolt, oil check) | под заказ | 790 руб. | |
| 33 | 90603-ZV4-000 | Зажим трубки (b10) (Clip, tube (b10)) | под заказ | 270 руб. | |
| 34 | 91202-ZW9-003 | Сальник, 13x28x7 (Seal, water, 13x28x7) | 2 шт | 970 руб. | |
| 35 | 91302-216-000 | Уплотнительное кольцо, 35.5x3 (O-ring, 35.5x3) | под заказ | 230 руб. | |
| 35 | 91301-428-003 | Уплотнительное кольцо (35.5x3) (O-ring (35.5x3)) | под заказ | 340 руб. | |
| 36 | 91402-ZW9-000 | Трубка контроля воды (Tube, water check) | под заказ | 870 руб. | |
Время выполнения запроса 0.60844898223877 сек.
склад запчастей для водомоторной техники