вконтакте

Контактный телефон: +7 (981) 121-46-93, +7 (800) 200-90-76 , Email: parts-katalog@yandex.ru, где купить

 
 

  Логин:

Пароль:

Регистрация

www.partskatalog.ru Все каталоги Запчасти Mercury Запчасти Suzuki Запчасти Tohatsu Запчасти Honda Контакты

назад Раздел:   вперёд

Модификация Вашего двигателя:   Honda BF8D1 SHSE
Модели с серийным номером двигателя от BEAAJ-1000001 до BEAAJ-1999999
Модели с серийным номером рамы от BAAJ-1000001 до BAAJ-1099999

Вернуться к выбору узлов мотора

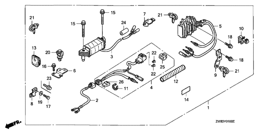
   Комплект зарядной катушки
Charge Coil Kit      


ДЕТАЛИРОВКА ДЛЯ МОДЕЛИ: HONDA BF8D1

Подвесной 4-тактный двигатель HONDA BF8D1 - Charge Coil Kit

Время выполнения запроса 0.17691016197205 сек.

 
 

данный сайт носит информационный характер и не является публичной офертой

склад запчастей для водомоторной техники