вконтакте

Контактный телефон: +7 (981) 121-46-93, +7 (800) 200-90-76 , Email: parts-katalog@yandex.ru, где купить

 
 

  Логин:

Пароль:

Регистрация

www.partskatalog.ru Все каталоги Запчасти Mercury Запчасти Suzuki Запчасти Tohatsu Запчасти Honda Контакты



УВАЖАЕМЫЕ КЛИЕНТЫ!
C 19 ДЕКАБРЯ 2025 ПО 02 МАРТА 2026 ГОДА ОТДЕЛ ЗАПЧАСТЕЙ И СЕРВИС РАБОТАТЬ НЕ БУДУТ
ПРОДАЖА ЛОДОЧНЫХ МОТОРОВ В ШТАТНОМ РЕЖИМЕ
ОБ ИЗМЕНЕНИЯХ В ГРАФИКЕ РАБОТЫ ЧИТАЙТЕ НА САЙТА



назад Раздел:   вперёд

Модификация Вашего двигателя:   Honda BF8CX LGDS
Модели с серийным номером двигателя от BABE-1200001 до BABE-9999999
Модели с серийным номером рамы от BAVL-1400001 до BAVL-1400145

Вернуться к выбору узлов мотора

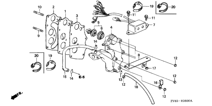
   Впускной коллектор (bf6b / bx / d6,bf8ax / b / bx)
Intake Manifold (bf6b / Bx / D6,bf8ax / B / Bx)      


ДЕТАЛИРОВКА ДЛЯ МОДЕЛИ: HONDA BF8CX

Лодочный fourstroke мотор BF8CX - Intake Manifold (bf6b / Bx / D6,bf8ax / B / Bx) / Впускной коллектор (bf6b / bx / d6,bf8ax / b / bx)

Время выполнения запроса 0.20472407341003 сек.

 
 

данный сайт носит информационный характер и не является публичной офертой

склад запчастей для водомоторной техники