вконтакте

Контактный телефон: +7 (981) 121-46-93, +7 (800) 200-90-76 , Email: parts-katalog@yandex.ru, где купить

 
 

  Логин:

Пароль:

Регистрация

www.partskatalog.ru Все каталоги Запчасти Mercury Запчасти Suzuki Запчасти Tohatsu Запчасти Honda Контакты



УВАЖАЕМЫЕ КЛИЕНТЫ!
C 19 ДЕКАБРЯ 2025 ПО 02 МАРТА 2026 ГОДА ОТДЕЛ ЗАПЧАСТЕЙ И СЕРВИС РАБОТАТЬ НЕ БУДУТ
ПРОДАЖА ЛОДОЧНЫХ МОТОРОВ В ШТАТНОМ РЕЖИМЕ
ОБ ИЗМЕНЕНИЯХ В ГРАФИКЕ РАБОТЫ ЧИТАЙТЕ НА САЙТА



назад Раздел:   вперёд

Модификация Вашего двигателя:   Honda BF6BX SGD
Модели с серийным номером двигателя от BALE-1000002 до BALE-9999999
Модели с серийным номером рамы от BALS-2000001 до BALS-9999999

Вернуться к выбору узлов мотора

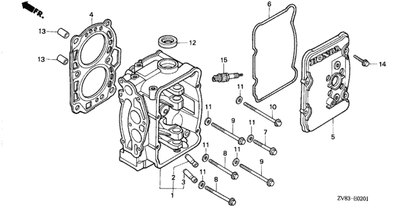
   Головка блока цилиндра (bf8c / cx)
Cylinder Head (bf8c / Cx)      


ДЕТАЛИРОВКА ДЛЯ МОДЕЛИ: HONDA BF6BX

Лодочный четырёх тактный мотор BF6BX - Головка блока цилиндра (bf8c / cx) - Cylinder Head (bf8c / Cx)

Время выполнения запроса 0.99939107894897 сек.

 
 

данный сайт носит информационный характер и не является публичной офертой

склад запчастей для водомоторной техники