вконтакте

Контактный телефон: +7 (981) 121-46-93, +7 (800) 200-90-76 , Email: parts-katalog@yandex.ru, где купить

 
 

  Логин:

Пароль:

Регистрация

www.partskatalog.ru Все каталоги Запчасти Mercury Запчасти Suzuki Запчасти Tohatsu Запчасти Honda Контакты



УВАЖАЕМЫЕ КЛИЕНТЫ!
C 19 ДЕКАБРЯ 2025 ПО 02 МАРТА 2026 ГОДА ОТДЕЛ ЗАПЧАСТЕЙ И СЕРВИС РАБОТАТЬ НЕ БУДУТ
ПРОДАЖА ЛОДОЧНЫХ МОТОРОВ В ШТАТНОМ РЕЖИМЕ
ОБ ИЗМЕНЕНИЯХ В ГРАФИКЕ РАБОТЫ ЧИТАЙТЕ НА САЙТА



назад Раздел:   вперёд

Модификация Вашего двигателя:   Honda BF6D6 LK
Модели с серийным номером двигателя от BEAYJ-1000001 до BEAYJ-9999999
Модели с серийным номером рамы от BAYJ-1000001 до BAYJ-9999999

Вернуться к выбору узлов мотора

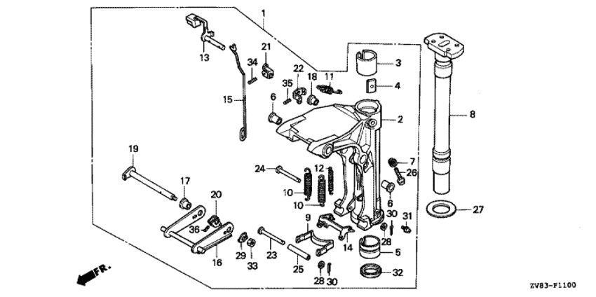
   Поворотный корпус / Поворотный вал (bf6b / bx / d6,bf8ax / b / bx)
Swivel Case / Swivel Shaft (bf6b / Bx / D6,bf8ax / B / Bx)      


ДЕТАЛИРОВКА ДЛЯ МОДЕЛИ: HONDA BF6D6

Лодочный 4-тактный мотор BF6D6 - Поворотный корпус / Поворотный вал (bf6b / bx / d6,bf8ax / b / bx)
Номер на
рисунке
АртикулНаименованиеКол-во
на складе
Цена
150200-881-844ZB

Поворотный корпус, в сборе *nh282mu * (Case assy., swivel *nh282mu *)

под заказпо запросу 
250201-881-843ZB

Поворотный корпус *nh282mu * (Case, swivel *nh282mu *)

под заказпо запросу 
350211-881-010

Гильза поворотного корпуса (Liner, swivel case)

под заказпо запросу 
450212-881-000

Фрикционный блок (Block, friction)

под заказпо запросу 
550213-881-000

Втулка поворотного вала (Bush, swivel shaft)

под заказ5030 руб. 
650214-ZV4-003

Втулка поворотного корпуса (Bush, swivel case)

4 шт1010 руб. 
750233-881-000

Пружина регулировки трения (Spring, friction adjusting)

под заказ510 руб. 
850417-881-840ZB

Поворотный вал *nh282mu * (Shaft, swivel *nh282mu *)

под заказ28000 руб. 
950512-ZV4-000

Зацеп блокировки реверса (Hook, reverse lock)

под заказпо запросу 
1050514-ZV4-000

Пружина блокировки задней передачи (Spring, reverse lock)

под заказ1790 руб. 
1150515-ZV4-300

Пружина рычага наклона (Spring, tilt lever)

под заказ800 руб. 
1250516-ZV4-300

Пружина тяги наклона (Spring, tilt link)

2 шт760 руб. 
1350517-ZV4-020

Рычаг наклона (Lever, tilt)

под заказпо запросу 
1450518-ZV4-000

Рычаг блокировки реверса (Arm, reverse lock)

под заказпо запросу 
1550519-ZV4-300

Тяга освобождения поворота двигателя (Rod, release swivel case)

под заказ1330 руб. 
1650520-ZV4-010

Плечо наклона (Arm comp., tilt)

под заказ7880 руб. 
1750521-ZV1-000

Втулка рычага наклона (Bush, tilt lever)

под заказ890 руб. 
1850522-ZV4-000

Втулка рычага наклона (Bush, tilt lever)

11 шт650 руб. 
1950525-ZV4-010

Вал наклона двигателя (Shaft comp., tilt)

1 шт3900 руб. 
2050526-ZV4-000

Кронштейн вала наклона двигателя (Bracket, tilt shaft)

под заказ1320 руб. 
2150527-ZV4-010

Кронштейн освобождающей тяги (Bracket, release rod)

под заказ960 руб. 
2250528-ZV4-010

Кронштейн рычага наклона (Bracket, tilt lever)

4 шт960 руб. 
2350531-ZV4-000

Вал блокировки задней передачи (a) (Shaft, reverse lock (a))

под заказпо запросу 
2450532-ZV4-000

Вал блокировки задней передачи (b) (Shaft, reverse lock (b))

под заказ1220 руб. 
2550533-ZV4-000

Воротник блокировки реверса (Collar, reverse lock)

под заказпо запросу 
2690109-ZV4-000

Специальный болт, 8x20 (Bolt, special, 8x20)

под заказ500 руб. 
2790454-881-000

Упорная шайба (Washer, thrust)

под заказ420 руб. 
2890504-921-010

Плоская шайба, 6 мм (Washer, plain, 6mm)

6 шт330 руб. 
2990505-ZV4-000

Шайба с блокировкой (Washer, lock)

под заказ590 руб. 
3090759-ZV1-000

Стопорный шплинт, 2.0 (Pin, split, 2.0)

2 шт230 руб. 
3190951-ZV7-010

Ниппель смазки (Nipple, grease)

5 шт460 руб. 
3291256-881-004

Сальник, 32x37x7 (nok) (Oil seal, 32x37x7 (nok))

под заказ1880 руб. 
3394002-064900S

Шестигранная гайка, 6 мм (Nut, hex., 6mm)

под заказ150 руб. 
3490751-ZV4-C21

Стопор пружины, 3.0x22 (Pin, spring, 3.0x22)

3 шт280 руб. 
3590752-ZV4-C21

Стопор пружины, 3.0x25 (Pin, spring, 3.0x25)

2 шт280 руб. 

Время выполнения запроса 3.0987331867218 сек.

 
 

данный сайт носит информационный характер и не является публичной офертой

склад запчастей для водомоторной техники