вконтакте

Контактный телефон: +7 (981) 121-46-93, +7 (800) 200-90-76 , Email: parts-katalog@yandex.ru, где купить

 
 

  Логин:

Пароль:

Регистрация

www.partskatalog.ru Все каталоги Запчасти Mercury Запчасти Suzuki Запчасти Tohatsu Запчасти Honda Контакты

назад Раздел:   вперёд

Модификация Вашего двигателя:   Honda BF5A2 SEB
Модели с серийным номером двигателя от BADE-1200001 до BADE-1299999
Модели с серийным номером рамы от BADS-1700001 до BADS-1999999

Вернуться к выбору узлов мотора

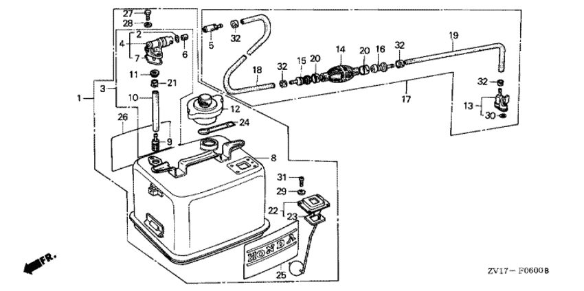
   Топливный бак (стандартный)
Fuel Tank (standard)      


ДЕТАЛИРОВКА ДЛЯ МОДЕЛИ: HONDA BF5A2

Подвесной четырёх-тактный лодочный двигатель Honda BF5A2 - Fuel Tank (standard)

Время выполнения запроса 0.1489520072937 сек.

 
 

данный сайт носит информационный характер и не является публичной офертой

склад запчастей для водомоторной техники