вконтакте

Контактный телефон: +7 (981) 121-46-93, +7 (800) 200-90-76 , Email: parts-katalog@yandex.ru, где купить

 
 

  Логин:

Пароль:

Регистрация

www.partskatalog.ru Все каталоги Запчасти Mercury Запчасти Suzuki Запчасти Tohatsu Запчасти Honda Контакты



УВАЖАЕМЫЕ КЛИЕНТЫ!
C 19 ДЕКАБРЯ 2025 ПО 02 МАРТА 2026 ГОДА ОТДЕЛ ЗАПЧАСТЕЙ И СЕРВИС РАБОТАТЬ НЕ БУДУТ
ПРОДАЖА ЛОДОЧНЫХ МОТОРОВ В ШТАТНОМ РЕЖИМЕ
ОБ ИЗМЕНЕНИЯХ В ГРАФИКЕ РАБОТЫ ЧИТАЙТЕ НА САЙТА



назад Раздел:   вперёд

Модификация Вашего двигателя:   Honda BF5A1 LC
Модели с серийным номером двигателя от BADE-1300001 до BADE-1399999
Модели с серийным номером рамы от BADS-1600001 до BADS-1699999

Вернуться к выбору узлов мотора

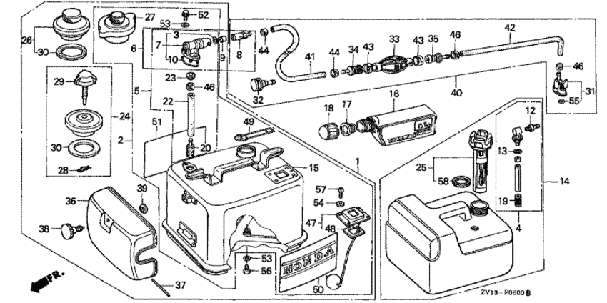
   Топливный бак / Вспомогательный бак
Fuel Tank / Sub Tank      


ДЕТАЛИРОВКА ДЛЯ МОДЕЛИ: HONDA BF5A1

Лодочный четырёхтактный мотор BF5A1 - Fuel Tank / Sub Tank - Топливный бак / Вспомогательный бак
Номер на
рисунке
АртикулНаименованиеКол-во
на складе
Цена
416900-ZV4-A21

Соеденитель топливного бака, в сборе (Joint assy., fuel)

под заказ8700 руб. 
1216977-ZV5-A00

Фитинг для быстрого отключения (Fitting, quick disconnect)

2 шт5520 руб. 
1316979-ZV5-900

Уплотнительное кольцо (O-ring)

под заказ370 руб. 
1316979-ZV5-901

(последний код) O-RING

под заказ380 руб. 
1417500-ZV4-A21

Топливный бак, в сборе (Tank assy., fuel)

под заказ23630 руб. 
1417500-ZZ5-013

(последний код) TANK ASSY,FUEL 12

под заказ25890 руб. 
1917583-ZV5-900

Топливный фильтр (Filter, fuel)

под заказ1820 руб. 
1917583-ZV5-901

(последний код) FILTER, FUEL

1 шт1570 руб. 
2517620-ZV4-A20

Крышка топливного фильтра (Cap comp., fuel filler)

под заказ6640 руб. 
3117650-921-003ZB

Коннектор топливного бака *nh1 * (Connector comp., fuel *nh1 *)

под заказ6730 руб. 
31T-SF80212-7

   (не оригинальный аналог) Коннектор топливный SUNFINE тип Suzuki, Johnson, Evinrude, OMC, Honda, 9мм, 775641

под заказ1240 руб.
3217660-ZV5-A00

Коннектор топливного бака (Connector comp., fuel)

под заказ8280 руб. 
3217660-ZW9-003

(последний код) CONNECTOR COMP., FUEL

под заказ6730 руб. 
3317661-921-000

Груша для подкачки топлива (Bulb, primer)

под заказ2990 руб. 
3317661-921-010

(последний код) BULB, PRIMER

под заказ2990 руб. 
3417665-ZV5-000

Внутренний клапан (Valve comp., in.)

под заказ3190 руб. 
3517680-921-000

Наружный клапан (Valve comp., outlet)

под заказпо запросу 
4017700-881-C01ZA

Топливная трубка *nh1 * (Tube comp., fuel *nh1 *)

под заказ11760 руб. 
4017700-881-C03ZA

(последний код) TUBE COMP., FUEL *NH1 *

под заказ17810 руб. 
4117701-ZV5-000

Длинная топливная трубка (7.3x2000) (Tube, fuel long (7.3x2000))

под заказ4740 руб. 
4217702-921-000

Короткая топливная трубка (Tube, fuel short)

под заказ1180 руб. 
4317703-921-010

Зажимной ремешек трубки, 20 мм (Band, tube clip, 20mm)

под заказ580 руб. 
4417704-921-000

Зажимной ремешек трубки, 11 мм (Band, tube clip, 11mm)

под заказпо запросу 
4417704-ZV4-010

Зажимной ремешек трубки, 12.5 мм (Band, tube clip, 12.5mm)

под заказ320 руб. 
5591353-921-310

Уплотнительное кольцо, 5.5 мм (O-ring, 5.5mm)

под заказ210 руб. 
5817624-ZV4-A20

Прокладка крышки бака (Packing, fuel cap)

под заказ1520 руб. 
5817624-ZV5-902

(последний код) PACKING, FUEL CAP

под заказ1520 руб. 

Время выполнения запроса 0.52534818649292 сек.

 
 

данный сайт носит информационный характер и не является публичной офертой

склад запчастей для водомоторной техники