Контактный телефон: +7 (981) 121-46-93, +7 (800) 200-90-76 , Email: parts-katalog@yandex.ru, где купить |
Модификация Вашего двигателя: Honda BF2D2 LCHU Вернуться к выбору узлов мотора Румпель |
|||||||||||||||||||||||||||||||||||||||||||||||||||||||||||||||||||||||||||||||||||||||||||||||||||||||||||||||||||||||||||||||||||||||||||||||||||||||||||||||||||||||||||||||||||||||||||||||||||||||||||||||||||||||||||||||||||||||||||||||||||||||||||||||||||||||||
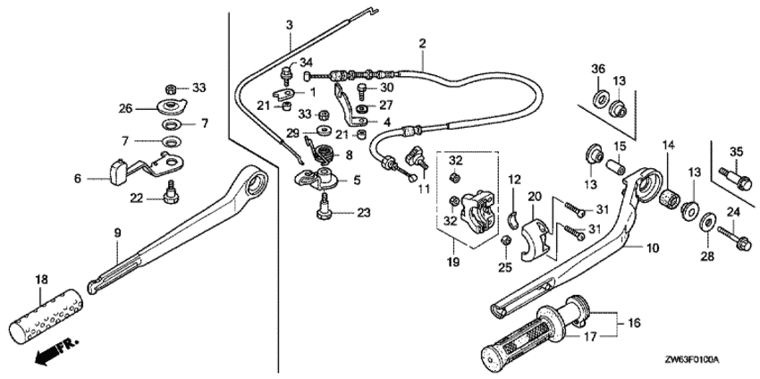
| Номер на рисунке | Артикул | Наименование | Кол-во на складе | Цена | |
| 1 | 16576-ZW6-010 | Держатель кабеля (Holder, cable) | под заказ | по запросу | |
| 1 | 16576-ZV0-010 | Держатель кабеля (Holder, cable) | под заказ | 640 руб. | |
| 2 | 17910-ZW6-702 | Тросик дросселя (a) (Cable comp., throttle (a)) | под заказ | 7030 руб. | |
| 2 | 17910-ZVA-003 | (последний код) CABLE COMP. A, THROTTLE | под заказ | 5640 руб. | |
| 3 | 17920-ZW6-000 | Тросик дросселя (b) (Cable comp., throttle (b)) | под заказ | 1720 руб. | |
| 3 | 17920-ZVA-000 | (последний код) CABLE COMP. B, THROTTLE | 1 шт | 1290 руб. | |
| 4 | 17921-ZV1-020 | Держатель кабеля (Holder, cable) | под заказ | 1180 руб. | |
| 5 | 17930-ZW6-700 | Рукоятка дросселя (Arm comp., throttle) | под заказ | 3290 руб. | |
| 5 | 17930-ZVA-000 | (последний код) ARM COMP., THROTTLE | под заказ | 3290 руб. | |
| 8 | 17932-ZW6-700 | Пружина рычага дросселя (Spring, throttle arm) | под заказ | 520 руб. | |
| 8 | 17932-ZVA-000 | (последний код) SPRING, THROTTLE ARM | под заказ | 520 руб. | |
| 10 | 53101-ZW6-700ZA | Ручка руля (румпель) *nh246 * (Handle, steering *nh246 *) | под заказ | 12530 руб. | |
| 11 | 53104-ZW6-700 | Фрикционный болт (Bolt, friction) | под заказ | 1360 руб. | |
| 11 | 53104-ZVA-000 | (последний код) BOLT, FRICTION | 1 шт | 1360 руб. | |
| 12 | 53106-ZW6-700 | Блокировка дросселя (Block, throttle friction) | под заказ | 510 руб. | |
| 12 | 53106-ZVA-000 | (последний код) BLOCK, THROTTLE FRICTION | под заказ | 730 руб. | |
| 13 | 53107-ZV0-000 | Воротник крепления румпеля (Collar, handle mounting) | под заказ | 860 руб. | |
| 13 | 53107-ZVA-000 | (последний код) COLLAR, HANDLE MOUNTING | 1 шт | 860 руб. | |
| 14 | 53108-ZV0-000 | Монтажная резинка румпеля (Rubber, handle mounting) | под заказ | 610 руб. | |
| 14 | 53108-ZVA-010 | (последний код) RUBBER, HANDLE MOUNTING | 2 шт | 780 руб. | |
| 15 | 53109-ZV0-000 | Промежуточный воротник (Collar, distance) | 3 шт | 1180 руб. | |
| 16 | 53140-GW0-000 | Рукоятка comp., Дроссель (Grip comp., throttle) | под заказ | 1940 руб. | |
| 17 | 53165-GW0-000 | Рукоятка, r. handle (Grip, r. handle) | 1 шт | 760 руб. | |
| 19 | 53167-ZW6-701 | Корпус, under Дроссель (Housing, under throttle) | под заказ | 2240 руб. | |
| 19 | 53167-ZVA-000 | (последний код) HOUSING, UNDER THROTTLE | под заказ | 2800 руб. | |
| 20 | 53168-GAH-700 | Корпус, вышеper Дроссель (Housing, upper throttle) | под заказ | 1440 руб. | |
| 20 | 53168-GAH-A00 | (последний код) HOUSING, UPPER THROTTLE | под заказ | 1440 руб. | |
| 21 | 77235-GC2-000 | Воротник захватки седла (Collar, seat catch) | под заказ | 320 руб. | |
| 23 | 90101-ZW6-700 | Болт под шестигранник., 6x24 (Bolt, hex., 6x24) | под заказ | 910 руб. | |
| 23 | 90101-ZVA-000 | (последний код) BOLT, HEX., 6X24 | под заказ | 950 руб. | |
| 24 | 90105-ZV0-000 | Фланцевый болт, 8x40 (Bolt, flange, 8x40) | под заказ | 430 руб. | |
| 25 | 94001-064-900-S | Гайка (Nut) | под заказ | 200 руб. | |
| 28 | 90508-ZV0-000 | Шайба, 12.5x32 (Washer, 12.5x32) | под заказ | 360 руб. | |
| 29 | 90511-ZV4-000 | Плоская шайба, 6 мм (Washer, plain, 6mm) | под заказ | 440 руб. | |
| 30 | 92101-06014-4J | Болт под шестигранник., 6x14 (Bolt, hex., 6x14) | 1 шт | 240 руб. | |
| 31 | 93500-050-204-J | Винт (Screw) | под заказ | 110 руб. | |
| 32 | 94001-054900S | Шестигранная гайка, 5 мм (Nut, hex., 5mm) | 1 шт | 110 руб. | |
| 33 | 94001-060200S | Шестигранная гайка, 6 мм (Nut, hex., 6mm) | под заказ | 110 руб. | |
| 33 | 90302-ZW4-000 | Шестигранная гайка, 6 мм (Nut, hex., 6mm) | под заказ | 170 руб. | |
| 34 | 95701-060-120-2 | Болт (Bolt) | под заказ | 140 руб. | |
| 34 | 90056-ZY3-000 | Фланцевый болт, 6x12 (Bolt, flange, 6x12) | под заказ | 430 руб. | |
Время выполнения запроса 2.7286360263824 сек.
склад запчастей для водомоторной техники