вконтакте

Контактный телефон: +7 (981) 121-46-93, +7 (800) 200-90-76 , Email: parts-katalog@yandex.ru, где купить

 
 

  Логин:

Пароль:

Регистрация

www.partskatalog.ru Все каталоги Запчасти Mercury Запчасти Suzuki Запчасти Tohatsu Запчасти Honda Контакты


Все разделы каталога запчастей на этот двигатель

назад Раздел:   вперёд

вернуться к списку узлов и деталей

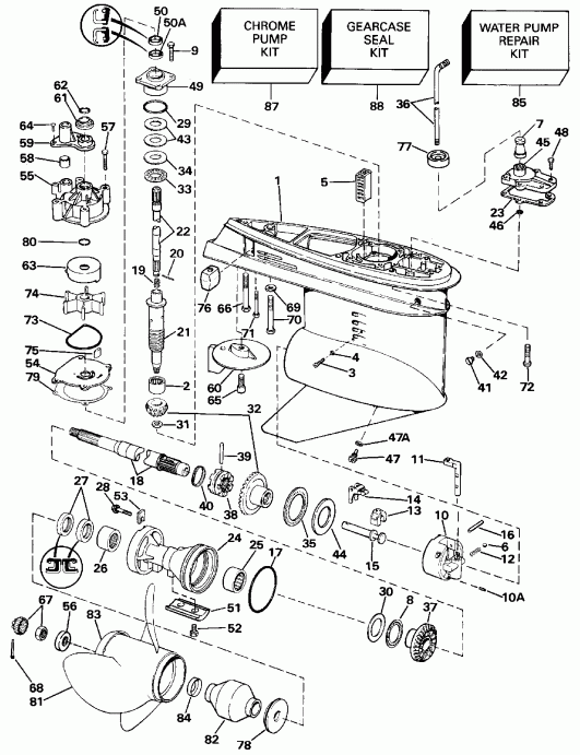
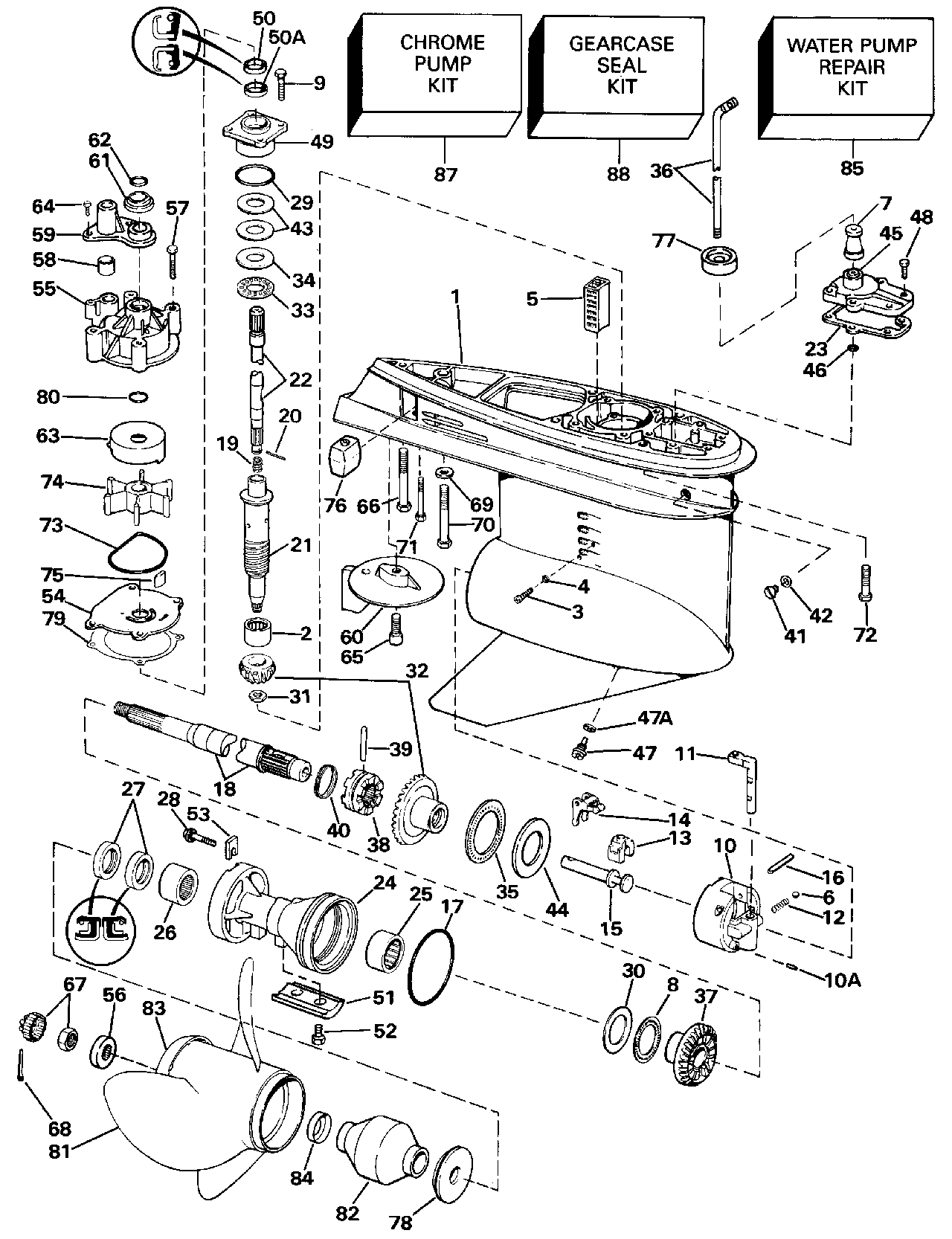
ДЕТАЛИРОВКА ДЛЯ МОДЕЛИ: EVINRUDE E120TLESB 1990

РЕДУКТОР - 140TX СТАНДАРТ ROTATION | GEARCASE - 140TX STANDARD ROTATION;


Подвесной двигатель EVINRUDE E120TLESB 1990  - 140tx стандарт Rotation / 140tx Standard Rotation

Номер на
рисунке
АртикулНаименованиеКол-во
на складе
Цена
0433712 0433712

Редуктор в сборе., комплект. Not Shown (GEARCASE ASSY., Complete. Not Shown)

нет в наличии, поставок нет
0433712 0434429

   (последний код) GEARCASE

нет в наличии, поставок нет
1 0431695

Редуктор в сборе с подшипником. (GEARCASE & BEARING ASSY.)

нет в наличии, поставок нет
1 0439973

   (последний код) CALL TECH SVC/QIPL

нет в наличии, поставок нет
2 0387817

Подшипник, Шестерня (BEARING, Pinion)

нет в наличии, поставок нет
3 0324852

Установочный винт & Сальник Подшипник (SET SCREW & SEAL Bearing)

нет в наличии, поставок нет
4 0332584

Сальник (SEAL)

нет в наличии, поставок нет
5 0321123

Водяной экран Система впуска (SCREEN, Water intake)

нет в наличии, поставок нет
6 0160084

Шарик, Detent (BALL, Detent)

нет в наличии, поставок нет
6 3852023

   (последний код) BALL

нет в наличии, поставок нет
7 0321122

Проставка, Переключающая тяга (SPACER, Shift rod)

нет в наличии, поставок нет
8 0382408

THRUST BRG. в сборе., Reverse Шестерня (THRUST BRG. ASSY., Reverse gear)

нет в наличии, поставок нет
9 0317624

Винт, Корпус to Редуктор (SCREW, Housing to gearcase)

нет в наличии, поставок нет
10 0389455

Корпус & Подшипник в сборе. (HOUSING & BEARING ASSY.)

нет в наличии, поставок нет
10A 0331880

Штифт, Корпус (PIN, Housing)

нет в наличии, поставок нет
11 0323946

DETENT, Переключательer (DETENT, Shifter)

нет в наличии, поставок нет
11 0915954

   (последний код) DETENT

нет в наличии, поставок нет
12 0911962

Фиксатор пружины (SPRING, Detent)

нет в наличии, поставок нет
12 0915955

   (последний код) SPRING

нет в наличии, поставок нет
13 0334163

CRADLE, Переключательer (CRADLE, Shifter)

5 шт1880 руб.
13 0322900

   (последний код) CRADLE-SHIFT

нет в наличии, поставок нет
14 0322938

Рычаг переключателя (LEVER, SHIFT)

нет в наличии, поставок нет
15 0322941

Вал (SHAFT)

нет в наличии, поставок нет
16 0328825

Штифт, Рычаг переключения (PIN, Shift lever)

нет в наличии, поставок нет
17 0321119

Уплотнительное кольцо, Вал гребного винта (O-RING, Propeller shaft)

нет в наличии, поставок нет
17 0305123

   (последний код) O-RING

нет в наличии, поставок нет
18 0395209

Вал гребного винта в сборе. (PROPELLER SHAFT ASSY.)

нет в наличии, поставок нет
18 0391472

   (последний код) PROP-SHAFT

нет в наличии, поставок нет
0433632 0433632

Приводной вал.. Not Shown (DRIVESHAFT ASSY.. Not Shown)

нет в наличии, поставок нет
0433632 5000776

   (последний код) KIT AY,D/SHAFT-25"

нет в наличии, поставок нет
19 0335684

Пружина (SPRING)

нет в наличии, поставок нет
20 0311538

Штифт, верхний to нижний driveВал (PIN, Upper to lower driveshaft)

нет в наличии, поставок нет
21 0335677

DRIVEВал, нижний (DRIVESHAFT, Lower)

нет в наличии, поставок нет
21 0345905

   (последний код) DRIVESHAFT,LOWER

нет в наличии, поставок нет
22 0335678

DRIVEВал, верхний (DRIVESHAFT, Upper)

нет в наличии, поставок нет
22 5000626

   (последний код) KIT, UPPR D/S 25"

нет в наличии, поставок нет
23 0324670

Прокладка, Переключающая тяга Крышка (GASKET, Shift rod cover)

нет в наличии, поставок нет
23 0352165

   (последний код) GASKET

2 шт550 руб.
24 0432688

Подшипник HSG. Сальник в сборе. (BEARING HSG. SEAL ASSY.)

нет в наличии, поставок нет
24 0438039

   (последний код) PROP SHAFT HSG AY

нет в наличии, поставок нет
25 0382407

Игольчатый подшипник в сборе. (NEEDLE BEARING ASSY.)

1 шт5500 руб.
26 0387247

Игольчатый подшипник в сборе. (NEEDLE BEARING ASSY.)

нет в наличии, поставок нет
27 0320862

Сальник (SEAL)

нет в наличии, поставок нет
28 0333955

Винт (SCREW)

нет в наличии, поставок нет
28 0350271

   (последний код) SCREW, BRG CARRIER

нет в наличии, поставок нет
29 0314728

Уплотнительное кольцо, DriveВал Подшипник (O-RING, Driveshaft bearing)

нет в наличии, поставок нет
29 0354731

   (последний код) O-RING

1 шт850 руб.
30 0314731

THRUST Шайба шестерни заднего хода (THRUST WASHER, Reverse gear)

нет в наличии, поставок нет
31 0314730

Гайка, Шестерня to driveВал (NUT, Pinion to driveshaft)

нет в наличии, поставок нет
32 0433841

Шестерня & Комплект шестерёнок. (GEAR & PINION ASSY.)

нет в наличии, поставок нет
32 0435123

   (последний код) GEARSET,FWD&PIN V4

нет в наличии, поставок нет
33 0387656

THRUST Подшипник, Шестерня (THRUST BEARING, Pinion)

нет в наличии, поставок нет
33 0383248

   (последний код) BEARING

нет в наличии, поставок нет
34 0327656

Упорная шайба шестерни Шестерня (THRUST WASHER, Pinion)

нет в наличии, поставок нет
34 0314729

   (последний код) THRUST-WASHE

нет в наличии, поставок нет
35 0389042

THRUST BRG. в сборе., Fwd. Шестерня (THRUST BRG. ASSY., Fwd. gear)

нет в наличии, поставок нет
36 0329865

Переключающая тяга (SHIFT ROD)

нет в наличии, поставок нет
37 0332725

Шестерня обратного хода (GEAR, Reverse)

нет в наличии, поставок нет
38 0334516

Переключатель собачки сцепления (SHIFTER, Clutch dog)

нет в наличии, поставок нет
38 0337774

   (последний код) SHIFTER,CLUTCH DOG

нет в наличии, поставок нет
39 0313448

Штифт сцепления dog (PIN, Clutch dog)

нет в наличии, поставок нет
40 0324369

Пружина, Сцепление dog Штифт (SPRING, Clutch dog pin)

нет в наличии, поставок нет
40 0313454

   (последний код) SPRING

нет в наличии, поставок нет
41 0318544

Заглушка, Fill & drain (PLUG, Fill & drain)

нет в наличии, поставок нет
41 0912624

   (последний код) SCREW

нет в наличии, поставок нет
42 0333572

Уплотнительное кольцо (O-RING)

нет в наличии, поставок нет
42 3855081

   (последний код) 0-RING

нет в наличии, поставок нет
43 0323362

Регулировочная шайба, 0.003 дюйм (0, 07 мм) (SHIM, 0.003 in. (0,07mm))

нет в наличии, поставок нет
43 0323361

Регулировочная шайба, 0.004 дюйм (0, 10 мм) (SHIM, 0.004 in. (0,10mm))

нет в наличии, поставок нет
43 0314745

Регулировочная шайба, 0.005 дюйм (0, 12 мм) (SHIM, 0.005 in. (0,12mm))

нет в наличии, поставок нет
44 0327669

Упорная шайба, Fwd. Шестерня (THRUST WASHER, Fwd. gear)

нет в наличии, поставок нет
44 0324805

   (последний код) THRUST-WASHE

нет в наличии, поставок нет
45 0388618

Крышка & Сальник в сборе. (COVER & SEAL ASSY.)

нет в наличии, поставок нет
45 5006241

   (последний код) COVER AY,SHIFT ROD

нет в наличии, поставок нет
46 0318372

Уплотнительное кольцо, Переключающая тяга (O-RING, Shift rod)

нет в наличии, поставок нет
47 0318544

Винт дренажный & fill (SCREW, Drain & fill)

нет в наличии, поставок нет
47 0912624

   (последний код) SCREW

нет в наличии, поставок нет
47A 0333572

Уплотнительное кольцо (O-RING)

нет в наличии, поставок нет
47A 3855081

   (последний код) 0-RING

нет в наличии, поставок нет
48 0302325

Винт, Крышка (SCREW, Cover)

нет в наличии, поставок нет
49 0397493

Подшипник Корпус & Сальник (BEARING HOUSING & SEAL)

нет в наличии, поставок нет
49 0439476

   (последний код) DS BRG HSG&SEAL AY

нет в наличии, поставок нет
50 0329922

Сальник, верхний (SEAL, Upper)

нет в наличии, поставок нет
50A 0329923

Сальник, нижний (SEAL, Lower)

нет в наличии, поставок нет
51 0431708

Анод (ANODE)

нет в наличии, поставок нет
51 0397111

   (последний код) ANODE-AY

нет в наличии, поставок нет
52 0908158

Винт, Анод (SCREW, Anode)

нет в наличии, поставок нет
52 3852050

   (последний код) SCREW

нет в наличии, поставок нет
53 0333957

TAB, Фиксатор (TAB, Retainer)

нет в наличии, поставок нет
54 0330380

Пластина корпуса крыльчатки. Stainless Steel Also included in Ремкомплект водяного насоса 395062 (PLATE, Impeller housing. Stainless Steel Also included in Water Pump Repair Kit 395062)

нет в наличии, поставок нет
54 0435027

   (последний код) CUP-&-PLATE

нет в наличии, поставок нет
54 0330383

Пластина корпуса крыльчатки. хромированная пластина (PLATE, Impeller housing. Chrome Plated)

нет в наличии, поставок нет
54 0435526

   (последний код) CUP & PLATE AY

нет в наличии, поставок нет
55 0395040

Крыльчатка Корпус, Редуктор. Also included in Ремкомплект водяного насоса 395062 (IMPELLER HOUSING, Gearcase. Also included in Water Pump Repair Kit 395062)

нет в наличии, поставок нет
55 0435485

   (последний код) HOUSING-AY,P

нет в наличии, поставок нет
56 0320570

Проставка гайки гребного винта (SPACER, Propeller nut)

нет в наличии, поставок нет
56 3852163

   (последний код) SPACER,PROP

нет в наличии, поставок нет
57 0328715

Винт, Крыльчатка Корпус. Also included in Ремкомплект водяного насоса 395062 (SCREW, Impeller housing. Also included in Water Pump Repair Kit 395062)

нет в наличии, поставок нет
57 0335221

   (последний код) SCREW

нет в наличии, поставок нет
58 0314008

Пыльник водяной трубки. Also included in Ремкомплект водяного насоса 395062 (GROMMET, Water tube. Also included in Water Pump Repair Kit 395062)

нет в наличии, поставок нет
59 0321159

Колпак крыльчатки Корпус. Also included in Ремкомплект водяного насоса 395062 (COVER, Impeller housing. Also included in Water Pump Repair Kit 395062)

нет в наличии, поставок нет
59 0338893

   (последний код) COVER,IMPELL

нет в наличии, поставок нет
60 0327640

Пластина трима, Редуктор (TRIM TAB, Gearcase)

нет в наличии, поставок нет
60 0338742

   (последний код) TAB,TRIM-STD

нет в наличии, поставок нет
61 0320943

Пыльник, Крыльчатка Корпус. Also included in Ремкомплект водяного насоса 395062 (GROMMET, Impeller housing. Also included in Water Pump Repair Kit 395062)

1 шт300 руб.
62 0310585

Уплотнительное кольцо, DriveВал to Картер двигателя. Also included in Ремкомплект водяного насоса 395062 (O-RING, Driveshaft to crankcase. Also included in Water Pump Repair Kit 395062)

нет в наличии, поставок нет
63 0330379

Cвыше, Крыльчатка. Stainless Steel Also included in Ремкомплект водяного насоса 395062 (CUP, Impeller. Stainless Steel Also included in Water Pump Repair Kit 395062)

нет в наличии, поставок нет
63 0435027

   (последний код) CUP-&-PLATE

нет в наличии, поставок нет
63 0330384

Cвыше, Крыльчатка. хромированная пластина (CUP, Impeller. Chrome Plated)

нет в наличии, поставок нет
63 0435526

   (последний код) CUP & PLATE AY

нет в наличии, поставок нет
64 0306643

Винт, Крышка to Крыльчатка. Also included in Ремкомплект водяного насоса 395062 (SCREW, Cover to impeller. Also included in Water Pump Repair Kit 395062)

нет в наличии, поставок нет
64 3852066

   (последний код) SCREW

нет в наличии, поставок нет
65 0313715

Винт, Пластина трима (SCREW, Trim tab)

нет в наличии, поставок нет
66 0330263

Винт, Редуктор to Задний корпус (SCREW, Gearcase to housing, rear)

нет в наличии, поставок нет
66 0914534

   (последний код) SCREW

нет в наличии, поставок нет
67 0398042

Гайка & KEEPER, Гребной винт (NUT & KEEPER, Propeller)

нет в наличии, поставок нет
67 3850984

   (последний код) NUT&KEEPER AY,PROP

нет в наличии, поставок нет
68 0306394

Шплинт, Гайка гребного винта (COTTER PIN, Propeller nut)

нет в наличии, поставок нет
68 3852056

   (последний код) PIN,COTTER

нет в наличии, поставок нет
69 0330265

Шайба (WASHER)

нет в наличии, поставок нет
70 0331998

Винт, Редуктор to Корпус (SCREW, Gearcase to housing)

нет в наличии, поставок нет
70 0914535

   (последний код) SCREW

нет в наличии, поставок нет
71 0328096

Винт, Анод (SCREW, Anode)

нет в наличии, поставок нет
71 0327046

   (последний код) SCREW

нет в наличии, поставок нет
72 0331999

Винт, Редуктор to Корпус, short (SCREW, Gearcase to housing, short)

нет в наличии, поставок нет
72 0910457

   (последний код) SCREW

нет в наличии, поставок нет
73 0331353

Сальник, Крыльчатка Корпус Пластина. Also included in Ремкомплект водяного насосаs 395062 & 395060 (SEAL, Impeller housing plate. Also included in Water Pump Repair Kits 395062 & 395060)

1 шт790 руб.
74 0395864

Крыльчатка в сборе.. Also included in Ремкомплект водяного насоса 395062 (IMPELLER ASSY.. Also included in Water Pump Repair Kit 395062)

нет в наличии, поставок нет
74 5001593

   (последний код) KIT AY,IMPELLER

нет в наличии, поставок нет
75 0331107

Ключ, DriveВал to Крыльчатка. Also included in Ремкомплект водяного насоса 395062 (KEY, Driveshaft to impeller. Also included in Water Pump Repair Kit 395062)

нет в наличии, поставок нет
76 0393023

Анод (ANODE)

нет в наличии, поставок нет
76 0436745

   (последний код) ANODE&INSERT AY

нет в наличии, поставок нет
77 0321008

Пыльник, Exh. hsg. to Переключающая тяга. Also included in Ремкомплект водяного насоса 395062 (GROMMET, Exh. hsg. to shift rod. Also included in Water Pump Repair Kit 395062)

нет в наличии, поставок нет
78 0333592

Упорная втулка (THRUST BUSHING)

нет в наличии, поставок нет
78 0321173

   (последний код) THRUST BUSHING

нет в наличии, поставок нет
79 0324701

Прокладка крыльчатки hsg. Пластина. Also included in Ремкомплект водяного насосаs 395062 & 395060 (GASKET, Impeller hsg. plate. Also included in Water Pump Repair Kits 395062 & 395060)

нет в наличии, поставок нет
79 0338484

   (последний код) GASKET,WTR PMP 5PK

нет в наличии, поставок нет
80 0332000

Кольцевой сальник, Крыльчатка Корпус. Also included in Ремкомплект водяного насоса 395062 (SEAL RING, Impeller housing. Also included in Water Pump Repair Kit 395062)

нет в наличии, поставок нет
81 0391536

Гребной винт, 15 1 / 2 x 13 (PROPELLER, 15 1/2 x 13)

нет в наличии, поставок нет
81 0391535

Гребной винт, 15 1 / 2 x 15 (PROPELLER, 15 1/2 x 15)

нет в наличии, поставок нет
81 0763471

   (последний код) PROP AL 15X15

нет в наличии, поставок нет
81 0391200

Гребной винт, 15 x 17 (PROPELLER, 15 x 17)

нет в наличии, поставок нет
81 0765187

   (последний код) PROP AY,AL 14.8X17

нет в наличии, поставок нет
81 0391201

Гребной винт, 14 1 / 2 x 19 (PROPELLER, 14 1/2 x 19)

нет в наличии, поставок нет
81 0765188

   (последний код) PROP AY,AL 14.5X19

нет в наличии, поставок нет
81 0391202

Гребной винт, 14 1 / 4 x 21 (PROPELLER, 14 1/4 x 21)

нет в наличии, поставок нет
81 0391203

Гребной винт, 14 1 / 4 x 23 (PROPELLER, 14 1/4 x 23)

нет в наличии, поставок нет
81 0389925

Гребной винт, 15 x 16 SST (PROPELLER, 15 x 16 SST)

нет в наличии, поставок нет
81 0387518

   (последний код) SST-V-6-17"

нет в наличии, поставок нет
81 0391290

Гребной винт, 15 x 17 SST (PROPELLER, 15 x 17 SST)

нет в наличии, поставок нет
81 0763914

   (последний код) VIPERTBX14.75X17RH

нет в наличии, поставок нет
81 0389924

Гребной винт, 14 1 / 2 x 19 SST (PROPELLER, 14 1/2 x 19 SST)

нет в наличии, поставок нет
81 0763918

   (последний код) VIPERTBX14.75X19RH

нет в наличии, поставок нет
81 0389923

Гребной винт, 14 1 / 4 x 21 SST (PROPELLER, 14 1/4 x 21 SST)

нет в наличии, поставок нет
81 0176619

   (последний код) SST V6 14.75X21

нет в наличии, поставок нет
81 0389019

Гребной винт, 14 1 / 4 x 23 SST (PROPELLER, 14 1/4 x 23 SST)

нет в наличии, поставок нет
81 0390831

Гребной винт, 15 1 / 2 x 14 SST (PROPELLER, 15 1/2 x 14 SST)

нет в наличии, поставок нет
82 0387157

Втулка в сборе., Prop. (BUSHING ASSY., Prop.)

нет в наличии, поставок нет
83 0332394

CONVERGING Кольцо, Std. prop. (CONVERGING RING, Std. prop.)

нет в наличии, поставок нет
83 3854241

   (последний код) RING, CONVERGING

нет в наличии, поставок нет
84 0313926

Гильза (SLEEVE)

нет в наличии, поставок нет
84 3850831

   (последний код) SLEEVE-PROP

нет в наличии, поставок нет
85 0395060

Ремкомплект водяного насоса (WATER PUMP REPAIR KIT)

нет в наличии, поставок нет
85 5001594

   (последний код) KIT AY,WATER PUMP

нет в наличии, поставок нет
85 T-5001594

   (не оригинальный аналог) Ремкомплект насоса охлаждения Evinrude-Johnson 5001594

2 шт штпо запросу
85 0395062

Ремкомплект водяного насоса, (Includes Крыльчатка Корпус) (WATER PUMP REPAIR KIT, (Includes impeller housing))

нет в наличии, поставок нет
85 5001594

   (последний код) KIT AY,WATER PUMP

нет в наличии, поставок нет
85 T-5001594

   (не оригинальный аналог) Ремкомплект насоса охлаждения Evinrude-Johnson 5001594

2 шт штпо запросу
87 0396353

Комплект сальников редуктора (GEARCASE SEAL KIT)

нет в наличии, поставок нет
87 5006373

   (последний код) KIT AY,SEAL-GC

нет в наличии, поставок нет
88 0395059

Хромированный ремкомплект водяного насоса, (Inc. imp. hsg.) (CHROME PUMP KIT, (Inc. imp. hsg.))

нет в наличии, поставок нет
88 0435526

   (последний код) CUP & PLATE AY

нет в наличии, поставок нет
evinrude

Время выполнения запроса 3.6605141162872 сек.


 
 

данный сайт носит информационный характер и не является публичной офертой

склад запчастей для водомоторной техники