вконтакте

Контактный телефон: +7 (981) 121-46-93, +7 (800) 200-90-76 , Email: parts-katalog@yandex.ru, где купить

 
 

  Логин:

Пароль:

Регистрация

www.partskatalog.ru Все каталоги Запчасти Mercury Запчасти Suzuki Запчасти Tohatsu Запчасти Honda Контакты


Все разделы каталога запчастей на этот двигатель

назад Раздел:   вперёд

вернуться к списку узлов и деталей

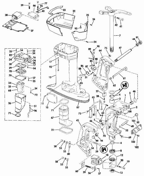
ДЕТАЛИРОВКА ДЛЯ МОДЕЛИ: EVINRUDE TE150SLESB 1990

MIDSECTION | MIDSECTION;


Мотор Evinrude TE150SLESB 1990  - dsection / dsection

Номер на
рисунке
АртикулНаименованиеКол-во
на складе
Цена
1 0432708

Поворотный кронштейн (SWIVEL BRACKET)

нет в наличии, поставок нет
1 0398935

   (последний код) SWIVEL-BRKT

нет в наличии, поставок нет
2 0313607

LUBRICATION FITTING (LUBRICATION FITTING)

нет в наличии, поставок нет
2 3852121

   (последний код) FITTING,LUB

нет в наличии, поставок нет
3 0320962

Втулка (BUSHING)

нет в наличии, поставок нет
4 0320937

Сальник (SEAL)

нет в наличии, поставок нет
5 0321035

Втулка, Поворотный кронштейн (BUSHING, Swivel bracket)

нет в наличии, поставок нет
6 0320866

THRUST Опорная шайба Вал (THRUST WASHER, Pivot shaft)

нет в наличии, поставок нет
7 0392518

Рулевая система Рычаг в сборе. (STEERING ARM ASSY.)

нет в наличии, поставок нет
7 0983289

   (последний код) STEERING ARM

нет в наличии, поставок нет
8 0327696

KEEPER, Стержень Вал (KEEPER, Pivot shaft)

нет в наличии, поставок нет
9 0306014

Винт, Заземление lead (SCREW, Ground lead)

нет в наличии, поставок нет
10 0320864

Крышка, Монтажный кронштейн, нижний (COVER, Mount bracket, lower)

нет в наличии, поставок нет
10 0338942

   (последний код) COVER,MOUNT-LOWER

нет в наличии, поставок нет
11 0322000

Винт, Крышка (SCREW, Cover)

нет в наличии, поставок нет
12 0327051

Монтажный кронштейн (MOUNT BRACKET)

нет в наличии, поставок нет
12 0340006

   (последний код) BRACKET,MOUN

нет в наличии, поставок нет
13 0320746

Гайка, Монтажный кронштейн (NUT, Mount bracket)

нет в наличии, поставок нет
14 0328739

Шайба, Sending unit Винт (WASHER, Sending unit screw)

нет в наличии, поставок нет
14 3852190

   (последний код) WASHER

нет в наличии, поставок нет
15 0332744

Удлинитель корпуса (EXHAUST HOUSING)

нет в наличии, поставок нет
15 0435432

   (последний код) HSG&STUD-AY,

нет в наличии, поставок нет
16 0301250

LOCKШайба (LOCKWASHER)

нет в наличии, поставок нет
16 0911009

   (последний код) WASHER

нет в наличии, поставок нет
17 0301250

Шайба, Удлинитель корпуса (WASHER, Exhaust housing)

нет в наличии, поставок нет
17 0911009

   (последний код) WASHER

нет в наличии, поставок нет
18 0391774

RUBBER Крепление нижнее, High Perf., зелёный (RUBBER MOUNT, Lower, High Perf., green)

нет в наличии, поставок нет
18 0434629

   (последний код) RUBBER MOUNT

нет в наличии, поставок нет
19 0328078

Винт, Крепление (SCREW, Mount)

нет в наличии, поставок нет
19 0327052

   (последний код) SCREW

нет в наличии, поставок нет
20 0306314

LOCKШайба, Крепление (LOCKWASHER, Mount)

нет в наличии, поставок нет
21 0320961

Сальник, Редуктор to Внутренности машинки газ-реверс (SEAL, Gearcase to inner housing)

нет в наличии, поставок нет
22 0983524

Выхлопная крышка Задний корпус (COVER, Exhaust housing, rear)

нет в наличии, поставок нет
23 0911117

Сальник, Удлинитель корпуса Крышка (SEAL, Exhaust housing cover)

нет в наличии, поставок нет
23 0334824

   (последний код) SEAL

нет в наличии, поставок нет
24 0328694

Винт, Front to rear Крышка (SCREW, Front to rear cover)

нет в наличии, поставок нет
24 0911122

   (последний код) SCREW

нет в наличии, поставок нет
25 0323800

Выхлопная крышка Передний корпус (COVER, Exhaust housing, front)

нет в наличии, поставок нет
26 0323548

EXH. HSG., Inner, Корпус (EXH. HSG., Inner, housing)

нет в наличии, поставок нет
26 0327800

   (последний код) EXHAUST HSG

нет в наличии, поставок нет
27 0433458

Анод, Port Кронштейн транца (ANODE, Port stern bracket)

нет в наличии, поставок нет
27 0398331

   (последний код) ANODE & INSERT AY

нет в наличии, поставок нет
28 0333350

Винт, Анод (SCREW, Anode)

нет в наличии, поставок нет
29 0324516

Прокладка, Hsg. to adapter (GASKET, Hsg. to adapter)

нет в наличии, поставок нет
29 0321086

   (последний код) GASKET

нет в наличии, поставок нет
30 0331033

ADAPTER, Exh.hsg. (ADAPTER, Exh.hsg.)

нет в наличии, поставок нет
30 0331034

   (последний код) ADAPTOR

нет в наличии, поставок нет
31 0308825

Винт, Sending unit to Кронштейн (SCREW, Sending unit to bracket)

нет в наличии, поставок нет
31 3852081

   (последний код) SCREW

нет в наличии, поставок нет
32 0303459

Винт, Adapter to Внутренности машинки газ-реверс (SCREW, Adapter to inner housing)

нет в наличии, поставок нет
32 3852048

   (последний код) SCREW

нет в наличии, поставок нет
33 0306778

Винт, Megaphone rear (SCREW, Megaphone rear)

нет в наличии, поставок нет
34 0302290

LOCKШайба (LOCKWASHER)

нет в наличии, поставок нет
34 0338307

   (последний код) WASHER,LOCK

нет в наличии, поставок нет
35 0306418

Винт, Adapter hsg. & Пластина (SCREW, Adapter hsg. & plate)

нет в наличии, поставок нет
36 0306409

Винт, Adapter to Корпус, outer (SCREW, Adapter to housing, outer)

нет в наличии, поставок нет
37 0335503

Прокладка, Adapter to powerhead (GASKET, Adapter to powerhead)

нет в наличии, поставок нет
37 0333658

   (последний код) GASKET

нет в наличии, поставок нет
38 0395539

Монтажная резинка в сборе., верхний (RUBBER MOUNT ASSY., Upper)

нет в наличии, поставок нет
39 0330930

Винт, верхний Крепление Винт (SCREW, Upper mount screw)

нет в наличии, поставок нет
39 0335021

   (последний код) SCREW 3/8-16

нет в наличии, поставок нет
41 0328692

Винт, верхний Крепление (SCREW, Upper mount)

нет в наличии, поставок нет
41 0335612

   (последний код) SCREW

нет в наличии, поставок нет
42 0313169

LOCKШайба, Крепление Винт (LOCKWASHER, Mount screw)

нет в наличии, поставок нет
43 0583967

LEAD в сборе., Заземление (LEAD ASSY., Ground)

нет в наличии, поставок нет
43 0583357

   (последний код) LEAD-AY

нет в наличии, поставок нет
44 0335554

Гайка, Tilt Трубка (NUT, Tilt tube)

нет в наличии, поставок нет
45 0395844

Кронштейн транца, Starboard (STERN BRACKET, Starboard)

нет в наличии, поставок нет
45 0397948

   (последний код) STERN-BRKT

нет в наличии, поставок нет
46 0327699

Упорная шайба, Кронштейн транца (THRUST WASHER, Stern bracket)

нет в наличии, поставок нет
46 0910992

   (последний код) THRUST WASHER

нет в наличии, поставок нет
47 0335553

TILT Трубка (TILT TUBE)

нет в наличии, поставок нет
49 0320792

Штифт, Цилиндр наклона (PIN, Tilt cylinder)

нет в наличии, поставок нет
50 0322481

Втулка, Цилиндр наклона (BUSHING, Tilt cylinder)

нет в наличии, поставок нет
50 0320941

   (последний код) BUSHING

нет в наличии, поставок нет
51 0305145

Пыльник водяной трубки (GROMMET, Water tube)

нет в наличии, поставок нет
52 0321054

Пружина Зажим (SPRING CLIP)

нет в наличии, поставок нет
53 0313623

Гайка, Кронштейн транца Винт (NUT, Stern bracket screw)

нет в наличии, поставок нет
53 0321861

   (последний код) NUT

нет в наличии, поставок нет
54 0307238

Шайба, Гайка (WASHER, Nut)

нет в наличии, поставок нет
55 0320248

Шайба, (WASHER,)

нет в наличии, поставок нет
55 0312910

   (последний код) WASHER

нет в наличии, поставок нет
56 0318273

Фиксатор (RETAINER)

нет в наличии, поставок нет
57 0319886

Винт (SCREW)

нет в наличии, поставок нет
58 0318572

Монтажная крышка Винт (CAP, Mounting screw)

нет в наличии, поставок нет
59 0327053

Винт, Brkt. to transom, 3" (76 мм) (SCREW, Brkt. to transom, 3" (76mm))

нет в наличии, поставок нет
59 0313327

Винт, Brkt. to transom, 4" (102 мм) (SCREW, Brkt. to transom, 4" (102mm))

нет в наличии, поставок нет
59 0336676

   (последний код) 4 3/4" TRNSM BOLT

нет в наличии, поставок нет
59 0326614

Винт, Brkt. to transom, 4 1 / 2" (114 мм) STD (SCREW, Brkt. to transom, 4 1/2" (114mm) STD)

нет в наличии, поставок нет
59 0336676

   (последний код) 4 3/4" TRNSM BOLT

нет в наличии, поставок нет
59 0321577

Винт, Brkt. to transom, 6" (152 мм) (SCREW, Brkt. to transom, 6" (152mm))

нет в наличии, поставок нет
60 0318272

Пластина (PLATE)

нет в наличии, поставок нет
61 0387278

Упорный стержень в сборе. (THRUST ROD ASSY.)

нет в наличии, поставок нет
61 0436541

   (последний код) ROD-ASSY-TRUST

нет в наличии, поставок нет
62 0321053

Пружина, Стержень тяги (SPRING, Thrust rod)

нет в наличии, поставок нет
63 0323142

Пружина, Trail lock (SPRING, Trail lock)

нет в наличии, поставок нет
63 0322394

   (последний код) SPRING

нет в наличии, поставок нет
64 0396309

Кронштейн транца в сборе., Port (STERN BRACKET ASSY., Port)

нет в наличии, поставок нет
64 0395843

   (последний код) STERN-BRACKE

нет в наличии, поставок нет
65 0390442

LOCKING Рычаг, Тяга (LOCKING LEVER, Rod)

нет в наличии, поставок нет
65 5004427

   (последний код) LEVER&ROD AY

нет в наличии, поставок нет
66 0331022

Пластина верхней опоры (PLATE, Upper mount)

нет в наличии, поставок нет
67 0320838

Удлинитель корпуса, Inner, нижний (EXHAUST HOUSING, Inner, lower)

нет в наличии, поставок нет
67 0327796

   (последний код) EXHAUST HSG, INNER

нет в наличии, поставок нет
68 0320870

TUNING MEGAPHONE, 150 (TUNING MEGAPHONE, 150)

нет в наличии, поставок нет
69 0321499

THRUST PAD (THRUST PAD)

нет в наличии, поставок нет
69 0320816

   (последний код) -THRUST-PAD

нет в наличии, поставок нет
70 0552938

LOCKГайка (LOCKNUT)

нет в наличии, поставок нет
70 0306319

   (последний код) NUT

нет в наличии, поставок нет
71 0320936

Сальник, Удлинитель корпуса (SEAL, Exhaust housing)

нет в наличии, поставок нет
72 0319883

Винт, Megaphone, front (SCREW, Megaphone, front)

нет в наличии, поставок нет
73 0329109

SHOULDER Винт (SHOULDER SCREW)

нет в наличии, поставок нет
73 0321389

   (последний код) HH-SHOULDER

нет в наличии, поставок нет
74 0306422

Гайка, Powerhead to adapter (NUT, Powerhead to adapter)

нет в наличии, поставок нет
75 0321243

Втулка, Кронштейн транца (BUSHING, Stern bracket)

нет в наличии, поставок нет
76 0315071

Винт, Hsg. to adapter (SCREW, Hsg. to adapter)

нет в наличии, поставок нет
77 0330931

Винт, верхний Крепление (SCREW, Upper mount)

нет в наличии, поставок нет
77 0121250

   (последний код) SCREW

нет в наличии, поставок нет
78 0327803

Пластина в сборе. (PLATE ASSY.)

нет в наличии, поставок нет
79 0323222

Прокладка, Inner exh. hsg. to Пластина (GASKET, Inner exh. hsg. to plate)

нет в наличии, поставок нет
79 0322312

   (последний код) GASKET

нет в наличии, поставок нет
80 0321735

SвышеPORT, Кронштейн транца (SUPPORT, Stern bracket)

нет в наличии, поставок нет
81 0552993

Шайба, Винт to Кронштейн (WASHER, Screw to bracket)

нет в наличии, поставок нет
81 0330266

   (последний код) WASHER

нет в наличии, поставок нет
82 0600014

Винт, Outer hsg. to adapter (SCREW, Outer hsg. to adapter)

нет в наличии, поставок нет
84 0583358

SENDING UNIT в сборе. (SENDING UNIT ASSY.)

нет в наличии, поставок нет
84 0582944

   (последний код) SENDING-UNIT

нет в наличии, поставок нет
85 0511527

Фиксатор (RETAINER)

нет в наличии, поставок нет
85 3852232

   (последний код) RETAINER

нет в наличии, поставок нет
86 0511528

Пружина (SPRING)

нет в наличии, поставок нет
87 0320689

Гайка (NUT)

нет в наличии, поставок нет
87 3852164

   (последний код) NUT

нет в наличии, поставок нет
88 0512211

Рычаг (ARM)

нет в наличии, поставок нет
88 0511530

   (последний код) ARM-SENDING

нет в наличии, поставок нет
89 0511469

Штифт, Sending unit (PIN, Sending unit)

нет в наличии, поставок нет
89 3852229

   (последний код) TERMINAL,PIN

нет в наличии, поставок нет
90 0512746

Коннектор, Sending unit (CONNECTOR, Sending unit)

нет в наличии, поставок нет
91 0322376

WIPER Гайка, Tilt Трубка to Кабели. Recommended to prevent corrosion in salt water usage. (WIPER NUT, Tilt tube to cable. Recommended to prevent corrosion in salt water usage.)

нет в наличии, поставок нет
92 0328694

Винт, Нижняя часть корпуса, front (SCREW, Lower cover, front)

нет в наличии, поставок нет
92 0911122

   (последний код) SCREW

нет в наличии, поставок нет
93 0328698

Винт, Удлинитель корпуса (SCREW, Exhaust housing)

нет в наличии, поставок нет
94 0302860

Винт, Adapter to powerhead (SCREW, Adapter to powerhead)

нет в наличии, поставок нет
95 0328701

Шайба, Заземление (WASHER, Ground)

нет в наличии, поставок нет
95 3852182

   (последний код) WASHER,LOCK

нет в наличии, поставок нет
96 0321016

Водяная трубка (WATER TUBE)

нет в наличии, поставок нет
96 0346897

   (последний код) TUBE,WATER 20"

нет в наличии, поставок нет
97 0211388

Наклейка, Exh. hsg., Ev. (DECAL, Exh. hsg., Ev.)

нет в наличии, поставок нет
97 0332731

Наклейка Exh. hsg., Jo. (DECAL Exh. hsg., Jo.)

нет в наличии, поставок нет
98 0303701

Шайба, Заземление (WASHER, Ground)

нет в наличии, поставок нет
99 0317894

Колпачок, Tilt Трубка (CAP, Tilt tube)

нет в наличии, поставок нет
99 3852150

   (последний код) CAP

нет в наличии, поставок нет
100 0334076

Заглушка, Поворотный кронштейн (PLUG, Swivel bracket)

нет в наличии, поставок нет
101 0125543

Кронштейн рулевого управления Трубка (BRACKET, Steering tube)

нет в наличии, поставок нет
102 0125544

Винт, Кронштейн (SCREW, Bracket)

нет в наличии, поставок нет
103 0125545

Шайба (WASHER)

нет в наличии, поставок нет
103 0552783

   (последний код) WASHER

нет в наличии, поставок нет
evinrude

Время выполнения запроса 5.8816249370575 сек.


 
 

данный сайт носит информационный характер и не является публичной офертой

склад запчастей для водомоторной техники