вконтакте

Контактный телефон: +7 (981) 121-46-93, +7 (800) 200-90-76 , Email: parts-katalog@yandex.ru, где купить

 
 

  Логин:

Пароль:

Регистрация

www.partskatalog.ru Все каталоги Запчасти Mercury Запчасти Suzuki Запчасти Tohatsu Запчасти Honda Контакты


Все разделы каталога запчастей на этот двигатель

назад Раздел:   вперёд

вернуться к списку узлов и деталей

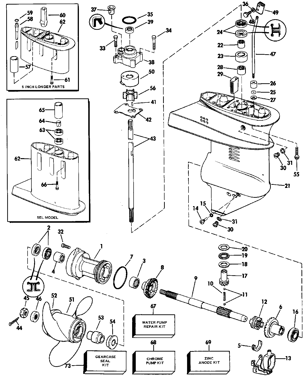
ДЕТАЛИРОВКА ДЛЯ МОДЕЛИ: EVINRUDE E30REIC 1991

УДЛИНИТЕЛЬ KIT В СБОРЕ. - 22.5 ДЮЙМ | EXTENSION KIT ASSY. - 22.5 IN.;


 Evinrude E30REIC 1991  - 22.5 In. - 22.5 дюйм

Номер на
рисунке
АртикулНаименованиеКол-во
на складе
Цена
0434652 0434652

Удлинитель KIT в сборе., 22.5 дюйм. Not Shown (EXTENSION KIT ASSY., 22.5 in.. Not Shown)

нет в наличии, поставок нет
1 0331465

Гайка, Переключающая тяга to Удлинитель (NUT, Shift rod to extension)

нет в наличии, поставок нет
2 0325625

KEEPER, верх и низ Переключающая тягаs to Удлинитель (KEEPER, Upper & lower shift rods to extension)

нет в наличии, поставок нет
3 0336757

DRIVEВал (DRIVESHAFT)

нет в наличии, поставок нет
4 0327969

Гайка, Шпилька (NUT, Stud)

нет в наличии, поставок нет
4 0316854

   (последний код) LOCKNUT

нет в наличии, поставок нет
5 0336758

Удлинитель, Переключающая тяга (EXTENSION, Shift rod)

нет в наличии, поставок нет
6 0301250

Шайба, Шпилька (WASHER, Stud)

нет в наличии, поставок нет
6 0911009

   (последний код) WASHER

нет в наличии, поставок нет
7 0311338

OКольцо, Проставка (ORING, Spacer)

нет в наличии, поставок нет
8 0319785

Втулка, Шпилька (BUSHING, Stud)

нет в наличии, поставок нет
9 0325537

Прокладка крыльчатки hsg. Пластина (GASKET, Impeller hsg. plate)

нет в наличии, поставок нет
10 0325624

Коннектор переключающей тяги to ext. (CONNECTOR, Shift rod to ext.)

нет в наличии, поставок нет
11 0336761

Шпилька (STUD)

нет в наличии, поставок нет
12 0336835

Проставка, Крыльчатка hsg. (SPACER, Impeller hsg.)

нет в наличии, поставок нет
13 0336759

Удлинитель, Водяная трубка (EXTENSION, Water tube)

нет в наличии, поставок нет
14 0336836

Шпилька (STUD)

нет в наличии, поставок нет
15 0336756

Удлинитель, Редуктор (EXTENSION, Gearcase)

нет в наличии, поставок нет
evinrude

Время выполнения запроса 0.64782691001892 сек.


 
 

данный сайт носит информационный характер и не является публичной офертой

склад запчастей для водомоторной техники