вконтакте

Контактный телефон: +7 (981) 121-46-93, +7 (800) 200-90-76 , Email: parts-katalog@yandex.ru, где купить

 
 

  Логин:

Пароль:

Регистрация

www.partskatalog.ru Все каталоги Запчасти Mercury Запчасти Suzuki Запчасти Tohatsu Запчасти Honda Контакты


Все разделы каталога запчастей на этот двигатель

Раздел:   вперёд

вернуться к списку узлов и деталей

ДЕТАЛИРОВКА ДЛЯ МОДЕЛИ: EVINRUDE E300PXEIE 1991

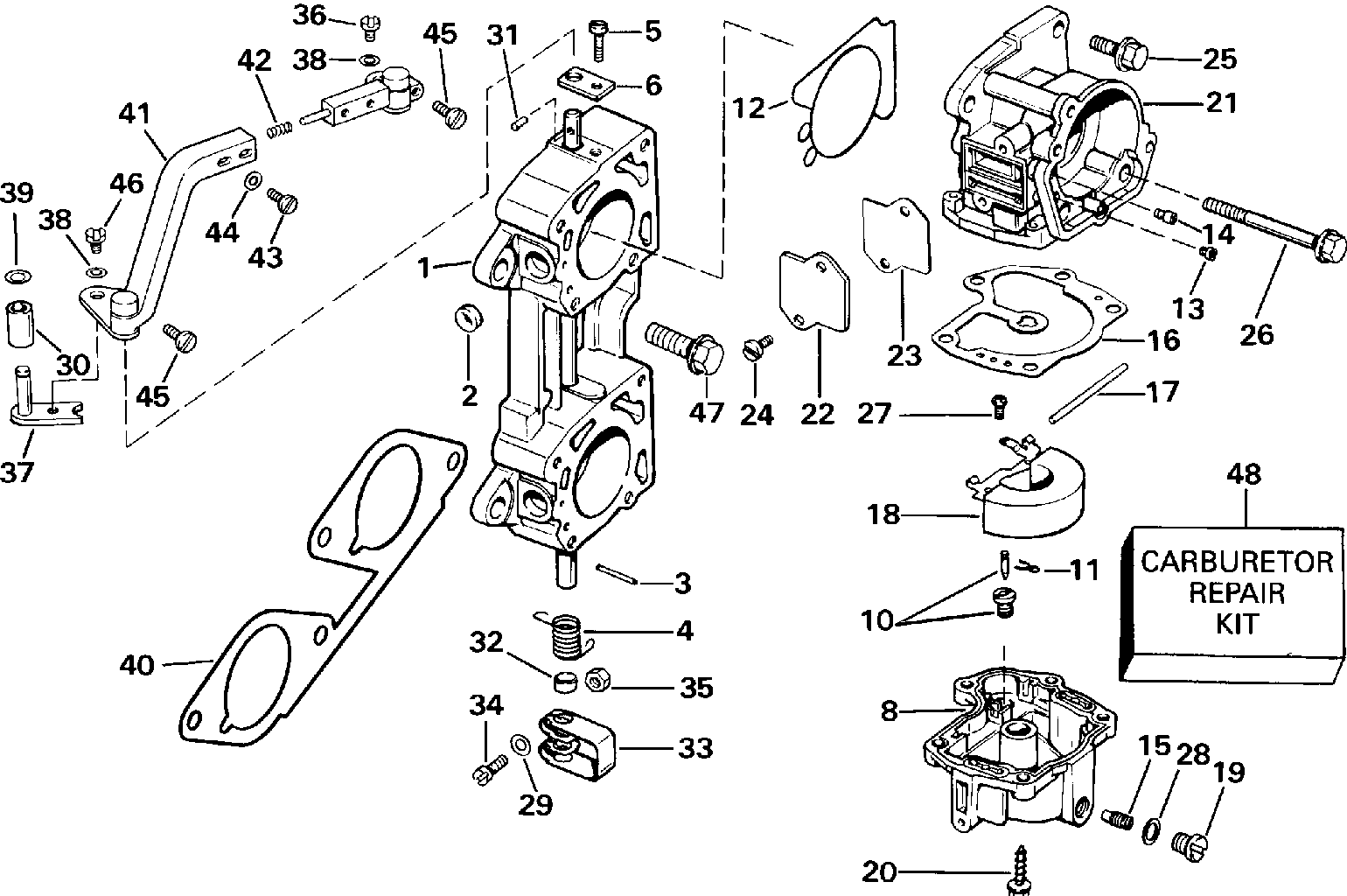
КАРБЮРАТОР | CARBURETOR;


Подвесной лодочный мотор Эвинруд E300PXEIE 1991  - rburetor - rburetor

Номер на
рисунке
АртикулНаименованиеКол-во
на складе
Цена
0434500 0434500

Карбюратор в сборе, 250. Not Shown (CARBURETOR ASSEMBLY, 250. Not Shown)

нет в наличии, поставок нет
0398349 0398349

Карбюратор в сборе, 300. Not Shown (CARBURETOR ASSEMBLY, 300. Not Shown)

нет в наличии, поставок нет
0398349 0398369

   (последний код) CARBURETOR AY

нет в наличии, поставок нет
1 0434717

Дроссель газа в сборе., 250 (THROTTLE BODY ASSY., 250)

нет в наличии, поставок нет
1 0397581

Дроссель газа в сборе., 300 (THROTTLE BODY ASSY., 300)

нет в наличии, поставок нет
2 0202310

CORE Заглушка (CORE PLUG)

нет в наличии, поставок нет
3 0303261

ROLL Штифт, Возвратная пружина (ROLL PIN, Return spring)

нет в наличии, поставок нет
4 0332254

Пружина, Дроссель return (SPRING, Throttle return)

нет в наличии, поставок нет
4 0328643

   (последний код) SPRING

нет в наличии, поставок нет
5 0328714

Винт, Вал (SCREW, Shaft)

нет в наличии, поставок нет
5 0204027

   (последний код) SCREW

нет в наличии, поставок нет
6 0328765

Зажим (CLIP)

нет в наличии, поставок нет
8 0398701

Поплавковая камера в сборе. (FLOAT CHAMBER ASSY.)

нет в наличии, поставок нет
8 0391733

   (последний код) FLOAT CHAMBER

нет в наличии, поставок нет
10 0396522

Клапан поплавка в сборе.. Also included in Ремкомплект карбюратора 398557 (FLOAT VALVE ASSY.. Also included in Carburetor Repair Kit 398557)

нет в наличии, поставок нет
10 0382889

   (последний код) FLOAT-VALVE

нет в наличии, поставок нет
11 0603145

Пружина Зажим (SPRING CLIP)

нет в наличии, поставок нет
11 0336842

   (последний код) CLIP,SPRING

нет в наличии, поставок нет
12 0328650

Сальник, Carb. Корпус, 250. Also included in Ремкомплект карбюратора 398557 (SEAL,Carb. body, 250. Also included in Carburetor Repair Kit 398557)

нет в наличии, поставок нет
12 0332253

REAL, Carb. Корпус, 300. Also included in Ремкомплект карбюратора 398557 (REAL,Carb. body, 300. Also included in Carburetor Repair Kit 398557)

нет в наличии, поставок нет
13 0325829

ORIFICE, Idle air bleed #42, 250 (ORIFICE, Idle air bleed #42, 250)

нет в наличии, поставок нет
13 0326500

ORIFICE, Idle air bleed #48, 300 (ORIFICE, Idle air bleed #48, 300)

нет в наличии, поставок нет
14 0327342

ORIFICE #46, 250 (ORIFICE #46, 250)

нет в наличии, поставок нет
14 0325829

ORIFICE #42, 300 (ORIFICE #42, 300)

нет в наличии, поставок нет
15 0333211

ORIFICE, High speed #68D, 250 (ORIFICE, High speed #68D, 250)

нет в наличии, поставок нет
15 0327559

ORIFICE, High speed #71, 300 (ORIFICE, High speed #71, 300)

нет в наличии, поставок нет
16 0326830

Прокладка, Поплавок bowl. Also included in Ремкомплект карбюратора 398557 (GASKET, Float bowl. Also included in Carburetor Repair Kit 398557)

нет в наличии, поставок нет
16 0338813

   (последний код) GASKET, FLOAT BWL

нет в наличии, поставок нет
17 0326865

Стопор поплавка (PIN, Float)

нет в наличии, поставок нет
18 0391508

Поплавок в сборе.. Also included in Ремкомплект карбюратора 398557 (FLOAT ASSY.. Also included in Carburetor Repair Kit 398557)

нет в наличии, поставок нет
19 0327116

Винт заглушки (SCREW, Plug)

нет в наличии, поставок нет
20 0328649

Винт, Bowl to Корпус. (SCREW, Bowl to body.)

нет в наличии, поставок нет
20 0337541

   (последний код) SCREW

нет в наличии, поставок нет
21 0434170

CARB. Корпус в сборе., 250 (CARB. BODY ASSY., 250)

нет в наличии, поставок нет
21 0432512

CARB. Корпус в сборе., 300 (CARB. BODY ASSY., 300)

нет в наличии, поставок нет
22 0335647

Крышка Пластина, 250 (COVER PLATE, 250)

нет в наличии, поставок нет
22 0328640

Крышка Пластина, 300 (COVER PLATE, 300)

нет в наличии, поставок нет
23 0335648

Прокладка крышки Пластина, 250. Also included in Ремкомплект карбюратора 398557 (GASKET, Cover plate, 250. Also included in Carburetor Repair Kit 398557)

нет в наличии, поставок нет
23 0327223

Прокладка крышки Пластина, 300. Also included in Ремкомплект карбюратора 398557 (GASKET, Cover plate, 300. Also included in Carburetor Repair Kit 398557)

нет в наличии, поставок нет
23 0328641

   (последний код) GASKET

нет в наличии, поставок нет
24 0315656

Винт, Крышка Пластина. (SCREW, Cover plate.)

нет в наличии, поставок нет
25 0335687

Винт, Carb. Корпус, short (SCREW, Carb. body, short)

нет в наличии, поставок нет
25 3852213

   (последний код) SCREW

нет в наличии, поставок нет
26 0335223

Винт, Carb. Корпус, long (SCREW, Carb. body, long)

нет в наличии, поставок нет
27 0326164

Винт. Hinge Штифт (SCREW. Hinge pin)

нет в наличии, поставок нет
28 0305739

Шайба, Сливной винт. Also included in Ремкомплект карбюратора 398557 (WASHER, Screw plug. Also included in Carburetor Repair Kit 398557)

нет в наличии, поставок нет
28 0900224

   (последний код) O RING

нет в наличии, поставок нет
29 0332609

Шайба (WASHER)

нет в наличии, поставок нет
29 0340806

   (последний код) WASHER

нет в наличии, поставок нет
30 0432639

Ролик колпачка folнижний (ROLLER, Cam follower)

нет в наличии, поставок нет
31 0314575

ROLL Штифт, Вал (ROLL PIN, Shaft)

нет в наличии, поставок нет
32 0317162

Гильза, нижний (SLEEVE, Lower)

нет в наличии, поставок нет
33 0327071

Коннектор, Вал дросселя (CONNECTOR, Throttle shaft)

нет в наличии, поставок нет
33 5000533

   (последний код) CONNECTOR AY

нет в наличии, поставок нет
34 0337041

Винт дросселя Вал Коннектор (SCREW, Throttle shaft connector)

нет в наличии, поставок нет
34 5000533

   (последний код) CONNECTOR AY

нет в наличии, поставок нет
35 0309485

Гайка, Коннектор (NUT, Connector)

нет в наличии, поставок нет
35 0132520

   (последний код) NUT

нет в наличии, поставок нет
36 0306014

Винт, Рычаг (SCREW, Lever)

нет в наличии, поставок нет
37 0432640

Рычаг & Штифт, Cam folнижний (LEVER & PIN, Cam follower)

нет в наличии, поставок нет
38 0328735

Шайба, Рычаг (WASHER, Lever)

нет в наличии, поставок нет
38 3852188

   (последний код) WASHER

нет в наличии, поставок нет
39 0324678

Фиксатор, Ролик (RETAINER, Roller)

нет в наличии, поставок нет
40 0332319

Прокладка карбюратора Креплениеing (GASKET, Carburetor mounting)

нет в наличии, поставок нет
40 0326838

   (последний код) GASKET

нет в наличии, поставок нет
41 0432773

Соединитель, Карбюратор (LINK, Carburetor)

нет в наличии, поставок нет
41 0435908

   (последний код) LINK,THOTTLE

нет в наличии, поставок нет
42 0334822

Пружина, Соединитель adjustment (SPRING, Link adjustment)

нет в наличии, поставок нет
43 0328649

Винт, Adjustment (SCREW, Adjustment)

нет в наличии, поставок нет
43 0337541

   (последний код) SCREW

нет в наличии, поставок нет
44 0335753

Шайба, Adjustment (WASHER, Adjustment)

нет в наличии, поставок нет
44 0334823

   (последний код) WASHER

нет в наличии, поставок нет
45 0319108

Винт дросселя Рычаг (SCREW, Throttle lever)

нет в наличии, поставок нет
45 0311512

   (последний код) SCREW

нет в наличии, поставок нет
46 0335739

Винт, Рычаг, cam folнижний (SCREW, Lever, cam follower)

нет в наличии, поставок нет
47 0317624

Винт, Карбюратор to Коллектор (SCREW, Carburetor to manifold)

нет в наличии, поставок нет
48 0434399

Ремкомплект карбюратора, 250 (CARBURETOR REPAIR KIT, 250)

нет в наличии, поставок нет
48 0439078

   (последний код) KIT AY,CARB REPAIR

нет в наличии, поставок нет
48 0398557

Ремкомплект карбюратора, 300 (CARBURETOR REPAIR KIT, 300)

нет в наличии, поставок нет
48 0439079

   (последний код) KIT AY,CARB REPAIR

нет в наличии, поставок нет
evinrude

Время выполнения запроса 3.0202031135559 сек.


 
 

данный сайт носит информационный характер и не является публичной офертой

склад запчастей для водомоторной техники