вконтакте

Контактный телефон: +7 (981) 121-46-93, +7 (800) 200-90-76 , Email: parts-katalog@yandex.ru, где купить

 
 

  Логин:

Пароль:

Регистрация

www.partskatalog.ru Все каталоги Запчасти Mercury Запчасти Suzuki Запчасти Tohatsu Запчасти Honda Контакты


Все разделы каталога запчастей на этот двигатель

Раздел:   вперёд

вернуться к списку узлов и деталей

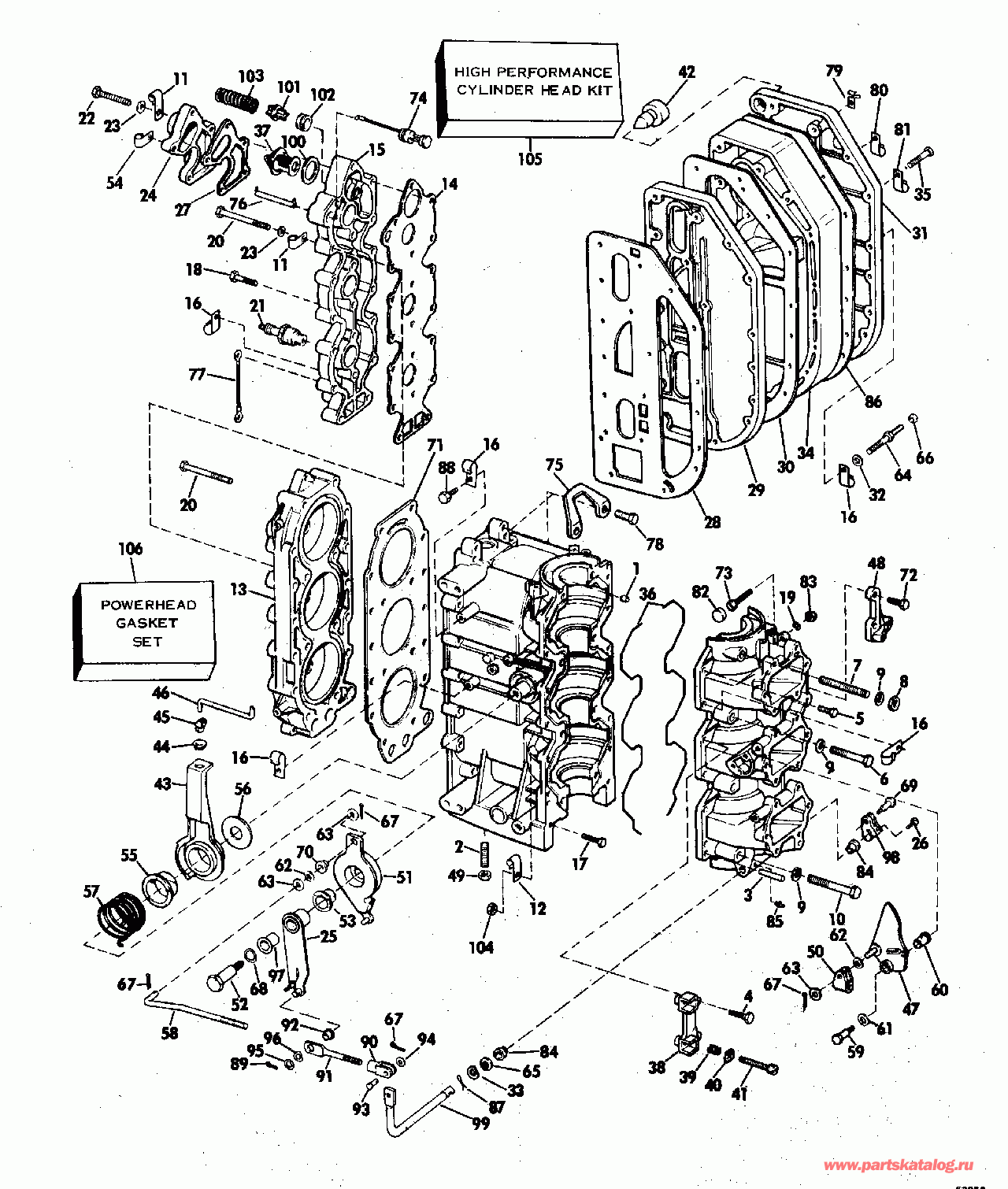
ДЕТАЛИРОВКА ДЛЯ МОДЕЛИ: EVINRUDE E120TXETF 1993

КАРБЮРАТОР И ПОДЪЕМНЫЙ МЕХАНИЗМ - "S" SUFFIX MODELS | CARBURETOR AND LINKAGE - "S" SUFFIX MODELS;


Лодочный мотор Эвинруд E120TXETF 1993  -

Номер на
рисунке
АртикулНаименованиеКол-во
на складе
Цена
0434625 0434625

CARB. в сборе., 120-125ESX, Port. Not Shown (CARB. ASSY., 120-125ESX, Port. Not Shown)

нет в наличии, поставок нет
0434625 0434637

   (последний код) CARBURETOR AY

нет в наличии, поставок нет
0434637 0434637

CARB. в сборе., 120-125ESX, Star. Not Shown (CARB. ASSY., 120-125ESX, Star. Not Shown)

нет в наличии, поставок нет
0434637 0434625

   (последний код) CARBURETOR AY

нет в наличии, поставок нет
0434468 0434468

CARB. в сборе., 140, Port. Not Shown (CARB. ASSY., 140, Port. Not Shown)

нет в наличии, поставок нет
0434385 0434385

CARB. в сборе., 140, Star. Not Shown (CARB. ASSY., 140, Star. Not Shown)

нет в наличии, поставок нет
1 0434384

Дроссель газа в сборе. (THROTTLE BODY ASSY.)

нет в наличии, поставок нет
2 0202310

CORE Заглушка (CORE PLUG)

нет в наличии, поставок нет
3 0303261

ROLL Штифт, Возвратная пружина (ROLL PIN, Return spring)

нет в наличии, поставок нет
4 0332254

Пружина, Дроссель return (SPRING, Throttle return)

нет в наличии, поставок нет
4 0328643

   (последний код) SPRING

нет в наличии, поставок нет
5 0328714

Винт, Вал (SCREW, Shaft)

нет в наличии, поставок нет
5 0204027

   (последний код) SCREW

нет в наличии, поставок нет
6 0328765

Зажим (CLIP)

нет в наличии, поставок нет
7 0328649

Винт, Bowl to Корпус (SCREW, Bowl to body)

нет в наличии, поставок нет
7 0337541

   (последний код) SCREW

нет в наличии, поставок нет
8 0398701

Поплавковая камера в сборе. (FLOAT CHAMBER ASSY.)

нет в наличии, поставок нет
8 0391733

   (последний код) FLOAT CHAMBER

нет в наличии, поставок нет
10 0396522

Клапан поплавка в сборе. (FLOAT VALVE ASSY.)

нет в наличии, поставок нет
10 0382889

   (последний код) FLOAT-VALVE

нет в наличии, поставок нет
12 0336842

Пружина Зажим (SPRING CLIP)

нет в наличии, поставок нет
12 0603145

   (последний код) CLIP

нет в наличии, поставок нет
13 0324025

ORIFICE, Idle air bleed, #34, 120-125ESX, 140, Port (ORIFICE, Idle air bleed, #34, 120-125ESX, 140, Port)

нет в наличии, поставок нет
13 0324698

ORIFICE, Idle air bleed, #37, 120-125ESX, 140, Star (ORIFICE, Idle air bleed, #37, 120-125ESX, 140, Star)

нет в наличии, поставок нет
14 0326164

Винт, Hinge Штифт (SCREW, Hinge pin)

нет в наличии, поставок нет
15 0328544

ORIFICE, High speed, № 63D, 120-125ESX (ORIFICE, High speed, No. 63D, 120-125ESX)

нет в наличии, поставок нет
15 0309415

   (последний код) PLUG

нет в наличии, поставок нет
15 0319907

ORIFICE, High speed № 61D, 140 (ORIFICE, High speed No. 61D, 140)

нет в наличии, поставок нет
15 0315412

   (последний код) ORIFICE PLUG

нет в наличии, поставок нет
16 0338813

Прокладка, Поплавок bowl (GASKET, Float bowl)

нет в наличии, поставок нет
16 0326830

   (последний код) GASKET

нет в наличии, поставок нет
17 0326865

Стопор поплавка (PIN, Float)

нет в наличии, поставок нет
18 0391508

Поплавок в сборе. (FLOAT ASSY.)

нет в наличии, поставок нет
19 0317474

ORIFICE, Intermediate, #27, 120-125ESX (ORIFICE, Intermediate, #27, 120-125ESX)

нет в наличии, поставок нет
19 0324652

ORIFICE, Intermediate, #26, 140 (ORIFICE, Intermediate, #26, 140)

нет в наличии, поставок нет
20 0327116

Винт заглушки (SCREW, Plug)

нет в наличии, поставок нет
21 0434169

CARB. Корпус в сборе. (CARB. BODY ASSY.)

нет в наличии, поставок нет
22 0335647

Крышка Пластина (COVER PLATE)

нет в наличии, поставок нет
23 0335648

Прокладка крышки Пластина (GASKET, Cover plate)

нет в наличии, поставок нет
24 0315656

Винт, Крышка Пластина (SCREW, Cover plate)

нет в наличии, поставок нет
25 0335687

Винт, Carb. Корпус, short (SCREW, Carb. body, short)

нет в наличии, поставок нет
25 3852213

   (последний код) SCREW

нет в наличии, поставок нет
26 0335223

Винт, Carb. Корпус, long (SCREW, Carb. body, long)

нет в наличии, поставок нет
27 0305739

Уплотнительное кольцо, Сливной винт (O-RING, Screw plug)

нет в наличии, поставок нет
27 0900224

   (последний код) O RING

нет в наличии, поставок нет
28 0332253

Сальник, Carb. Корпус (SEAL, Carb. body)

нет в наличии, поставок нет
29 0432640

Рычаг & Штифт, Cam folнижний (LEVER & PIN, Cam follower)

нет в наличии, поставок нет
30 0432639

Ролик колпачка folнижний (ROLLER, Cam follower)

нет в наличии, поставок нет
31 0435908

Соединитель, Карбюратор (LINK, Carburetor)

нет в наличии, поставок нет
31 0434891

   (последний код) LINK,THROTTLE

нет в наличии, поставок нет
32 0337540

Винт, Соединитель adjustment (SCREW, Link adjustment)

нет в наличии, поставок нет
32 0335229

   (последний код) SCREW

нет в наличии, поставок нет
33 0337541

Винт, Adjustment (SCREW, Adjustment)

нет в наличии, поставок нет
33 0328649

   (последний код) SCREW

нет в наличии, поставок нет
34 0335753

Шайба, Adjustment (WASHER, Adjustment)

нет в наличии, поставок нет
34 0334823

   (последний код) WASHER

нет в наличии, поставок нет
35 0339286

Винт дросселя Рычаг (SCREW, Throttle lever)

нет в наличии, поставок нет
36 0335739

Винт, Рычаг, cam folнижний (SCREW, Lever, cam follower)

нет в наличии, поставок нет
37 0315204

Гайка, Carb. Креплениеing (NUT, Carb. mounting)

нет в наличии, поставок нет
37 0316355

   (последний код) NUT

нет в наличии, поставок нет
39 0324678

Фиксатор, Ролик (RETAINER, Roller)

нет в наличии, поставок нет
40 0332319

Прокладка карбюратора Креплениеing (GASKET, Carburetor mounting)

нет в наличии, поставок нет
40 0326838

   (последний код) GASKET

нет в наличии, поставок нет
41 0317624

Винт, Carb. to Коллектор (SCREW, Carb. to manifold)

нет в наличии, поставок нет
42 0328735

Шайба, Folнижний Винт (WASHER, Follower screw)

нет в наличии, поставок нет
42 3852188

   (последний код) WASHER

нет в наличии, поставок нет
43 0435678

Ремкомплект карбюратора (CARBURETOR REPAIR KIT)

нет в наличии, поставок нет
43 0439079

   (последний код) KIT AY,CARB REPAIR

нет в наличии, поставок нет
evinrude

Время выполнения запроса 1.6595468521118 сек.


 
 

данный сайт носит информационный характер и не является публичной офертой

склад запчастей для водомоторной техники