вконтакте

Контактный телефон: +7 (981) 121-46-93, +7 (800) 200-90-76 , Email: parts-katalog@yandex.ru, где купить

 
 

  Логин:

Пароль:

Регистрация

www.partskatalog.ru Все каталоги Запчасти Mercury Запчасти Suzuki Запчасти Tohatsu Запчасти Honda Контакты


Все разделы каталога запчастей на этот двигатель

Раздел:   вперёд

вернуться к списку узлов и деталей

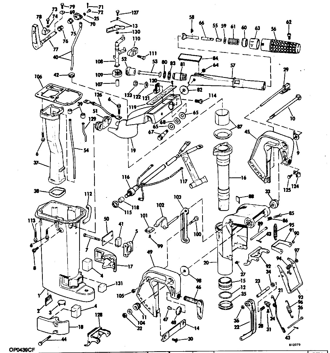
ДЕТАЛИРОВКА ДЛЯ МОДЕЛИ: EVINRUDE E175NXATG 1993

КАРБЮРАТОР И ВПУСКНОЙ КОЛЛЕКТОР | CARBURETOR AND INTAKE MANIFOLD;


Лодочный мотор EVINRUDE E175NXATG 1993  - rburetor And Intake Manifold / rburetor и Впускной коллектор

Номер на
рисунке
АртикулНаименованиеКол-во
на складе
Цена
0435528 0435528

CARB. в сборе., Stbd., 150. Not Shown (CARB. ASSY., Stbd., 150. Not Shown)

нет в наличии, поставок нет
0435528 0433342

   (последний код) CARBURETOR AY

нет в наличии, поставок нет
0435529 0435529

CARB. в сборе., Port, 150. Not Shown (CARB. ASSY., Port, 150. Not Shown)

нет в наличии, поставок нет
0435529 0433343

   (последний код) CARBURETOR AY

нет в наличии, поставок нет
0434638 0434638

CARB. в сборе., Stbd., 150 XP, GT. Not Shown (CARB. ASSY., Stbd., 150 XP, GT. Not Shown)

нет в наличии, поставок нет
0434638 0436830

   (последний код) CARBURETOR AY

нет в наличии, поставок нет
0434639 0434639

CARB. в сборе., Port, 150 XP, GT. Not Shown (CARB. ASSY., Port, 150 XP, GT. Not Shown)

нет в наличии, поставок нет
0435295 0435295

CARB. в сборе., Stbd., 175. Not Shown (CARB. ASSY., Stbd., 175. Not Shown)

нет в наличии, поставок нет
0435296 0435296

CARB. в сборе., Port, 175. Not Shown (CARB. ASSY., Port, 175. Not Shown)

нет в наличии, поставок нет
1 0435691

Дроссель газа AY., Stbd., 150 (THROTTLE BODY AY., Stbd., 150)

нет в наличии, поставок нет
1 0435078

   (последний код) BODY AY,THROTTLE

нет в наличии, поставок нет
1 0435692

Дроссель газа AY., Port, 150 (THROTTLE BODY AY., Port, 150)

нет в наличии, поставок нет
1 0435081

   (последний код) BODY AY,THROTTLE

нет в наличии, поставок нет
1 0435080

Дроссель газа AY., Stbd., 150 XP, GT, 175 (THROTTLE BODY AY., Stbd., 150 XP, GT, 175)

нет в наличии, поставок нет
1 0436835

   (последний код) BODY AY,THROTTL

нет в наличии, поставок нет
1 0435079

Дроссель газа AY., Port, 150 XP, GT, 175 (THROTTLE BODY AY., Port, 150 XP, GT, 175)

нет в наличии, поставок нет
2 0328714

Винт, Вал (SCREW, Shaft)

нет в наличии, поставок нет
2 0204027

   (последний код) SCREW

нет в наличии, поставок нет
3 0328765

Зажим (CLIP)

нет в наличии, поставок нет
4 0202310

CORE Заглушка (CORE PLUG)

нет в наличии, поставок нет
5 0322936

ORIFICE, #28, 150 XP, GT (ORIFICE, #28, 150 XP, GT)

нет в наличии, поставок нет
5 0334568

ORIFICE, #39, 150 (ORIFICE, #39, 150)

нет в наличии, поставок нет
5 0317473

ORIFICE, #30, 175 (ORIFICE, #30, 175)

нет в наличии, поставок нет
5 0325829

ORIFICE, #42, 150 JL (ORIFICE, #42, 150 JL)

нет в наличии, поставок нет
6 0327116

Винт заглушки (SCREW, Plug)

нет в наличии, поставок нет
7 0328649

Винт, Bowl to Корпус (SCREW, Bowl to body)

нет в наличии, поставок нет
7 0337541

   (последний код) SCREW

нет в наличии, поставок нет
8 0433000

Поплавковая камера в сборе. (FLOAT CHAMBER ASSY.)

нет в наличии, поставок нет
9 0303405

Заглушка, Expansion, 150 (PLUG, Expansion, 150)

нет в наличии, поставок нет
10 0396522

Клапан поплавка в сборе. (FLOAT VALVE ASSY.)

нет в наличии, поставок нет
10 0382889

   (последний код) FLOAT-VALVE

нет в наличии, поставок нет
11 0336842

Пружина Зажим (SPRING CLIP)

нет в наличии, поставок нет
11 0603145

   (последний код) CLIP

нет в наличии, поставок нет
12 0336405

Прокладка, Nozzle well (GASKET, Nozzle well)

нет в наличии, поставок нет
12 0343512

   (последний код) GASKET, CARB

нет в наличии, поставок нет
13 0328714

Винт, Зажим, Коллектор (SCREW, Clip, manifold)

нет в наличии, поставок нет
13 0204027

   (последний код) SCREW

нет в наличии, поставок нет
14 0336366

Зажим, Коллектор to Дроссель газа (CLIP, Manifold to throttle body)

нет в наличии, поставок нет
14 0335116

   (последний код) CLIP

нет в наличии, поставок нет
15 0322907

ORIFICE, High speed, #57D, 150 (ORIFICE, High speed, #57D, 150)

нет в наличии, поставок нет
15 0205880

   (последний код) PLUG

нет в наличии, поставок нет
15 0327559

ORIFICE, High speed, #71D, 150 XP, GT, 150 JL (ORIFICE, High speed, #71D, 150 XP, GT, 150 JL)

нет в наличии, поставок нет
15 0328546

ORIFICE, High speed, #72D, 175 (ORIFICE, High speed, #72D, 175)

нет в наличии, поставок нет
15 0309517

   (последний код) PLUG

нет в наличии, поставок нет
16 0335070

Прокладка, Поплавок bowl (GASKET, Float bowl)

нет в наличии, поставок нет
17 0335077

Стопор поплавка (PIN, Float)

нет в наличии, поставок нет
18 0433167

Поплавок в сборе. (FLOAT ASSY.)

нет в наличии, поставок нет
19 0325828

ORIFICE, Idle air bleed, #43, 150 XP, GT (ORIFICE, Idle air bleed, #43, 150 XP, GT)

нет в наличии, поставок нет
19 0327745

ORIFICE, Idle air bleed, #40, 175 (ORIFICE, Idle air bleed, #40, 175)

нет в наличии, поставок нет
19 0325827

ORIFICE, Idle air bleed, #44, 150 (ORIFICE, Idle air bleed, #44, 150)

нет в наличии, поставок нет
19 0326500

ORIFICE, Idle air bleed, #48, 150 JL (ORIFICE, Idle air bleed, #48, 150 JL)

нет в наличии, поставок нет
20 0326164

Винт, Hinge Штифт (SCREW, Hinge pin)

нет в наличии, поставок нет
21 0335076

Сальник, Carb. Корпус (SEAL, Carb. body)

нет в наличии, поставок нет
22 0335363

SCREEN, Дроссель газа (SCREEN, Throttle body)

нет в наличии, поставок нет
23 0433364

FUEL Коллектор, Port & stbd. (FUEL MANIFOLD, Port & stbd.)

нет в наличии, поставок нет
24 0335362

Уплотнительное кольцо, Fuel Коллектор (O-RING, Fuel manifold)

нет в наличии, поставок нет
25 0324643

Винт, Carb. Корпус (SCREW, Carb. body)

нет в наличии, поставок нет
26 0328649

Винт, Carb. Корпус (SCREW, Carb. body)

нет в наличии, поставок нет
26 0337541

   (последний код) SCREW

нет в наличии, поставок нет
27 0305739

Уплотнительное кольцо, Сливной винт (O-RING, Screw plug)

нет в наличии, поставок нет
27 0900224

   (последний код) O RING

нет в наличии, поставок нет
28 0436601

CARB. Корпус AY., 150 (CARB. BODY AY., 150)

нет в наличии, поставок нет
28 0435082

CARB. Корпус AY., 150 XP, GT, 175, 150 JL (CARB. BODY AY., 150 XP, GT, 175, 150 JL)

нет в наличии, поставок нет
30 0335114

Крышка Пластина (COVER PLATE)

нет в наличии, поставок нет
31 0335115

Прокладка крышки Пластина (GASKET, Cover plate)

нет в наличии, поставок нет
32 0315656

Винт, Крышка Пластина (SCREW, Cover plate)

нет в наличии, поставок нет
33 0335244

Сальник, Air Глушитель (SEAL, Air silencer)

нет в наличии, поставок нет
34 0335363

SCREEN, Fuel (SCREEN, Fuel)

нет в наличии, поставок нет
35 0336226

Прокладка коллектора to block - port (GASKET, Manifold to block - port)

нет в наличии, поставок нет
35 0344341

   (последний код) GASKET, MANIFOLD

нет в наличии, поставок нет
36 0336227

Прокладка коллектора to block - stbd. (GASKET, Manifold to block - stbd.)

нет в наличии, поставок нет
37 0318165

Фиксатор, Карбюратор Соединитель (RETAINER, Carburetor link)

нет в наличии, поставок нет
38 0335242

Хомут, Air Корпус глушителя (STRAP, Air silencer cover)

нет в наличии, поставок нет
39 0433521

Коллектор AY., Balance Трубка (MANIFOLD AY., Balance tube)

нет в наличии, поставок нет
40 0433241

Впускной коллектор в сборе., Port (INTAKE MANIFOLD ASSY., Port)

нет в наличии, поставок нет
41 0433249

Впускной коллектор в сборе., Stbd. (INTAKE MANIFOLD ASSY., Stbd.)

нет в наличии, поставок нет
42 0435386

Обратный клапан (CHECK VALVE)

нет в наличии, поставок нет
42 0435681

   (последний код) VALVE AY,CHECK

нет в наличии, поставок нет
43 0336639

SCREEN (SCREEN)

нет в наличии, поставок нет
44 0335121

Ниппель, Primer (NIPPLE, Primer)

нет в наличии, поставок нет
45 0335362

Уплотнительное кольцо, Коллектор (O-RING, Manifold)

нет в наличии, поставок нет
46 0335256

Соединитель, Port to stbd. Карбюратор (LINK, Port to stbd. carburetor)

нет в наличии, поставок нет
46 0343269

   (последний код) LINK

нет в наличии, поставок нет
47 0389823

LEAF Пластина в сборе. (LEAF PLATE ASSY.)

нет в наличии, поставок нет
47 0394430

   (последний код) LEAF-PLATE-A

нет в наличии, поставок нет
48 0323412

Регулировочная шайба (SHIM)

нет в наличии, поставок нет
49 0323601

LEAF STOP (LEAF STOP)

нет в наличии, поставок нет
50 0327074

Винт (SCREW)

нет в наличии, поставок нет
50 0307129

   (последний код) SCREW

нет в наличии, поставок нет
51 0317739

LEAF Клапан (LEAF VALVE)

нет в наличии, поставок нет
51 0329777

   (последний код) LEAF-VALVE-&

нет в наличии, поставок нет
52 0336094

Крышка, Air Глушитель (COVER, Air silencer)

нет в наличии, поставок нет
52 0437372

   (последний код) AIR SILENCER AY

нет в наличии, поставок нет
53 0335739

Винт, Рычаг (SCREW, Lever)

нет в наличии, поставок нет
54 0432639

Ролик колпачка folнижний (ROLLER, Cam follower)

нет в наличии, поставок нет
55 0328735

Шайба, Рычаг (WASHER, Lever)

нет в наличии, поставок нет
55 3852188

   (последний код) WASHER

нет в наличии, поставок нет
56 0335257

Рычаг, Подъемный механизм adjustment (LEVER, Linkage adjustment)

нет в наличии, поставок нет
57 0315656

Винт, Крышка to Основание (SCREW, Cover to base)

нет в наличии, поставок нет
58 0328744

Винт, Коллектор to Картер двигателя (SCREW, Manifold to crankcase)

нет в наличии, поставок нет
58 0308741

   (последний код) SCREW

нет в наличии, поставок нет
59 0

Сальник, Крышка. Use P / N 309044 сокращёная длина (SEAL, Cover. Use P/N 309044 Cut to Length)

нет в наличии, поставок нет
60 0336093

Основание, Air Глушитель (BASE, Air silencer)

нет в наличии, поставок нет
60 0437372

   (последний код) AIR SILENCER AY

нет в наличии, поставок нет
61 0333677

Винт, Leaf Пластина to Коллектор (SCREW, Leaf plate to manifold)

нет в наличии, поставок нет
61 3852208

   (последний код) SCREW

нет в наличии, поставок нет
62 0323626

Винт дросселя Корпус to block (SCREW, Throttle body to block)

нет в наличии, поставок нет
62 0317952

   (последний код) SCREW

нет в наличии, поставок нет
63 0335729

Фиксатор, Balance Трубка (RETAINER, Balance tube)

нет в наличии, поставок нет
64 0335403

Сальник, Коллектор to carb. - port (SEAL, Manifold to carb. - port)

нет в наличии, поставок нет
65 0335404

Сальник, Коллектор to carb. - stbd. (SEAL, Manifold to carb. - stbd.)

нет в наличии, поставок нет
66 0

Шланг, Balance Трубка drain. Cut From P / N 336317 (HOSE, Balance tube drain. Cut From P/N 336317)

нет в наличии, поставок нет
67 0324678

Уплотнительное кольцо, Ролик & Гильза (O-RING, Roller & sleeve)

нет в наличии, поставок нет
68 0303630

Шайба, Primer Ниппель (WASHER, Primer nipple)

нет в наличии, поставок нет
69 0336821

Сальник, Крышка (SEAL, Cover)

нет в наличии, поставок нет
70 0435442

Ремкомплект карбюратора (CARBURETOR REPAIR KIT)

нет в наличии, поставок нет
70 0438996

   (последний код) KIT AY,CARB REPAIR

нет в наличии, поставок нет
evinrude

Время выполнения запроса 2.0536868572235 сек.


 
 

данный сайт носит информационный характер и не является публичной офертой

склад запчастей для водомоторной техники